5.3 Data Conversion Flashcards

(38 cards)

1
Q

What are ADC and DAC used for?

A

Interface computers to the analogue world so that a computer can monitor and control a PHYSICAL variable.

How well did you know this?
1
Not at all
2
3
4
5
Perfectly
2
Q

What does the transducer do?

A

Converts physical variable into electrical variable.

How well did you know this?
1
Not at all
2
3
4
5
Perfectly
3
Q

What does the ADC do?

A

Receives an electrical analogue input from the transducer, converts it into a digital output consisting of a number of bits to represent that analogue value. (01010000 = 80mV) Then sends the information to the Computer.

How well did you know this?
1
Not at all
2
3
4
5
Perfectly
4
Q

What does the computer do?

A

Receives the digital input from the ADC, performs calculations or other operations , then outputs a digital value for the physical variable towards the DAC.

How well did you know this?
1
Not at all
2
3
4
5
Perfectly
5
Q

What is the purpose of the DAC?

A

Converts digital (001110000) to an proportional analogue VOLTAGE or CURRENT ( o-10 Volts), Sending this information to the physical variable (actuator).

How well did you know this?
1
Not at all
2
3
4
5
Perfectly
6
Q

What are OP AMPS used for?

A

Compare the amplitude of one voltage with another.

How well did you know this?
1
Not at all
2
3
4
5
Perfectly
7
Q

What are the characteristics of the IC Op AMP?

A

High gain, high input impedance, low output impedance, Used with split supply, Used with feedback, with gain determined by the feedback network.

How well did you know this?
1
Not at all
2
3
4
5
Perfectly
8
Q

How is a zero level detector hooked up?

A

With the inverting input directly grounded to produce a zero level, input signal to non inverting.

How well did you know this?
1
Not at all
2
3
4
5
Perfectly
9
Q

What else can the zero level detector be used for?

A

Used as a squaring circuit to produce a square wave from a sine wave.

How well did you know this?
1
Not at all
2
3
4
5
Perfectly
10
Q

Describe how the Zero level detector operates.

A

Used to determine when an input exceeds a certain level, very small differences between the inputs causes the output to go into maximum (saturation/square waves).

How well did you know this?
1
Not at all
2
3
4
5
Perfectly
11
Q

Most OP AMPS have a maximum output voltage limitation of?

A

+/- 15 Volts because of their DC supply voltages.

How well did you know this?
1
Not at all
2
3
4
5
Perfectly
12
Q

How can the zero level detector be modified to detect voltages other than zero AKA Non-Zero Level Detection.

A

By connecting a fixed reference voltage to the inverting (-) input. By either a Battery, Voltage divider or a ZENER diode.

How well did you know this?
1
Not at all
2
3
4
5
Perfectly
13
Q

With a Non-Zero level Detector what conditions need to be met to reach maximum output positive voltage?

A

Input voltage must exceed reference voltage.

How well did you know this?
1
Not at all
2
3
4
5
Perfectly
14
Q

What is the definition of a true comparator?

A

Effectively compares 2 input voltages and delivers a output.

How well did you know this?
1
Not at all
2
3
4
5
Perfectly
15
Q

An OP AMP with an inverting amplifier with a gain of ONE serves as?

A

Inverting buffer

How well did you know this?
1
Not at all
2
3
4
5
Perfectly
16
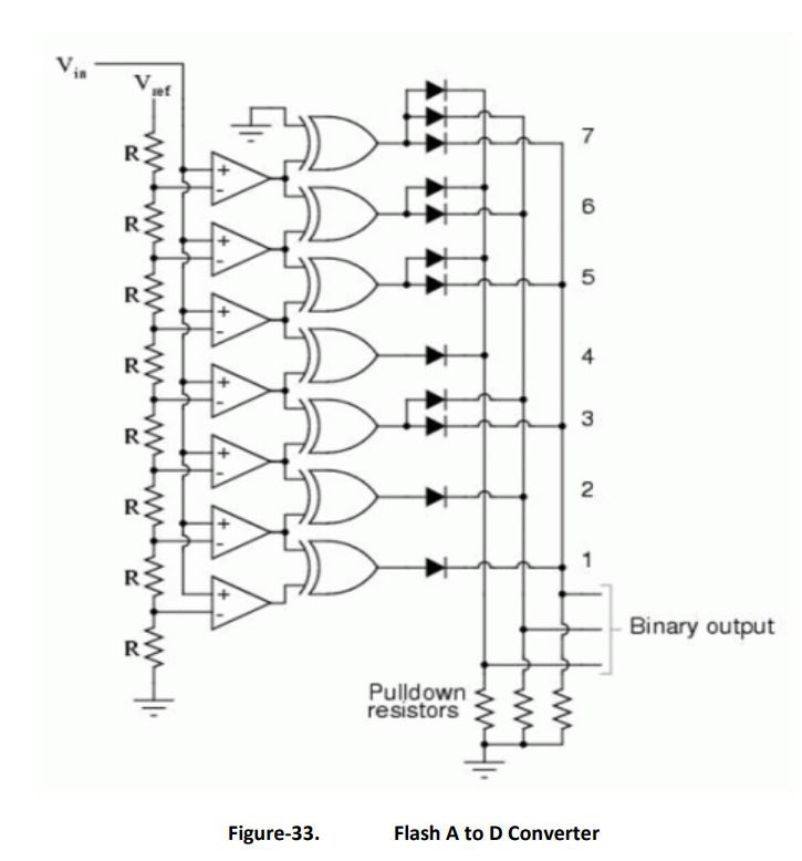
Q

What are the disadvantages of a Flash A/D Converter?

A

The number of comparators in the circuit increases exponentially with the number of binary bits. eg: a 4-bit binary number counting from 0 to 15 requires 15 comparators. An 8 bit circuit would require 255 comparators, too expensive for ordinary use.

17
Q

What are the disadvantages and advantages of the Flash A/D converter?

A

Too expensive but practical when very high speeds are required.

18
Q

What is this the name of this unit?

A

Flash A/D Encoder

19
Q

What is the make up of a Flash A/D Converter - Encoder?

A

A set of Exclusive-OR gates, and a matrix of diodes.

20
Q

What are the advantages and disadvantages of the Flash A/D Converter Encoder?

A

Simplest operational theory, most efficient of the ADC technologies in terms of speed. Disadvantage = Most component intensive.

21
Q

What is an additional advantage of the flash a/d encoder?

A

Can produce a scaled output.

22
Q

How can you create a nonlinear response of the analogue input signal in a ADC

A

Resistor values in the voltage divider network are of different values.

23
Q

With equal value resistors in the reference voltage divider network of a ADC what occurs?

A

Each successive binary count represents the same amount of analog signal increase.

24
Q

What is this figure?

A

Digital ramp ADC

25
What resets the counter to zero on a Digital-Ramp ADC?
A start pulse is applied to reset the counter to zero.
26
What are the Advantages of a Digital Ramp ADC?
Much less expensive. fewer components.
27
What is a disadvantage of the Digital-Ramp ADC?
Slower
28
What components make up the Digital-Ramp ADC?
Single Comparator, Counter, DAC and a Control AND gate.
29
What else is the Digital-Ramp ADC referred as?
Counter type ADC.
30
What is this figure?
Binary Weighted Resistor D/A Converter and Truth Table.
31
What are the disadvantages of a Binary Weighted DAC
Large difference in resistor values, temperature varies resistance.
32
What are the advantages of a R2R ladder?
Only 2 resistance values not greatly different, temp variations have little effect.
33
The flash AD encoder circuit has a?
Nonlinear response to the analogue signal input.
34
Characteristics of a IC Op AMP
High gain, High input impedance, used with split supply, used with feedback with gain determined by feedback network.
35
What are the 2 basic methods of Analogue to Digital Conversion?
Flash/Simultaneous and Digital-Ramp/Counter type.
36
How many comparators does a 4 bit binary number require?
15 Comparators
37
How many comparators does a 8 bit circuit require?
255 comparators.
38
How many comparators does a 3 bit circuit rewuire?
7 comparators.