What is the function of the Golgi apparatus?
Modifies proteins
What is the function of the mitochondria?
Release energy/ATP by aerobic respiration
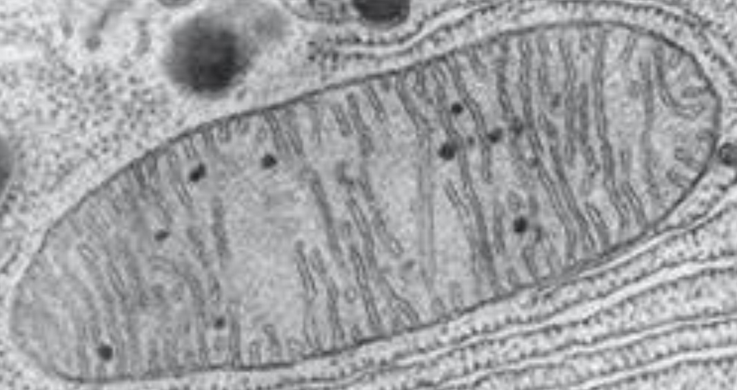
Name the organelle shown on the electron micrograph

Mitochondria
What is the function of the ribosomes?
Protein synthesis
What is the function of the chloroplast?
Photosynthesis
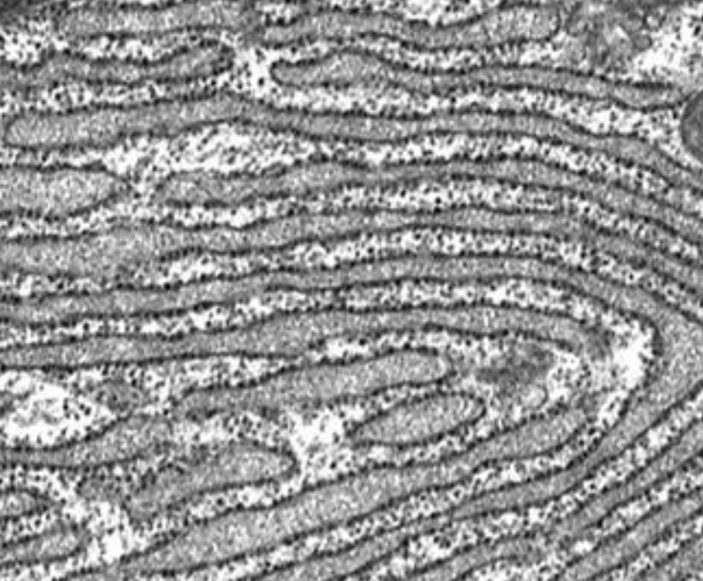
Name the organelle shown on the electronmicrograph

Rough endoplasmic reticulum
Name 2 structures found in the nucleus
Chromosomes and nucleolus/nucleoli
What is the function of the cell membrane?
Controls which substances enter and leave the cell
What is the function of the Golgi vesicles?
Transports chemicals across the Golgi apparatus or to the cell membrane.
What is the function of the lysosome?
Hydrolyses dead or damaged organelles.
What is the function of the rough endoplasmic reticulum?
Makes and transports proteins
What is the function of the smooth endoplasmic reticulum?
Makes and transports steroids
What is the function of the cell wall?
Rigid outer covering to the plant cell. Supports the plant cell.
Name the chemical that makes up the cell wall in plants
Cellulose
Name the two chemical components of murein
Its is a glycoprotein
Protein and carbohydrate
Name the organelle shown on the electronmicrograph

Golgi apparatus
Name the chemical that makes up the cell wall in bacteria
Murein
Name the chemical that makes up the cell wall in fungi
Chitin
What is the function of the vacuole?
Stores cell sap. Keeps the cell turgid.
The epithelium cells of the small intestine have microvilli on them.
What is their function?
Increase surface area for absorption of digested food.
What is a tissue?
A group of similar specialised cells that perform a particular function.
What is an organ?
A group of tissues which perform a particular function
What is a system?
A group of organs which perform a particular function
Which are larger? Prokaryotic cells or eukaryotic cells?
Eukaryotic cells