Vad kallas den ideala enkla ångkraftsprocessen
Rankine process
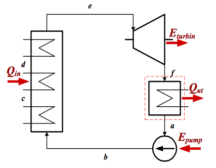
Måla upp Rankine processen

Identifiera de olika stegen i Rankine processen och beskriv förloppen (isentopisk, …)

Ange de olika stegen i ångkraftsprocessen
Bränsle –> Värme –> Ånga –>Arbete –> El
Vad används som bränsle i ångkraftverk?
Kol, olja, gas, biomassa, atomenergi, …
Rita ett T-s-diagram över Rankine processen

Vad beskriver den isentropiska verkningsgraden?
Hur mycket expansionen skiljer sig från ideal isentropisk expansion

Formeln för isentropisk verkningsgrad för turbin och kompressor?


Formel isentropisk verkningsgrad

Formel termisk verkningsgrad

Formel mekanisk verkningsgrad

Formel termisk verkningsgrad netto

Vad beskriver en komponents verkningsgrad?
Hur stor energiförlusten är i en energiomvandlig. Förluster består ofta av värme (utstrålning från heta ytor, friktionsvärme)
Nämn 5 sätt att öka verkningsgraden i en ngkraftprocess
Beskriv carnotisering
Anpassning av en värmemaskin efter Carnot-processen ideal
Vad är mottryckanläggingar avsedda för
Producera på elkraft och värme.
Ex: Kraftvärmeverk (både elkraft och fjärrvärme)

Para ihop symbol med mättad vätska eller mättad gas
a) ‘
b) ‘’
a) mättad vätska
b) mättas gas
h2,is = h1+Vdeltap gäller när …
… arbetet antas isochort (v=konst). Entalpin efter isentropisk kompression tecknas på det sättet
Är förloppet vid strypventil:
a) Isentropisk
b) Isentalpisk
c) Isobar
b) Isentalpisk
För en strypprocess gäller h1=h2