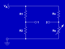
What type of circuit is formed by VA, R1, Point 1, R2, and ground?

A Voltage-Divider
The _______ is formed by two voltage divider circuits connected in parallel.

The bridge circuit is formed by two voltage divider circuits connected in parallel.
What is the purpose of a bridge circuit?
A bridge circuit compares a known value to an unknown value.
To determine the unknown value in a balanced bridge circuit, what formula should you use?
R1/R2 = Rx/Rs

Comparing known resistive values to unknown resistive values is accomplished in a _______.
bridge circuit
Rx is normally what?
Rs ?

Rx is an unknown value
Rs is a variable resistor