Chapter 5: DAC types Flashcards

(15 cards)

1
Q

General Rule for DAC?

A

that an N-bit DAC will convert an N-bit parallel word to an analogue signal with 2N recognisable steps.

How well did you know this?
1
Not at all
2
3
4
5
Perfectly
2
Q

The four DACs to know?

A
  • Weighted Resistors
  • R-2R Ladder
  • Delta Sigma
How well did you know this?
1
Not at all
2
3
4
5
Perfectly
3
Q

Describe what happens in a weighted resistor DAC?

A

A weighted resistor DAC has a set of resistors that are connected together at one end and individually driven high or low at the other. These are then connected to a current-to-voltage converter.

How well did you know this?
1
Not at all
2
3
4
5
Perfectly
4
Q

Diagram showing weighted resistor DAC?

A
How well did you know this?
1
Not at all
2
3
4
5
Perfectly
5
Q

How does a weighted resistor DAC operate like a potential divider?

A

The value to be converted is used to drive the resistors high or low, where the lower the significance of the bit, the higher the resistance.

In the ideal case, the current-to-voltage converter acts like a potential divider, since V+ = V- = 0V, the op-amp has infinite input impedance (takes no current), and there is a negligible load.

𝐼𝑀𝑆𝐡 + 𝐼𝐿𝑆𝐡 + πΌπ‘“π‘’π‘’π‘‘π‘π‘Žπ‘π‘˜ = 0

How well did you know this?
1
Not at all
2
3
4
5
Perfectly
6
Q

Weighted resistor DAC, example If the MSB and LSB are high, corresponding to Vin then

A
How well did you know this?
1
Not at all
2
3
4
5
Perfectly
7
Q

Disadvantages to a weighted resistor DAC?

A

The problem with this type of DAC is that the precision and resistor range is a big issue; the resistor values must be precise with respect to each other. 1% resistor precision gives only 6 bit accuracy.

How well did you know this?
1
Not at all
2
3
4
5
Perfectly
8
Q

Advantages of R-2R ladder DAC?

A

An R-2R ladder overcomes the need for a wide range of high precision resistor values.

How well did you know this?
1
Not at all
2
3
4
5
Perfectly
9
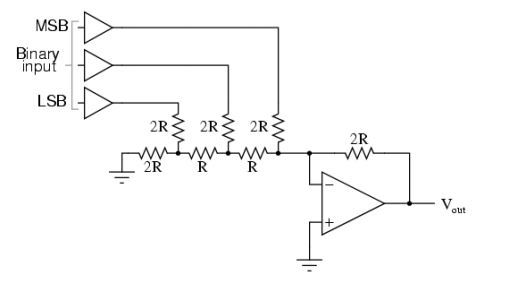
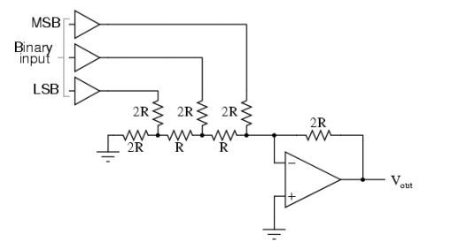
Q

Describe how a R-2R ladder DAC operates?

A
  • In this case there are only two values: R and 2R. Note that the precision is still just as important.
  • Each bit uses an equal weight (2R-2R) potential divider to combine it with all smaller bits.
  • The principle is still based on a current-to-voltage converter.
  • An additional resistance (R) is added at each stage output to create the 2R needed for the next potential divider.
How well did you know this?
1
Not at all
2
3
4
5
Perfectly
10
Q

Diagram for a R-2R ladder DAC?

A
How well did you know this?
1
Not at all
2
3
4
5
Perfectly
11
Q

Explain how Pulse-width modulation works?

A

Pulse Width Modulation (PWM) uses the duty cycle (i.e. the proportion of time voltage is off and on) of a binary output to create an analogue signal.

How well did you know this?
1
Not at all
2
3
4
5
Perfectly
12
Q

PWM, output signal treatment?

A

The output of this signal is smoothed with a low pass filter, such as a RC network or fed directly to a system with a restricted frequency response (e.g. a large motor). The result is that the average value increases when the proportion of on time in the cycle also increases

How well did you know this?
1
Not at all
2
3
4
5
Perfectly
13
Q

PWM, DAC diagram?

A
How well did you know this?
1
Not at all
2
3
4
5
Perfectly
14
Q

Advantages to using PWM?

A

The big benefit of this approach is that the drive transistors are on or off, which minimises power dissipation in the transistor. PWM output blocks are often available in microcontroller chips

How well did you know this?
1
Not at all
2
3
4
5
Perfectly
15
Q

Describe Delta Sigma DACs?

A

Delta Sigma DACs (and ADCs) use a similar approach to PWM but employ feedback to shift noise to an out of band frequency. Switching speeds are higher than PWM but timing accuracy is the same.

How well did you know this?
1
Not at all
2
3
4
5
Perfectly