To Construct a Square WXYZ of side 6 cm
What is the first step
Sketch the square

To Construct a Square WXYZ of side 6 cm
What is the second step
Draw XY = 6 cm

To Construct a Square WXYZ of side 6 cm
What is the third step
Draw a line perpendicular to XY through X

To Construct a Square WXYZ of side 6 cm
What is the fourth step
Using a compass, with centre X and radius 6 cm, draw an arc to cut the line drawn in step 3 at W

To Construct a Square WXYZ of side 6 cm
What is the fifth step
Draw a perpendicular line to XW through W. With W as centre and radius 6 cm, draw an arc to cut the line at Z

To Construct a Square WXYZ of side 6 cm
What is the sixth step
Join YZ.

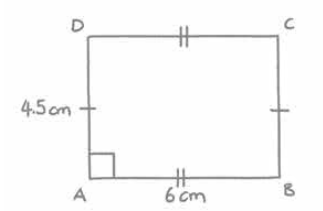
To Construct a Rectangle ABCD
AB = 6 cm and AD = 4.5 cm
What is the first step
Sketch the rectangle

To Construct a Rectangle ABCD
AB = 6 cm and AD = 4.5 cm
What is the second step
Draw AB = 6 cm

To Construct a Rectangle ABCD
AB = 6 cm and AD = 4.5 cm
What is the third step
Draw a line perpendicular to AB through A

To Construct a Rectangle ABCD
AB = 6 cm and AD = 4.5 cm
What is the fourth step
Using a compass, with centre A and radius 4.5 cm, draw an arc to cut the line drawn in step 3 at D

To Construct a Rectangle ABCD
AB = 6 cm and AD = 4.5 cm
What is the fifth step
Draw a line perpendicular to AD through D. With D as centre and radius 6 cm, draw an arc to cut at line C

To Construct a Rectangle ABCD
AB = 6 cm and AD = 4.5 cm
What is the sixth step
Join BC. Check that BC is 4.5 cm long

To Construct a Parallelogram PQRS
PQ = 6 cm PS = 5 cm and angle P = 65º
What is the first step
Sketch the parallelogram

To Construct a Parallelogram PQRS
PQ = 6 cm PS = 5 cm and angle P = 65º
What is the second step
Draw the line PQ

To Construct a Parallelogram PQRS
PQ = 6 cm PS = 5 cm and angle P = 65º
What is the third step
Use a protractor, draw angle P = 65º

To Construct a Parallelogram PQRS
PQ = 6 cm PS = 5 cm and angle P = 65º
What is the fourth step
Using a compass, with centre P and radius 5 cm, draw an arc to cut the arm of angle P at S

To Construct a Parallelogram PQRS
PQ = 6 cm PS = 5 cm and angle P = 65º
What is the fifth step
Draw a line parallel to PQ through S. With S as centre, and radius 6 cm, draw an arc to cut the line at R

To Construct a Parallelogram PQRS
PQ = 6 cm PS = 5 cm and angle P = 65º
What is the sixth step
Join QR
