What is the grounded version of a currten-to-voltage converter?
[Picture32]

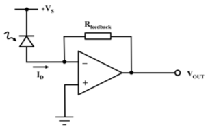
What is the supply version of a currten-to-voltage converter?
[Picture33]

What is the equation for the grounded current-to-voltage converter?
Vout = RFeedback × ID
What is the equation for the supply current-to-voltage converter?
Vout = -RFeedback × ID
Why are op-amps a good way of converting current to voltage?
Because of the virtual ground principle, they can provide a low impedance to ground
What is often put in parallel with Rfeedback?
A capacitor to improve stability (by reducing the grain at higher frequencies)
What is a comparator?
What are 4 problems with a comparator circuit?
> If the input changes slowly then the output will not change abruptly as the op-amp may be operating in its linear region
> Any noise on the signal will cause multiple transitions at the output during the time that the signal is crossing.
> If the output is saturated near the power rails, then this is unlikely to be convenient for the connected microcontroller.
> Op-amps tend to have a limited input range which may limit the size of the input signal.
What is better than a comparator?
A dedicated IC
What is the tropology of a schmitt trigger?
[Picture34]

What is the operation of the schmitt trigger?
The solution to the problem of noise on the signal causing multiple transitions at the output during the time that the signal is crossing a threshold is to have a threshold that changes after a transition has been made. This creates an upper and lower threshold.
What the circuit for an active half-wave rectifier?
[Picture35]

For an active half-wave rectifier what happens when:
a) Vin > GND
b) Vin < GND
a) Vin > GND
> The op-amp will rise until V+ = V-
> The output is unity gain
b) Vin < GND
> The diode is reverse biased so the output is 0V
What is the issue with active half wave rectifiers?
Works well for low frequencies (< Few KHz) but at higher frequencies (> 100kHz) the output becomes distorted. This problem can be negated using clamped feedback:
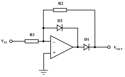
What the circuit for an active half-wave rectifier with clamped feedback?
[Picture37]

For an active half wave rectifier with clamped feedback what happens when:
a) Vin > GND
b) Vin < GND
a) Vin > GND
> D1 is reverse biased
> D2 is forward biased
> Vout = 0
b) Vin < GND
> D1 is forward biased
> D2 is reverse biased
> Forms an inverting amplifier and so the output = Vin
What is the circuit for an envelope peak detector?
[Picture38]

How does an envelope peak detector work?
> The capacitor will charge up to VC = Vpeak - Vd
> Capacitor needs to be discharged before detecting a new peak.
What is the circuit for an active peak detector?
[Picture39]

How does an active peak detector work?
> The capacitor will charge up to VC = Vpeak
> Capacitor needs to be discharged before detecting a new peak.
What is the circuit for an active peak detector with clamped feedback?
[Picture40]

What is an analogue signal?
A signal represented by a continuous quantity.
What is a digital signal?
A signal represented by a discrete quantity with a finite possible set of values.
How does digital representation of analogue signals work?
By sampling a signal many times per second and assigning the amplitude at that point a voltage level. Each voltage level is represented by a binary number.