What is the definition for current?
Current is the number of Coulombs of charge passing a point in one second.
What is the definition of 1 amp?
1 Coulomb of charge passing a point in 1 second.
What is potential difference?
The number of Joules of energy transferred per Coulomb of charge.
What is 1 volt?
1 Joule of energy transferred per Coulomb of charge
What is the value of the mains supply?
230V, 50Hz
What is meant by the Root Mean Square Voltage? (Vrms)
It is the value of an a.c. voltage that will deliver the same amount of energy as a d.c. voltage.
What can be said when comparing Vrms to Vpeak?
Vpeak is always greater than the Vrms
When calculating power should you use Vpeak or Vrms?
Vrms
What is the definition for e.m.f?
The number of Joules of energy given to each Coulomb of charge passing through the cell.
Give two sources of e.m.f
What is the terminal potential difference, Vtpd?
It is the potential difference which is able to supply the user when the circuit is complete and current flows.
What are the lost volts, Vlost?
This is the potential difference unavailable to the user because of the internal resistance of the supply.
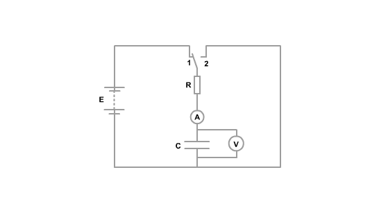
In the following circuit what quantity will the voltmeter measure and why?

The e.m.f as NO current is flowing as the circuit is incomplete.
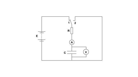
In the following circuit what quantity will the voltmeter measure and why?

The Vtpd as there is a complete circuit and current is flowing so, some voltage will be lost.
What is the short circuit current?
The maximum current a supply can give - this is achieved when the terminals of the supply are joined with a short thick wire ( almost no external resistance)
From the graph, how can you calculate the internal resistance of the cell?

internal resistance = - gradient
From the graph, how do you find the e.m.f. ?

When the current = 0A. Find point on graph where current = 0A, read off corresponding voltage.

From the graph, how do you find the short circuit current?

When the Potential difference = 0V. Find this point on the graph, read off the corresponding current.

What is capacitance?
The charge stored per volt.
What is meant by 1 Farad?
1 Coulomb of charge stored per volt
What could be altered in the circuit below to increase the charging time of the capacitor?

What could be altered in the circuit below to decrease the charging time of the capacitor?

From this energy level diagram, what type of material is being represented?

Insulator
Describe the shape of a graph of voltage across capacitor against time for charging a capacitor.
Starts from 0V. Increases to the supply voltage.
