Système linéaire
entrée et sortie reliée par une equation differentielle linéaire
système permanent : un décallage temporelle de l’entrée s’accompagne du même décalage temporelle de la sortie => coefficients de l’equation diff constants
Superposition
système linéaire permanent : il y a proportionalité entre causes et effets
Valeur Moyenne
fmoy = 1/T int((0->T, f(t)dt)
Valeur efficace
feff = ( 1/T int(0->T, f2(t)dt) )1/2
Facteur de forme
F = feff / fmoy
Taux d’ondulation
B = fondeff / fmoy
fondeff = valeur efficace sans le terme constant
F2 = 1 + B2
Relation extension temporelle largeur spectrale
^v x ^t =1
Système linéaire stable
tous les poles sont de partie rélle négative
Règle de descartes
ap2 + bp + c = 0 a toutes ses solutions a parties réelles négatives <=> a , b , c sont de même signe <=> système stable
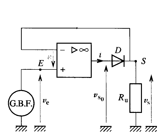
Intensité d’une diode
I = Is(exp(eU/nkT) -1)
résistance statique et résistance dynamique
Rstatique = U(Mo)/i(Mo)
Rdynamique = dU/dI en Mo
redressement monoalternance

redressement sans seuil

Pont de Graetz, redressement double alternance

détetcteur de crête
RCw>>1
Stabilisation en tension par diode zéner

Filtres Ordres 1
Ordres 1 : N/(1 + jw/wo)
N = 1 Pbas, N = jw/wo Phaut , N = 1 - jw/wo Passe tout déphaseur
On se place en RC
CRL
Filtres Ordres 2
H = N / (1+2Ejw/wo + (jw/wo)2)
N = 1 Pbas
N = (jw/wo)2 Phaut
N = 2Ejw/wo Pbande
N = 1 + (jw/wo)2 Coupe bande
CRL
Coupe bande LC
Résonance
E < 1/21/2
Q > 1/21/2
Facteur de qualité
Q= wo/^w3db
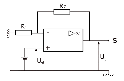
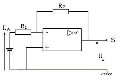
Règle pour montage inverseur ou non inveseur
entrée sur borne inverseuse -> montage inverseur et inversement
Montage non inverseur

Montage inverseur

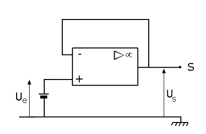
Suiveur
adaptation d’impédance => permet de virer la résistance interne d’un générateur
