What is an embedded system?
Any computer system hidden in a product other than a computer.
What is a telegraph?
A device that allows you to connect a printer that has only a high-speed serial-port to a network.
Typical hardware needs foremost a _________.
microprocessor
Why does an embedded system need memory?
To store its program and to store its data.
Are the program and data stored in the same memory in embedded systems?
No, they use different memories.
What are some of the difficulties that you will encounter when you write embedded system software?
Throughput Response Testability Debugability Reliability Memory Space Program Installation Power Consumption Processor Hogs Cost
What is an example of an insulator?
Usually the outer covering of a wire
What is an example of a conductor?
Usually the wire itself
What is a semi-conductor?
Can either act as an insulator or a conductor
When silicon is dopped with Boron, it makes a(n) __-____ material and has 1 ______ electron in its outer shell
p-type fewer
When silicon is dopped with Phosphorus, it make a(n) __-_____ material and has 1 _____ electron in its outer shell
n-type more
Is there flow or no flow?

Flow
Is there flow or no flow?

No Flow
These are examples of:

Transistors
What are the two types of transistors?
p-type and n-type
True or false? n-type transistor is off by default?
True
gate = 1, connection gate = 0, no connection
True or false? In an n-type of transistor, if the gate has 0 voltage (logic 0), then there is no connection.
True
What type of transistor is this?

n-type
What type of transistor is this?

p-type
True or false? The p-type transistor is off by default
False. It’s on by default
gate = 0, connection gate = 1, no connection
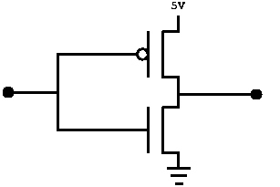
This is an example of a ____ gate.

not gate or inverter
These two gates are examples of

Buffer gate
What does a buffer do?
It corrects the signal. For example, takes 4.2 volts and outputs a logic 1.
What does mos stand for?
metal oxide semiconductor