FCC2 COPY Flashcards

Study for FCC exam (40 cards)

1
Q

What is the definition of the term “receiver desensitizing”?

A

A reduction in receiver sensitivity because of a strong signal on a nearby frequency.

How well did you know this?
1
Not at all
2
3
4
5
Perfectly
2
Q

What is the advantage of a GaAsFET preamplifier in a modern VHF radio receiver?

A

High gain and low noise floor.

How well did you know this?
1
Not at all
2
3
4
5
Perfectly
3
Q

What condition must exist for a circuit to oscillate? It must:

A

Have sufficient positive feedback.

How well did you know this?
1
Not at all
2
3
4
5
Perfectly
4
Q

In what radio stage is the image frequency normally rejected?

A

RF.

How well did you know this?
1
Not at all
2
3
4
5
Perfectly
5
Q

How should the filter bandwidth of a receiver IF section compare with the bandwidth of a received signal?

A

Slightly greater than the received-signal bandwidth.

How well did you know this?
1
Not at all
2
3
4
5
Perfectly
6
Q

What is the limiting condition for sensitivity in a communications receiver?

A

The noise floor of the receiver.

How well did you know this?
1
Not at all
2
3
4
5
Perfectly
7
Q

Too much gain in a VHF receiver front end could result in this:

A

Susceptibility of intermodulation interference from nearby transmitters.

How well did you know this?
1
Not at all
2
3
4
5
Perfectly
8
Q

What are the principal frequencies that appear at the output of a mixer circuit?

A

The original frequencies and the sum and difference frequencies.

How well did you know this?
1
Not at all
2
3
4
5
Perfectly
9
Q

A receiver selectivity of 10 kHz in the IF circuitry is optimum for what type of signals?

A

Double-sideband AM.

How well did you know this?
1
Not at all
2
3
4
5
Perfectly
10
Q

Which stage of a receiver primarily establishes its noise figure?

A

The RF stage.

How well did you know this?
1
Not at all
2
3
4
5
Perfectly
11
Q

Which type of oscillator circuit is commonly used in a VFO (variable frequency oscillator)?

A

Colpitts.

How well did you know this?
1
Not at all
2
3
4
5
Perfectly
12
Q

What is the image frequency if the normal channel is 151,000 MHz, the IF is operating at 11,000 MHz, and the LO is at 140,000 MHz?

A

129,000 MHz.

How well did you know this?
1
Not at all
2
3
4
5
Perfectly
13
Q

A receiver selectivity of 10 KHz i the IF circuitry is optimum for what type of signals?

A

Double-sideband AM.

How well did you know this?
1
Not at all
2
3
4
5
Perfectly
14
Q

What is the term used to refer to a reduction in receiver sensitivity caused by unwanted high-level adjacent channel signals?

A

Desensitizing.

How well did you know this?
1
Not at all
2
3
4
5
Perfectly
15
Q

In what stage of a VHF receiver would a low noise amplifier be most advantageous?

A

Front end RF stage.

How well did you know this?
1
Not at all
2
3
4
5
Perfectly
16
Q

What are the three major oscillator circuits found in radio equipment?

A

Colpitts, Hartley, and Pierce.

How well did you know this?
1
Not at all
2
3
4
5
Perfectly
17
Q

If a receiver mixed a 13.8 MHz VFO with a 14.255 MHz receive signal to produce a 455 kHz intermediate frequency signal, what type of interference will a 13.345 MHz signal produce in the receiver?

A

An image response.

18
Q

Which one of these filters can be used in micro-miniature electronic circuits?

A

Receiver SAW IF filter.

19
Q

What is the definition of the term “receiver desensitizing”?

A

A reduction in receiver sensitivity because of a strong signal on a nearby frequency.

20
Q

What is the mixing process in a radio receiver?

A

The combination of two signals to produce sum and difference frequencies.

21
Q

What is an undesirable effect of using too wide a filter bandwidth in the IF section of a receiver?

A

Undesired signals will reach the audio stage.

22
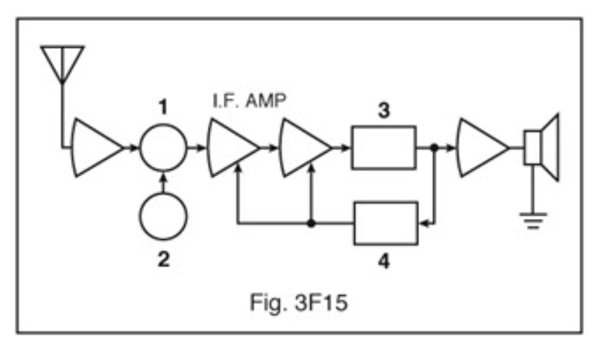
Q

In Figure 3F15, which block diagram symbol (labeled 1 through 4) is used to represent a local oscillator?

23
Q

How can selectivity be achieved in the front-end circuitry of a communications receiver?

A

By using a preselector.

24
Q

Why is the Colpitts oscillator circuit commonly used in a VFO (variable frequency oscillator)?

A

It is stable.

25
In what radio stage is the image frequency normally rejected?
RF.
26
How should the filter bandwith of a receiver IF section comppare with the bandwidth of a received signal?
Slightly greater than the received-signal bandwidth.
27
What is the term for the ratio between the largest tolerable receiver input signal and the minimum discernible signal?
Dynamic range.
28
Too much gain in a VHF receiver front end could result in this:
Susceptibility of intermodulation interference from nearby transmitters.
29
If a receiver mixed a 13.8 MHz VFO with a 14.255 MHz receive signal to produce a 455 kHz intermediate frequency signal, what type of interference will a 13.345 MHz signal produce in the receiver?
An image response.
30
What is the primary purpose of an RF amplifier in a receiver?
To improve the receiver's noise figure.
31
What are the principal frequencies that appear at the output of a mixer circuit?
The original frequencies and the sum and difference frequencies.
32
What degree of selectivity is desirable inn the IF circuitry of a wideband FM phone receiver?
15 kHz.
33
What is the oscillator stage called i a frequency synthesizer?
VCO.
34
What is the primary purpose of an RF amplifier in a receiver?
To improve the receiver's noise figure.
35
What is meant by the term noise figure of a communications receiver?
The level of noise generated in the front end and succeeding stages of a receiver.
36
How much gain should be used in the RF amplifier stage of a receiver?
Sufficient gain to allow weak signals to overcome noise generated in the first mixer stage.
37
Which type of oscillator circuit is commonly used in a VFO (variable frequency oscilator)?
Colpitts.
38
What is an undesirable effect of using too wide a fiter bandwidth in the IF section of a receiver?
Undesired signals will reach the audio stage.
39
What might occur in a receiver if excessive amounts of signal energy overdrive the mixer circuit?
Spurious mixer products are generated.
40