G7A01 (B) What useful feature does a power supply bleeder resistor provide?
B. It ensures that the filter capacitors are discharged when power is removed
G7A02 (D) Which of the following components are used in a power supply filter network?
D. Capacitors and inductors
G7A03 (D) What is the peak-inverse-voltage across the rectifiers in a full-wave bridge power supply?
D. Equal to the normal peak output voltage of the power supply
G7A04 (D) What is the peak-inverse-voltage across the rectifier in a half-wave power supply?
D. Two times the normal peak output voltage of the power supply
G7A05 (B) What portion of the AC cycle is converted to DC by a half-wave rectifier?
B. 180 degrees
G7A06 (D) What portion of the AC cycle is converted to DC by a full-wave rectifier?
D. 360 degrees
G7A07 (A) What is the output waveform of an unfiltered full-wave rectifier connected to a resistive load?
A. A series of DC pulses at twice the frequency of the AC input
G7A08(C) Which of the following is an advantage of a switchmode power supply as compared to a linear power supply?
C. High frequency operation allows the use of smaller components
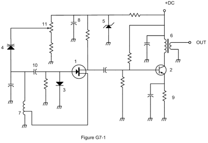
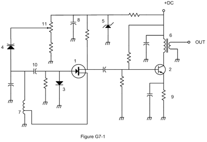
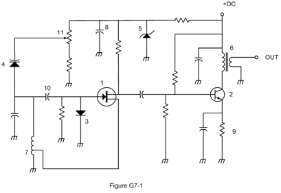
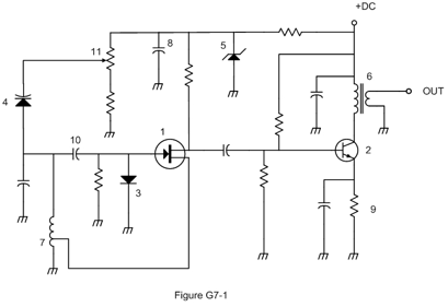
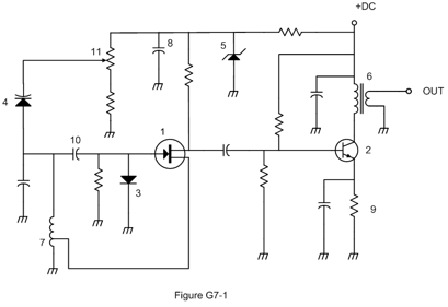
G7A09 (C) Which symbol in figure G7-1 represents a field effect transistor?

C. Symbol 1
G7A10 (D) Which symbol in figure G7-1 represents a Zener diode?

D. Symbol 5
G7A11 (B) Which symbol in figure G7-1 represents an NPN junction transistor?

B. Symbol 2
G7A12 (C) Which symbol in Figure G7-1 represents a multiple-winding transformer?

C. Symbol 6
G7A13 (A) Which symbol in Figure G7-1 represents a tapped inductor?

A. Symbol 7
G7B01 (A)
Complex digital circuitry can often be replaced by what type of integrated circuit?
A. Microcontroller
G7B02 (A)
Which of the following is an advantage of using the binary system when processing digital signals?
A. Binary “ones” and “zeros” are easy to represent by an “on” or “off” state
G7B03 (B)
Which of the following describes the function of a two input AND gate?
B. Output is high only when both inputs are high
G7B04 (C)
Which of the following describes the function of a two input NOR gate?
C. Output is low when either or both inputs are high
G7B05 (C)
How many states does a 3-bit binary counter have?
C. 8
G7B06 (A)
What is a shift register?
A. A clocked array of circuits that passes data in steps along the array
G7B07 (D)
What are the basic components of virtually all sine wave oscillators?
D. A filter and an amplifier operating in a feedback loop
G7B08 (B)
How is the efficiency of an RF power amplifier determined?
B. Divide the RF output power by the DC input power
G7B09 (C)
What determines the frequency of an LC oscillator?
C. The inductance and capacitance in the tank circuit
G7B10 (D)
Which of the following is a characteristic of a Class A amplifier?
D. Low distortion
G7B11 (B)
For which of the following modes is a Class C power stage appropriate for amplifying a modulated signal?
B. CW