Draw Full voltage starting
and primary resistance starting

Draw autotransformer and impedance starting

Draw solid start control

draw part winding starter

What is this

Full Voltage Starter
what is this

primary resistor starter
draw motor startedwith wye connected

Draw delta connected

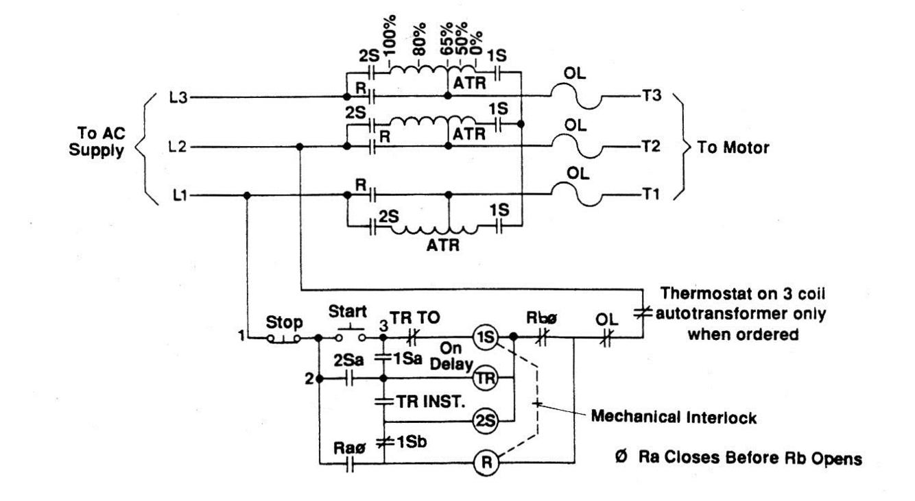
what is this

Autotransformer starter
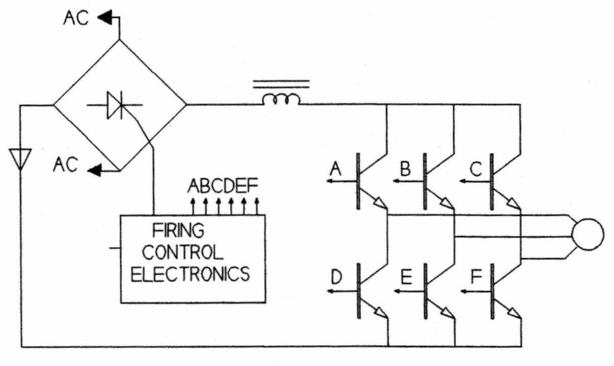
what is this

Variable Frequency Drive