Interfaces Flashcards

(30 cards)

1
Q

Was das klassische Konzept der Bus Systemarchitektur gibt es?

A

Anbindung direkt am Speicherbus

Anbindung direkt über einen I/O-Bus

Seperate Interfaces für hohe Performance (PCI)

How well did you know this?
1
Not at all
2
3
4
5
Perfectly
2
Q

Wie ist die Hierarchie der Bussysteme?

A

Interne Bussysteme(schnell, breit)
Speicherbusssysteme(mittel schnell, mittel breit)
Peripheriebussysteme
-Parallel (langsam, geringe breite)
-seriell (4 Leitungen, bidirektional, schnell)

How well did you know this?
1
Not at all
2
3
4
5
Perfectly
3
Q

Was sind asynchrone serielle Protokolle?

A

Tastatur, Maus, …
beide Partner haben gleich Frequenz eingestellt
UART oder HDLC

How well did you know this?
1
Not at all
2
3
4
5
Perfectly
4
Q

Was sind synchrone Protokolle?

A

Clock Signal benötigt

Alle Signale an fallender oder steigender Flanke der Clock

How well did you know this?
1
Not at all
2
3
4
5
Perfectly
5
Q

Welche parallelen Busse gibt es?

A

ISA, Micro Channel, EISA Bus, NuBus, PCI, PCI-X, PCI-extended, PCI Express

How well did you know this?
1
Not at all
2
3
4
5
Perfectly
6
Q

Was ist PCI Express

A

Serielle Punkt-zu-Punkt (Lanes) Verbindung geschaltet über Switch
Voll-duplex
PCIe 5.0 32GHz
Zusammenfassung von Lanes: x1, x4, x8, x16
maximal bei Burst: 64GByte/s

How well did you know this?
1
Not at all
2
3
4
5
Perfectly
7
Q

Was ist SCSI?

A

Small Computer System Interface
paralleles Interface bis 320MByte/s
bis 160MHz, 16Bit

Serielles Interface: Serial Attached SCSI -> SAS
-2*3Gbit/s duplex
Punkt-zu-Punkt

How well did you know this?
1
Not at all
2
3
4
5
Perfectly
8
Q

Welche SCIS Bus Phasen gibt es?

A
Bus frei
Arbitrierung
Selection
Reselection
Command
Data
Status
Message
How well did you know this?
1
Not at all
2
3
4
5
Perfectly
9
Q

Was ist ATA?

A

Advanced Technology Attachement

How well did you know this?
1
Not at all
2
3
4
5
Perfectly
10
Q

Was ist SATA

A

Serial Advanced Technology Attachement

Probleme mit zu vielen parallelen Lines bei ATA
hot plugging
SATA 3.0 6Gbit/s

How well did you know this?
1
Not at all
2
3
4
5
Perfectly
11
Q

Worin sind SAS und SATA günstig?

A

SATA günstiger in:

  • Basis Anwendungen
  • PCs

SAS günstiger in:

  • Speicher Systemen
  • Backup Systemen
How well did you know this?
1
Not at all
2
3
4
5
Perfectly
12
Q

Welche Versionen gibt es von Thunderbolt?

A
Thunderbolt 1 (Apple/Intel)
-2 bidirektionale Channel, jeder 10Gbit/s
Thunderbolt 2
-1 bidirektionaler Channel, 20GBit/s
Thunderbolt 3
-kompatibel zu USB3.1
-1 bidirektoinaler Channel, 40Gbit/s
-power supply 100 W
-Display & PCI Express
How well did you know this?
1
Not at all
2
3
4
5
Perfectly
13
Q

Was ist Fibre Channel?

A

In SAN und Mainframes
100GBit/s
Stern, P2P, Ring Topologie

How well did you know this?
1
Not at all
2
3
4
5
Perfectly
14
Q

Wofür wird Fibre Channel genutzt?

A

Verbindung mehrere Rechner mit mehreren Speichersystemen

über Ethernet implementierbar

How well did you know this?
1
Not at all
2
3
4
5
Perfectly
15
Q

Was ist USB?

A
Universal Serial Bus
leicht nutzbar,
günstig
Realzeit für Video
Standardstecker
Kompatibilität älterer Versionen
How well did you know this?
1
Not at all
2
3
4
5
Perfectly
16
Q

Was sind Anwendugenn für USB?

A

Low Speed: Keyboard
Full Speed: Microphone
High Speed: video, storage

17
Q

Was ist die neuste USB-Version?

A

Version 4
40Gbit/s
Type C

18
Q

Was sind Unterschiede zwischen parallelen Bussen und seriellen Bussen?

A

Parallel:

  • viele technische Probleme (Jitter, Skew)
  • in Chips verwendet

Seriell:

  • wenig Timing Probleme
  • einfach handzuhaben
19
Q

Welche Tranfer Typen hat USB?

A

Control Transfer
Isochronous transfer
Interrupt transfer
Mass Transfer / Bulk Transfer

20
Q

Wie werden DRAM gelesen und beschrieben?

A

Interner Zugriff immer asynchron
Sequentielle Adressierung (MUX)
-RAS (Row Address Strobe: Wortleitung)
-CAS (Column Address Strobe: Bitleitung)

Adresswert:

  1. Adresse der Wordline
  2. Adresse der Bitline

WriteEnable WE
Datenleitung (Dout, Din

21
Q

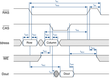
Wie ist der Lesezyklus bei DRAM?

A
  • Anlegen der Reihenadresse
  • RAS(neg) -> 0; Reihenadresse wird übernommen
  • Anlegen der Spaltenadresse
  • CAS(neg) ->0; Spaltenadresse wird gelesen
  • einige Zeit später werden Daten gültig: Dout
22
Q

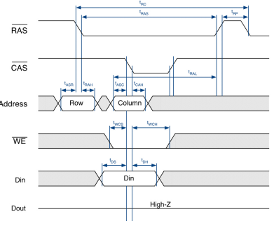
Wie ist der Schreibzyklus bei DRAM?

A
  • Anlegen der Reihenadresse
  • RAS(neg) -> 0; Reihenadresse wird übernommen
  • Anlegen der Spaltenadresse
  • CAS(neg) ->0; Spaltenadresse wird gelesen
  • Bereitstellung der Daten vor fallender Flanke von CAS(neg)
  • WE(neg) = 0 vor der fallenden Flanke von CAS(neg)
  • Datenübernahme mit der fallenden Flanke von CAS(neg)
23
Q

Wie funktioniert die Refresh-Steuerung?

A

Anzeige durch RAS ohne folgendes CAS(neg) Signal

Reihenadresse wird mit der fallenden Flanke von RAS(neg) übergeben

24
Q

Was sind asynchrone DRAM?

A

Steuerung erfolgt durch bestimmte Sequenzen von Signalflanken
Timing entscheidet über Funktion
Refresh durch Signale gesteuert

25
Was sind Synchrone DRAMs?
Steuerung erfolgt durch Befehle Taktsynchron Bursts einfach möglich Prozessor nicht blockiert
26
Welche DDR SDRAM Arten gibt es?
DDR1 DDR2: höhere Taktrate, breiteres Interface DDR3: doppelt so breit wie DDR2, 8x Prefetch
27
Was ist Rambus?
Synchroner DRAM, basierend auf Firma RAMBUS RDRAM > XDR > XDR2 Serieller Bus
28
Welche Bauformen gibt es bei Speichermodulen?
SIMM: Single Inline Memory Module DIMM: Dual inline Memory Module SO-DIMM: Small Outline DIMM (Laptop
29
Welche Speicherparameter gibt es?
``` Speicherkapazität Leitungen Übertragungsrate Adressierung Timing Fehlererkennung und -korrektur ```
30
Welche zukünftigen Entwicklungen gibt es?
memory cubes Stacked DRAM-Dies L4 Chache stacked on memory