what is this valve and what are its conditions

normally closed
pilot pressure to open valve is sensed from both the motor inlet and outlet
connected in series with actuator return line
check valve is required to allow reversible actuators to return
what is this valve and what are its conditions

counterbalance valve
normally closed
pilot sensed upstream
connected in series with actuator return line
check vavle required for reversable actuators to return
what is this valve and what are its conditions

sequence vavle
normally closed
inlet port is connected in parallel with function to be operated first in the sequence
outlet port is connected to the circuit to be operated second
drain line required to allow internal leakage to return to tank
check valve is required for reversible actuators
what is this vavle and what are its conditions

pressure reducing valve
normally open
pilot pressure to close the valve is sensed downstream
inlet port is connected to system pressure
outlet port is connected to the circuit to be operated at reduced pressure
drain line rquired to allow internal leakage to return to tank
what is this valve and what are its conditions

unloader valve
normally closed
inlet is connected in parallel with the system it unloads
outlet is connected to tank
always used in conjuntion with a check valve
pilot pressure is sensed from the high pressure side of the check valve
what is this valve and what are its conditions

pressure relief valve
normally closed
pilot pressure to open valve is sensed upstream
inlet to valve is connected in parallel with system it protects
outlet port returns to tank
what is this valve and what are its conditions

lock valve
holds a suspended load in the event of a line rupture
prevent load from drifting due to internal leakage
prevent the load from overspeeding the actuator
also called pilot operated check valves
what type of directional control

open center
series passageway
closed port
what is this and what is it used for

pressure compensated Bypass type flow control valve
delivers set amount of flow to a actuator and dumps the rest to tank
commonly udes with fixed displacement pumps
normaly closed
pilot sensed upstream

restrictor type prpilot pressure comensated flow control
used with pressure compensated variable displacement pump
normaly open
pilot pressure sensed downstream

priority flow control valve
normally closed
pilot sensed upstream
sends oil to main circuit first before secondary
used with streering circuits
non adjustable orifice
what is this valve

rinproportional flow divider
splits single flow into two or more circuits
pressure compensated

closed center
closed port

closed center
open port
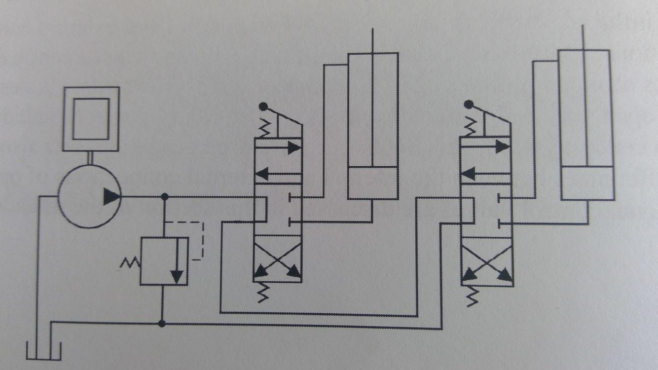
name the directional control valve actuations

1 mechanical lever
2 foot pedal
3 pilot oil
4 push button
5 solinoid discrete
6 solinoid proportional

pressure compensated variable displacement pump
what type of directional control valve and what are the check balls

open center closed port
three position four way
load check
anticavitation on a circuit relief

open center open port

diverter valve
what typr of directional control system

series passageway
open center closed port
what type of directional control valve is this

tandem center
open center closed port
what type of directional control valve is this

series parallel
open center closed port
what type of hydraulic system is used on a wheel loader
open center hydraulic system
or constant flow type
what type of hydraulic system is used on a excavator
constant horsepower open center
used with a variable displacement pump