Find force for Ra and Rb


What does the shear diagram look like for this problem?


What does the moment diagram look like for this problem?


Solve the moment for the problem

72000 ft#

What’s the shear diagram for the problem


What is this referring to?

Elastic Curve

What is the moment diagram for the problem?

Negative moments start of negative!

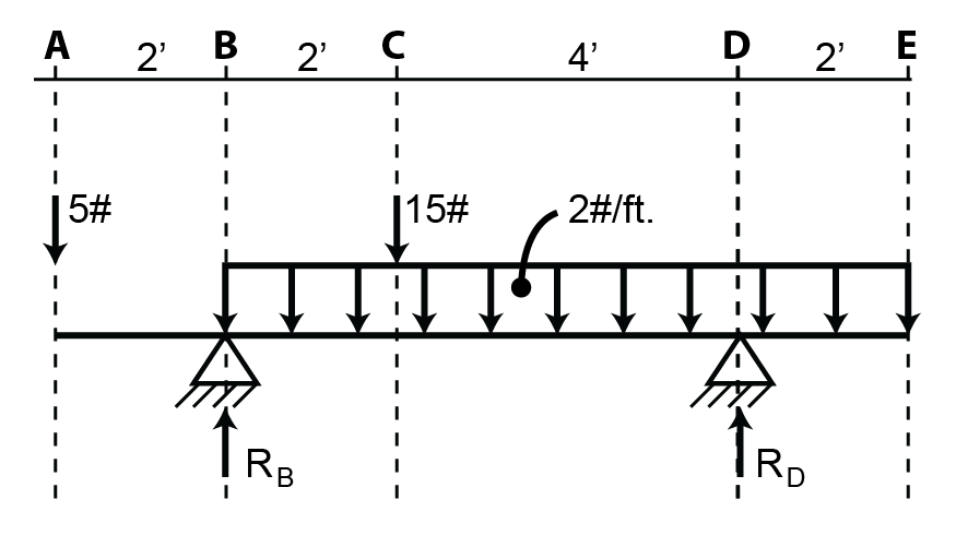
Solve for reaction at point B and D

Reaction B = 22 lbs
Reaction D = 14 lbs

What does the shear diagram look like for this problem?


What does the moment diagram look like for this problem?


All trusses members experience what type of load?
AXIAL
tension or compression
All truss joints have what type of connection?
Pinned Joint
Meaning there is no moment resistannce
Note that there is still rotation
When using the method of section in truss analysis, calculating a force that is negative indicates that the axial force is in compression or tension?
COMPRESSION