Module 3: Amplifiers Flashcards

(33 cards)

1
Q

What are the three main properties of a transistor amplifier?

A

Input resistance, output resistance, and gain.

How well did you know this?
1
Not at all
2
3
4
5
Perfectly
2
Q

Gain is the ratio of _____ divided by ______.

A

Output; input

How well did you know this?
1
Not at all
2
3
4
5
Perfectly
3
Q

What is DC biasing, and why is it needed in a transistor amplifier situation?

A

For a transistor to amplify its input signal, it must be in the ACTIVE region (that is, above the cut-in voltage level, and below the minimum saturation voltage level). For maximum amplification, this ideal DC bias (or Q-point), is half-way across the load line curve.

How well did you know this?
1
Not at all
2
3
4
5
Perfectly
4
Q

Why is small signal transistor ac analysis useful?

A

A transistor behaves very differently with a high-frequency ac input as opposed to a DC input.

How well did you know this?
1
Not at all
2
3
4
5
Perfectly
5
Q

What are the three rules when converting a DC transistor circuit diagram to that of a small signal ac version?

A

1) any fixed voltages are regarded as ground 2) any capacitors may be shorted 3) the transistor is replaced by a current source (hfe) and its base-emitter resistance (hie)

How well did you know this?
1
Not at all
2
3
4
5
Perfectly
6
Q

What is ‘h(ie)’, and what is its formula?

A

The input impedance of the equivalent ac transistor model.

h(ie) = 26e-3 / I(b)

How well did you know this?
1
Not at all
2
3
4
5
Perfectly
7
Q

What is ‘h(fe)’?

A

The ‘forward current transfer ratio’ (dimensionless). It is approximately equal to the DC ‘beta’ or ‘gain’ value.

How well did you know this?
1
Not at all
2
3
4
5
Perfectly
8
Q

What are the ‘h’ abbreviations in the small signal ac analysis model?

A

The “h” stands for “hybrid”, because the parameters are a mix of impedance, admittance, resistance, and dimensionless units.

How well did you know this?
1
Not at all
2
3
4
5
Perfectly
9
Q

What is ‘gm’?

A

Transconductance g(m) = i(out) / v(in)

How well did you know this?
1
Not at all
2
3
4
5
Perfectly
10
Q

What’s a coupling capacitor, and why is it important in transistor amplifiers?

A

To allow the coupling of signals between stages without the d.c. conditions of each stage affecting each other (capacitors are essentially short circuits with ac)

How well did you know this?
1
Not at all
2
3
4
5
Perfectly
11
Q

Draw a Bode plot (i.e. frequency response curve) of a coupling capacitor. Label the gain/decade at appropriate points.

A
How well did you know this?
1
Not at all
2
3
4
5
Perfectly
12
Q

What is the ‘break point’ of a frequency response graph of a coupling capacitor? How does this affect amplifier designs?

A

The point where the capacitor no longer changes its gain as its input frequency changes (typically at low frequencies). Amplifiers must use coupling capacitors in their STABLE state! Avoid the sloping part of the curve.

How well did you know this?
1
Not at all
2
3
4
5
Perfectly
13
Q

What is an emitter-bypass capacitor, and why is it useful? Draw a diagram of: a) an example of it in a circuit; and b) its effective circuit at high and low frequencies

A

A capacitor across the emitter resistor to ground.

It gives a high gain in voltage (at high frequencyes), whilst retaining the advantages of having an emitter resistor (dc biasing stability) at low frequencies or dc conditions.

How well did you know this?
1
Not at all
2
3
4
5
Perfectly
14
Q

What are some basic steps to determine what the role of a capacitor might be in an amplifier circuit?

A

Size: if in pF, it’s likely absorbing some noise; if in uF, it has a large effect on the circuit i.e. frequency response.

Location: if going to ground, it might be some for an ac short or noise absoprtion - if in series with signal, might be a coupling capacitor or high pass filter.

How well did you know this?
1
Not at all
2
3
4
5
Perfectly
15
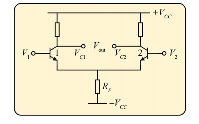
Q

What’s a differential amplifier? Draw a basic circuit diagram.

A

Has two inputs and amplifies the difference between those two inputs.

How well did you know this?
1
Not at all
2
3
4
5
Perfectly
16
Q

Why does a differential amplifier have a the emitter-resistor in common for both transistors?

A

To try and keep the total current through Re constant.

17
Q

Define the Common Mode Rejection Ratio.

A

If a signal is applied equally to both inputs of an op amp, so that the differential input voltage is unaffected, the output should not be affected. In practice, changes in common mode voltage will produce changes in output. The op amp common-mode rejection ratio (CMRR) is the ratio of the common-mode gain to differential-mode gain.

18
Q

What’s the formula for the CMRR? Draw a diagram showing the difference between the two types of gain.

A

CMMR = Difference gain (hopefully high) / common gain (hopefully low)

19
Q

What’s a typical CMRR figure for an op-amp?

20
Q

What would the gain be if one were to take an output between ONE collector and ground, and why?

A

Half that of the full gain

Due to Re, the current is halved between both transistors. Take out one transistor, and you have half the gain!

21
Q

What is the purpose of this circuit?

A

Constant current source

V(base) = constant

22
Q

What is the conceptual difference between a power amplifier and a regular transistor amplifier?

A

A transistor amplifier’s main purpose is to amplify voltage, and are very inefficient - generally ~11%.

Power amplifiers need to output lots of power (generally by increasing the size of the output current). They are more efficient (~20% for class A).

23
Q

Why are transistor amplifiers so inefficient? Explain.

A

A biased transistor needs a low of power supplied to it just to run at its bias point.

An rms signal requires very little power to amplify.

Efficiency = in / out, hence very inefficient.

24
Q

Where does the lost energy go in a power amplifier?

A

~25% = heat in transistor

~50% = DC heat in resistor

~25% = AC heat in resistor

25
State the type of amplifier, as well as its gain equation.
Inverting op-amp; Gain = R(f) / R(in)
26
State the type of amplifier, as well as its gain equation.
Non-inverting op-amp; Gain = {R1 + R(f)} / R1
27
State the type of amplifier.
Differential op-amp
28
What does this circuit do (i.e. what is it called?)
Integrating op-amp
29
What does this circuit do (i.e. what is it called?)
Summing op-amp
30
What are some losses in an actual op-amp?
* *transistor bias current* - transistors inside op-amp need a DC bias. * *input offset error -* CMRR
31
How does one mitigate the transistor bias current in an op-amp?
Compensating resistor
32
What is the 'corner (aka 3dB) frequency' in the context of a transistor amplifier? What is its formula?
The point where an amplifier switches from its 20dB/decade steady gain to a stable 'mid-band' gain (the area in which we want to use it). f(corner) = 1/2pi \* R(in) \* C(in)
33
What is the formula for the input resistance of your classic transistor amplifier?
where R(b) = R1 // R2