Module 4 EMF and Internal Resistance Flashcards

(21 cards)

1
Q

What is internal resistance?

A

the resistance within power supplies (or wires within a circuit)

How well did you know this?
1
Not at all
2
3
4
5
Perfectly
2
Q

What is the effect of internal resistance?

A

Reduces PD available to circuit

How well did you know this?
1
Not at all
2
3
4
5
Perfectly
3
Q

What causes internal resistance?

A

work being done by the charges as the move through the power source or wires

How well did you know this?
1
Not at all
2
3
4
5
Perfectly
4
Q

What is terminal PD?

A

PD available to the external circuit

How well did you know this?
1
Not at all
2
3
4
5
Perfectly
5
Q

When does internal resistance not apply?

A

when there is no current being drawn

How well did you know this?
1
Not at all
2
3
4
5
Perfectly
6
Q

What is lost volts?

A

PD lost in the power source due to internal resistance

How well did you know this?
1
Not at all
2
3
4
5
Perfectly
7
Q

What is the symbol for internal resistance?

A

r (lower case r)

How well did you know this?
1
Not at all
2
3
4
5
Perfectly
8
Q

How can lost volts be calculated?

A

I x r (current x internal resistance)

How well did you know this?
1
Not at all
2
3
4
5
Perfectly
9
Q

What happens with increasing internal resistance?

A

terminal p.d drops

How well did you know this?
1
Not at all
2
3
4
5
Perfectly
10
Q

How to draw a battery with internal resistance?

A
How well did you know this?
1
Not at all
2
3
4
5
Perfectly
11
Q

What is ε?

A

EMF of the battery

How well did you know this?
1
Not at all
2
3
4
5
Perfectly
12
Q

What is V?

A

terminal PD in a circuit

How well did you know this?
1
Not at all
2
3
4
5
Perfectly
13
Q

What is the EMF equation?

A

ε = V + Ir

ε is EMF
V is terminal PD
I is current
r is internal resistance

How well did you know this?
1
Not at all
2
3
4
5
Perfectly
14
Q

Factorise ε=V+Ir

A

V = IR where R is the resistance of the circuit
ε = IR + Ir (current is same through circuit and power source)
ε=I(R+r)

How well did you know this?
1
Not at all
2
3
4
5
Perfectly
15
Q

What is the effect of connecting identical cells in series

A

increases available emf (add EMFs)
also increases internal resistance (add in series),
therefore limiting the current that can be produced (less current)

How well did you know this?
1
Not at all
2
3
4
5
Perfectly
16
Q

What is the effect of connecting identical cells in parallel

A

Produce the same emf as one cell

much smaller internal resistance (adding resistors in parallel decreases resistance)

Provides a greater current

17
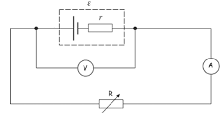
Q

Describe (or draw) the circuit used to find the internal resistance of a battery

A

A battery (with internal resistance) in series with a variable resistor and an ammeter, with a voltmeter in parallel with the battery

18
Q

Describe the measurements which would be taken to find the internal resistance of a battery

A

Using a voltmeter, measure the pd across the battery whilst changing current using a variable resistor

Use the ammeter in series to measure the current

Use this information to plot a graph of V on the y-axis and I on the x
gradient = -r

19
Q

Explain, by using an internal resistance equation, how using a graph of V terminal PD on the Y-axis and I on the x, we can find the internal resistance of a battery and it’s EMF

A

rearrange ε=V+Ir to match y=mx+c

V=-rI + ε

We can see that the graph will give us a gradient of -r (r is positive of this) and the y intercept is the EMF of the source

20
Q

What is the effect on terminal PD and lost volts of increasing the current?

A

As the current through the cell/battery/power source increases the terminal pd decreases

Meaning lost volts increases with current

When current is zero the terminal pd=EMF of cell. Lost volts = 0

21
Q

When is the power output of a variable resistor highest for a circuit with internal resistance?

A

when R=r

R resistance of whole circuit
r internal resistance of power supply