Identify the dimensions (place image)

A: 4” minimum, 7” maximum B: 11” minimum C: 12” minimum D: 12” + tread width
Identify the dimensions for accessible door clearance.

A: 60” B: 48” C: 18” D: 12”
Identify the dimensions for accessible wayfinding for the visually impaired.

A: 3/8” B: 3/8”
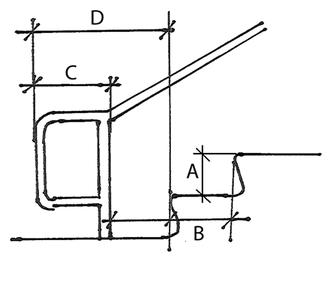
Identify the dimensions.

A: 27” maximum B: 80”
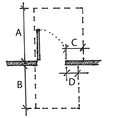
Identify the dimensions for accessible threshold clearance.

A: 1:2 slope B: 3/4” maximum C: 1/4” maximum
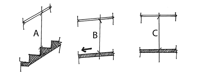
Identify the rail height for stairs, ramps, and walking surfaces.

A: 34” - 38” B: 34” - 38” C: 34” - 38”
Identify the dimensions for accessible elevator design.

A: Call button, 15”-48” (typically placed at 42”, measured to centerline of top button). B: Floor Designator, 60” to center, 2” minimum number height with braille below C: Hall Lantern, 72: minimum to center line
Common noise levels by decibels (dB). At what level is residential no longer recommended?
Beyond 65 dB is not recommended for dwelling use. (image)

Identify the dimensions for an accessible bathroom.

A: 42” minimum B: 12” C: 17”-19” D: 33”-36”
Energy Model
A mathematical computer simulation of a building’s energy use for heating, cooling, and lighting used to help choose optimum HVAC and lighting systems. Calculations are based on envelope composition (foundation, wall, and roof construction, insulation, windows, etc.) and assumptions for the HVAC and lighting systems.
What are the FHA (Fair Housing Act) requirements regarding accessibility for nonelevator buildings?
Only ground floor units are covered. Exempts owner occupied buildings with no more than four units, single-family housing sold or rented without the use of a broker, and housing operated by organizations and private clubs that limit occupancy to members.
FHA (Fair Housing Act) design and construction requirements apply to which buildings?
They apply to all new multi-family housing consisting of four or more dwelling units, if such buildings have one or more elevators, and all ground floor dwelling units in other buildings containing four or more units. (To be a covered unit, all of the finished living space must be on the same floor, that is, be a single-story). Multi-story dwelling units are not covered by the guidelines, except when they are located in buildings that have one or more elevators, therefore covering the primary entry level.
What are the IBC (International Building Code) travel distances for a sprinklered and unsprinklered building?
Sprinklered building = 250’ Unsprinklered building = 200’.
What are the IBC (International Building Code) corridor and exit width requirements?
Corridor: 44” minimum Door width: an equation of 0.2” x (# of occupants), or 32” minimum; Stair width: an equation of 0.3” x (number of occupants), or 44” minimum.