A complete circuit starts at one end of a power supply and continues to the other end with no gaps.
Series circuits only have one route.
Parallel circuits have more than one branch.

What happens when more bulbs are added?
What happens when one bulb breaks?
As more bulbs are added, existing bulbs get dimmer.
(If the bulbs are identical they will have the same brightness as each other.)
If one bulb breaks, the rest go out.
What happens when more bulbs are added?
What happens when one bulb breaks?
As more bulbs are added, there is no change in the brightness of existing bulbs.
(If the bulbs are identical they will have the same brightness as each other.)
If one bulb breaks, the rest are unaffected.



Neat circuit diagrams should be drawn with a pencil and a ruler, making sure the symbols are correct and that there are no gaps. The wires are drawn as straight lines with right angles. Symbols are not placed in corners. e.g.

A conductor is a material which allows electricity to flow
e.g. copper, iron
An insulator is a material which does not allow electricity to flow
e.g. rubber, glass.
Electrical current is a flow of charge.
Usually the charges are electrons, which flow away from the negative end of a battery and towards the positive.
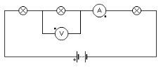
An ammeter (to measure current) is always added in series and a voltmeter (to measure voltage) in parallel. E.g.

In a series circuit the current is the same at all positions.
The sum of the voltages across components in series is equal to the supply voltage.
9.&10. Example
A 5.5V battery is connected across 2 bulbs in series.
Bulb 1 has a voltage of 2V. What is the voltage across bulb 2?
The current through bulb 1 is 2A. What is the current through bulb 2?
V<sub>S</sub> = 5.5V (s for supply) V<sub>1</sub> = 2V V<sub>2</sub> = ?
V<sub>S</sub> = V<sub>1 </sub>+ V<sub>2</sub> 5.5 = 2 + V<sub>2</sub> V<sub>2</sub> = 5.5 - 2 = 3.5V
I2 = I1 = 2A
The sum of the currents in parallel branches is equal to the supply current.
The voltage across components in parallel is the same as the supply voltage for every component.
11.&12. Example
What will the voltmeter and ammeter in this circuit read?

The voltmeter will read 3V since the voltage across every component is the same as the supply voltage.
I<sub>S</sub> = 0.6A (s for supply) I<sub>1</sub> = 0.1A I<sub>2</sub> = ? I<sub>3</sub> = 0.2A
IS = I1 + I2 + I3
0.6 = 0.1 + I2 + 0.2 = 0.3 + I2
I2 = 0.6 – 0.3 = 0.3A
The ammeter will read 0.3A
When more than one switch is connected in series they all have to be closed to complete the circuit and allow current to flow.
When more than one switch is connected in parallel, any one (or more) can be closed to complete the circuit and allow current to flow.
Electrical resistance is the ability of an object to reduce (or oppose) the flow of current.
Voltage and current are directly proportional for a resistor.
OR The voltage divided by the current will always give the same answer for a resistor.
A graph of V versus I will be a straight line through the origin:

Resistance is defined as R=V/I
V = IR
V - Voltage (V)
I - Current (A)
R - Resistance (Ω Ohms)
Calculate the voltage across a 6 Ω resistor when 2 A of current flow.
R = 6 Ω I = 2 A V = ?
V = IR V = 2x6 V = 12 V