section 6 - Electricity Flashcards

(329 cards)

1
Q

What is electric current?

A

Net flow of charged particles

How well did you know this?
1
Not at all
2
3
4
5
Perfectly
2
Q

What is the metal wire made up of?

A

A lattice of positive ions, surrounded by ‘free electrons’

How well did you know this?
1
Not at all
2
3
4
5
Perfectly
3
Q

How do ions move in a metal wire?

A

They vibrate about fixed positions

How well did you know this?
1
Not at all
2
3
4
5
Perfectly
4
Q

How do electrons move in a wire?

A

They are free to move from one ion to another

How well did you know this?
1
Not at all
2
3
4
5
Perfectly
5
Q

What happens to electrons when a battery is connected to a wire?

A

Free electrons are repelled by the negative terminal and attracted to the positive

How well did you know this?
1
Not at all
2
3
4
5
Perfectly
6
Q

What is drift velocity?

A

When a wire is connected to a battery and electrons move randomly, but in the same direction

How well did you know this?
1
Not at all
2
3
4
5
Perfectly
7
Q

At what point is there a current in a wire?

A

When electrons move in the same direction (electrons carry charge, current = flow of charge)

How well did you know this?
1
Not at all
2
3
4
5
Perfectly
8
Q

How does electric current flow through liquids?

A
  • electrolyte (e.g. salt solution)

* when power supply connected, +ve ions move to -ve terminal and vice versa

How well did you know this?
1
Not at all
2
3
4
5
Perfectly
9
Q

The equation for current is found on the data sheet , what do the symbols stand for?
I= ▲Q / ▲T

A
I= ▲Q / ▲T 
I= current (amps) 
▲Q= charge (coulombs) 
▲T= time (seconds)
How well did you know this?
1
Not at all
2
3
4
5
Perfectly
10
Q

How is the coulomb defined?

A

The quantity of electric charge that passes a point in a circuit in 1s when a current of 1A is present

How well did you know this?
1
Not at all
2
3
4
5
Perfectly
11
Q

What direction does the current go in?

A

In the direction of positive charge

How well did you know this?
1
Not at all
2
3
4
5
Perfectly
12
Q

How is the ohm defined in words?

A

A conductor has resistance of 1Ω if a current of 1A flows across when a p.d. of 1V is applied

How well did you know this?
1
Not at all
2
3
4
5
Perfectly
13
Q

How is the ohm defined in an equation?

A

1Ω = 1V / 1A

How well did you know this?
1
Not at all
2
3
4
5
Perfectly
14
Q

What is Ohm’s Law?

A

provided physical conditions are constant the Current through a wire is proportional to the p.d. across it

How well did you know this?
1
Not at all
2
3
4
5
Perfectly
15
Q

What are Ohmic conductors?

A

Materials that obey Ohm’s law

How well did you know this?
1
Not at all
2
3
4
5
Perfectly
16
Q

What are the charge carriers in metals?

A

Conduction electrons

How well did you know this?
1
Not at all
2
3
4
5
Perfectly
17
Q

What are the charge carriers in a salt solution?

A

Ions

How well did you know this?
1
Not at all
2
3
4
5
Perfectly
18
Q

What is the convention for the direction of a current in a circuit?

A

Positive to negative

How well did you know this?
1
Not at all
2
3
4
5
Perfectly
19
Q

What can materials be classified as in electrical terms?

A

Conductors, insulators or semiconductors

How well did you know this?
1
Not at all
2
3
4
5
Perfectly
20
Q

How is potential difference defined?

A

As the work done (or energy transfer) per unit charge

How well did you know this?
1
Not at all
2
3
4
5
Perfectly
21
Q

What is resistance caused by?

A

The repeated collisions between the charge carriers in the material with each other and with the fixed ions of the material

How well did you know this?
1
Not at all
2
3
4
5
Perfectly
22
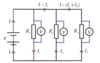
Q

How is the resistance of any component defined?

A

The p.d. across the component / the current through it

How well did you know this?
1
Not at all
2
3
4
5
Perfectly
23
Q

How is an Ohmic conductor represented on an I-V graph?

A

A straight line through the origin

How well did you know this?
1
Not at all
2
3
4
5
Perfectly
24
Q

How will an I-V graph show that a component is obeying Ohm’s Law?

A

Straight line through the origin

How well did you know this?
1
Not at all
2
3
4
5
Perfectly
25
Why does a straight line through the origin on an I-V show that Ohm's Law is being obeyed?
Gradient is constant so resistance is constant - for both directions of current flow
26
What is the I-V graph for a filament lamp?
A curve
27
What does the curved graph for a filament lamp mean?
Resistance increases as current increases
28
For a filament lamp, why does resistance increase as current increases?
The current has a heating effect
29
What is the I-V graph for a semiconductor diode?
Reverse bias for a negative p.d. and forward biased p.d. of 0.6V needed before diode conducts in forward direction
30
For which component's graph showing I-V characteristics can the gradient be used for resistance for all values?
For ohmic conductors - for filament lamps and diodes, read values off the graph for R at a certain point
31
what are diodes?
diodes only let current flow in one direction
32
What is resistance proportional to, in terms of length and area?
Resistance of a uniform conductor is ∞ to length and 1/∞ to its cross sectional area
33
The equation for resistivity is found on the data sheet, waht do the symbols stand for? ρ = RA / L
``` ρ = RA / L ρ = resistivity (ohm meters) R= resistance (ohms) A= cross sectional area (meters squared) L= length (m) ```
34
How can resistivity be defined?
As numerically equal to the resistance of a sample of the material of unit length and unit cross-sectional area at a particular temperature
35
Typical value of resistivity of copper at 20°C?
Good conductor - 1.7x10^-8 Ωm
36
Typical value of resistivity of nichrome at 20°C?
Conductor - 1.1x10^-6 Ωm
37
Typical value of resistivity of silicon at 20°C?
Semiconductor - 2.3x10^3 Ωm
38
what is glass at 20°C?
Insulator - 1.0x10^12 Ωm
39
A wire of uniform cross-section has a resistance of RΩ. What would be the resistance of a similar wire, made of the same material, but twice as long and twice the diameter?
1/2 RΩ
40
A wire of uniform cross-section has a resistance of RΩ. It is drawn to three times the length, but the volume remains constant. What will be its resistance?
9 RΩ
41
In general, how are resistivity and temperature of metals linked?
As temperature ↑, resistivity ↑
42
What happens, in metals at high temperatures, to resistance as temperature increases?
Resistance increases linearly with temperature
43
What does increased temperature mean for particles within a wire?
Ions vibrate faster, with greater amplitude, so it's more difficult for the electrons to pass through the lattice (resistance ↑)
44
When can a metal become a superconductor?
Below its critical temperature
45
What does it mean if a metal becomes a superconductor?
It loses all of its resistance
46
Why do superconductor wires not become hot?
As electrons can flow through them without any transfer of energy
47
What are the particles like in insulators at room temperature?
There are few free electrons available for conduction
48
What are the particles like in insulators at high temperatures?
Some electrons have enough energy to 'escape' from their atoms and the insulator is able to conduct
49
What happens to resistance in insulators as temperature increases?
Resistance decreases
50
What is one of the best known semiconductor materials?
Silicon
51
How are semiconductors at low temperatures?
Poor conductors
52
What happens in semiconductors as temperature rises?
Electrons break free from their atoms and so it becomes a better conductor
53
What happens when silicon reaches 150°C?
Breakdown occurs and it becomes permanently damaged
54
When might a semiconductor material become permanently damaged?
When it reaches a certain temperature (e.g. when silicon reaches 150°C)
55
What is the relationship between temperature and resistance for semiconducting materials?
As temperature ↑, resistance ↓ (for many)
56
For materials where temperature ↑ as resistance ↓, what is a term that can be used to describe them?
They have a negative temperature coefficient of resistance (NTC)
57
What is an NTC?
A negative temperature coefficient of resistance so resistance decrease as temp increases.
58
What are semiconductor materials used to make?
Thermistors
59
Is there a p.d. when a material is a superconductor?
No - as a current flows but resistance = 0
60
When will a superconductor lose its superconductivity?
When it raises above its critical temperature
61
What is electrical power?
The rate at which electrical energy is converted to other forms of energy
62
What is the unit of power?
The watt
63
What is 1J per second equivalent to?
1 W
64
what is the equation for energy not found on the data sheet? hint it's the easiest one
power = energy / time
65
whats the equation for energy transfer?
energy= power X time
66
The equations for power are found on the data sheet. what do the symbols stand for? p=VI= I²R = V²/R
``` p=VI= I²R = V²/R P= Watts V= voltage (volts) I= current ( amps) R= resistance (ohms) ```
67
The equation for v is found on the data sheet. what do the symbols stand for? V=W/Q
V=W/Q | voltage= work done (joules) / charge (coulombs)
68
What happens in terms of energy transfers when current flows through a resistor?
Electrical energy is transferred to heat
69
In which direction is the conventional current?
The flow of positive charge
70
In liquids, gases and semiconductors, which particles move in the direction of the conventional current?
Positive ions
71
In liquids, gases and semiconductors, which way do charge carriers flow?
In the opposite direction to conventional charge
72
In metals, what is the only type of charge that flows?
Negative - as the only charge carrier is the electrons
73
How does the current behave in a series circuit?
It is the same at all points
74
How does the current behave in a parallel circuit?
Current leaving and returning to the supply is the sum of the currents in the separate branches
75
What is Kirchoff's first law?
The sum of the currents flowing into any junction in a circuit is equal to the sum of currents flowing out of that junction i.e. charge is conserved
76
What is Kirchoff's second law?
Around any closed loop in a circuit, the sum of the emfs is equal to the sum of the p.d.s
77
Explanation of Kirchoff's second law?
* we know that a coulomb gains electrical energy as it moves through each emf and loses electrical energy as it moves through each p.d. * after one loop of the circuit, the energy it has gained must be equal to the energy it has dissipated
78
What does emf stand for?
Electromotive force
79
If two identical lamps are connected in series, what is their brightness?
They are equally bright, but not as bright as if they were connected to the battery on its own e.g. total p.d. across both = 6V, and shared between 2 = 3V each
80
In a series circuit, what is the total p.d. equal to?
total p.d. across all components = sum of p.d.s across the separate components
81
When two identical lamps are connected in parallel, what happens to their brightness?
Each lamp is as bright as if it were connected to the battery on its own
82
What happens to p.d. in a parallel circuit?
It is the same across each branch
83
What model of energy transfer is used to explain why p.d. is equal across all branches in parallel?
* each coulomb transports all 6J of energy to the lamp * each lamp receives same energy as if it were connected to battery on its own * twice as many coulombs pass per second through the battery - so battery runs out more quickly
84
How is electromotive force defined?
The energy (chemical, mechanical, thermal etc,) converted into electrical energy when unit charge (ie 1C) passes through it
85
what are the equations for emf not found on the data sheet?
ϵ= I (r+R) found on data sheet ``` ϵ= V + v V = ϵ - Ir ``` ``` ϵ= e.m.f V= terminal pd v= lost volts I = current r= internal resistance ```
86
What is emf and what is p.d. in any closed loop?
emf - supply of electrical energy p.d. - conversion of electrical energy to other forms
87
For cells in series, how is total emf of their combination calculated?
By adding their individual emfs
88
For identical cells in parallel, how is total emf of their combination calculated?
Total emf is the same size as each of the cells individually
89
how to find the e.m.f and internal resistance and emf of a cell with a current vs p.d?
90
Why, for identical cells in parallel, is the total emf the same size as each of the cells individually?
Each charge only passes through one cell so gains energy from the single cell
91
Why, for a combination of cells in series, is the total emf calculated by adding the individual emfs?
Each charge passes through each cell so gains energy from all three
92
When resistors are in series, what is the current going through them and p.d. across them?
Current through each resistor is the same, and total p.d. across resistors is the sum of the p.ds across the separate resistors ie. V=V1+V2+V3
93
The resistance in a series equation is given on the data sheet. what do the symbols stand for? Rt=R1+R2+R3
Rt=R1+R2+R3 Rt= total resistance Rnumber= resistance of that component
94
When resistors are in parallel, what is the current going through them and p.d. across them?
Current in main circuit is the sum of the currents in each parallel branch, and p.d. across each resistor is the same
95
The equation for resistors in parallel is given on the data sheet. what do the symbols stand for? 1/Rt= 1/R1 + 1/R2 + 1/R3
``` 1/Rt= 1/R1 + 1/R2 + 1/R3 Rt= total resistance Rnumber= resistance of that component ```
96
In a simple potential divider (two resistors in series), what happens to p.d. when resistors are identical?
Resistors share voltage equally
97
In a simple potential divider (two resistors in series), one resistor has a value of 200Ω and the other 100Ω, and the emf is 6V. What is the p.d. through each resistor?
200Ω = 4V 100Ω = 2V
98
Equation to calculate output and input voltage in a potential divider?
Vₒᵤₜ = Vᵢₙ (R₁ / R₁+R₂)
99
What components can be used as sensors in electronic circuits?
Thermistors and light dependant resistors
100
As a thermistor cools, what happens to its resistance?
Resistance rises
101
As an LDR receives less light, what happens to its resistance?
Resistance rises
102
In a circuit diagram, what is a loop around a cell and a resistor showing?
They are one component; the resistor is the cells internal resistance
103
What is emf equal to?
Terminal p.d. + lost volts
104
What happens if a driver starts a car with the head-lamps on?
The current through the battery is so large that the 'lost volts' are high - even though the battery's internal resistance is low. Terminal p.d. drops and headlights dim.
105
What is emf equal to when there is no current in a cell?
The terminal p.d.
106
What is terminal p.d. ?
The p.d. across the terminals of the cell
107
What happens to p.d. as soon as current is drawn from the cell?
P.d. drops
108
Why does p.d. drop as soon as current is drawn from the cell?
The cell has internal resistance
109
What is an open circuit?
A circuit that is off, with no current
110
What is the p.d. defined as?
The amount of electrical energy changed to other forms of energy per coulomb of charge flowing between them
111
How can p.d. be defined using an equation?
p.d. = energy used by the component / charge passing
112
What does W equal in terms of I, t and V?
W = ItV
113
What is one volt?
The p.d. between 2 points in a circuit in which 1J of energy in converted to other forms when 1C of charge passes between them
114
How is the unit of 1V defined?
1J / 1C
115
Why is a loop drawn around E and r (battery and resistor)?
To show that they are one component
116
the equation for R is given on the data sheet. what do the symbols stand for? R=V/I
R=V/I R= resistance (ohms) V= voltage (volts) I= current ( amps)
117
the equation for ℰ is found on the data sheet. what do the symbols stand for? ℰ=E/Q ℰ=I(R+r)
ℰ=E/Q ℰ=I(R+r) ℰ= emf (volts) E= energy (joules) Q= charge (coulombs) I=current (amps) R= circuits resistance (ohms) r= internal resistance if the cell
118
what three equations of emf are not found on the data sheet?
ℰ=V + v ℰ=V= Ir V=terminal pd v= lost volts I= current r= internal resistance
119
whats rms voltage and currente? whats the equation?
VRMS= Vmax/ root2 IRMS=Imax/root2 rms is the average felt in an ac circuit
120
what are diodes?
diodes only let current flow in one direction
121
What is current?
The rate of flow of charge in a circuit.
122
What are the conditions for current to pass through a circuit?
* Circuit must be complete | * Source of p.d.
123
What is the unit for current?
Ampere (A)
124
What are charge carriers?
Charged particles that move around a circuit, allowing current to flow.
125
What are the charge carriers in metals?
Conduction electrons.
126
What are the charge carriers in a salt solution?
Ions.
127
What is the unit for charge?
Coulomb (C)
128
Which way does conventional current flow?
From + to - terminals.
129
Which way do electrons flow in a circuit?
From - to + terminals.
130
What must be remembered about the direction of current in a circuit?
* Although electrons flow from - to + terminals, this is not used. * Conventional current is in fact considered, which flows from + to - terminals.
131
What is the symbol for current?
I
132
What is the symbol for charge?
Q
133
What is an ampere defined by?
The magnetic force between two parallel wires when they carry the same current.
134
What is a coulomb defined as?
The amount of charge that passes in 1 second if the current is 1 ampere.
135
What is the equation relating charge, current and time?
Q = I x t Where: Q - Charge (C) I - Current (A) t - Time (s)
136
What device is used to measure current and how must it be connected?
* Ammeter | * Connected in series
137
Why can't current flow in an insulator?
* Each electron is attached to an atom and can't move away from the atom * Therefore, electrons can't flow
138
Why can current easily flow in a metallic conductor?
* Most electrons are attached to an atom, but some are delocalised * These delocalised electrons act as charge carriers
139
What is a semiconductor and why does it behave like this?
* Number of charge carriers increases with temperature -> Resistance decreases and resistivity decreases. * This is because as temperature increases, electrons break free and act as charge carriers
140
What is a pure semiconducting material called and why?
Intrinsic semiconductor (intrinsic means natural) -> Conduction is due to electrons that break free from atoms of the material
141
What are the uses of semiconductors?
Sensors for detecting changes in the environment (e.g. thermistors and diodes).
142
Give two examples of semiconductors.
Thermistors and diodes.
143
What must be done in order to make electric charge flow through a conductor?
Do work on it.
144
What is potential difference?
The work done (or energy transferred) per unit charge.
145
What is the unit for potential difference?
Volt (V)
146
What is the equation relating potential difference, work done and charge?
V = W / Q Where: V - Potential difference (V) W - Work done (J) Q - Charge (C)
147
What is the symbol for potential difference?
V
148
What device is used to measure potential difference and how must it be connected?
* Voltmeter | * In parallel
149
Describe the energy changes to an electron in a circuit.
* A battery transfers chemical energy to the electrons * Each electron has to do work to pass through a component and transfers energy to it * The battery resupplies electrons with energy
150
When a electron passes through a component, the work done by the electron is equal to...
The loss of energy.
151
Describe what potential difference is in terms of a electrons passing through a component.
* Each electrons has to do work to pass through a component (this is equal to the energy it loses) * The potential difference across a component is the work done per unit charge
152
What is a volt?
* The potential difference across a component is 1 volt when you convert 1 joule of energy moving 1 coulomb of charge through the component. * 1V = 1J/C
153
Describe and explain the energy changes in an electrical heater.
* Heater has high resistance * Charge carriers collide repeatedly with atoms in the device and transfer Ek to them * Atoms vibrate faster * Resistor heats up -> Transferred as thermal energy
154
Describe and explain the energy changes in an electric motor.
* Work done on motor = Energy transferred to the load and surroundings -> Constant speed * Electrons need to be forced through the wires of the spinning motor coil against the opposing force exerted by the magnetic field.
155
Describe and explain the energy changes in a loudspeaker.
* Work done is transferred as sound energy. * Electrons need to be forced through the wires of the speaker coil against the force on them due to the loudspeaker magnet.
156
For a particular potential difference across a component, what determines the current?
The resistance of the component.
157
What is resistance?
A measure of how difficult it is for current to pass through the component.
158
What is the unit for resistance?
Ohms (Ω)
159
What is the symbol for resistance?
R
160
What equation relates potential difference, current and resistance?
V = I x R Where: V - Potential difference (V) I - Current (A) R - Resistance (Ω)
161
What is an ohm?
A component has a resistance of 1Ω if a potential difference of 1V makes a current of 1A flow through it.
162
What an the resistance of a voltmeter and ammeter be assumed to be?
Voltmeter - Infinite | Ammeter - Zero
163
What is Ohm's law?
* Provided that the physical conditions (e.g. temperature) remain constant, the current through an ohmic conductor us directly proportional to the potential difference across it. * V = I x R
164
What causes resistance?
Repeated collisions between the charge carriers in the material with each other and the fixed ions in the material.
165
What is an ohmic conductor?
* A material or component that obeys Ohm's law. | * Has constant resistance, regardless of the current.
166
Describe the I/V graph for an ohmic conductor.
* Goes through the origin | * Straight line
167
Name two physical factors that could affect Ohm's law.
* Light level | * Temperature
168
What conditions must be met for Ohm's law?
* Ohmic conductor | * Constant physical conditions
169
Why must light levels and temperature be kept constant in experiments on ohmic conductors?
They could affect the resistance of the conductor.
170
Are most components ohmic conductors?
No, most are non-ohmic components and have their own I-V graph.
171
What does the term "I/V characteristic" refer to?
* A graph of I (y-axis) against V (x-axis) | * Shows how current through a component changes as the potential difference is increased.
172
On an I/V graph, what is on the x-axis?
V
173
On a V/I graph, what is on the x-axis?
I
174
Describe the circuit that can be used to determine the I/V graph for a component.
* Ammeter * Component * Voltmeter (across component) * Variable resistor * Battery
175
How can you find the resistance at a certain point on a V/I or I/V graph? How could you change voltage and current?
* Look at the value for V and for I * R = V/I Change resistance of variable resistor to change V and I.
176
On an I/V graph for an ohmic conductor, what does a steep gradient signify?
Low resistance
177
On an V/I graph for an ohmic conductor, what does a steep gradient signify?
High resistance
178
Describe the I/V graph for a filament lamp. | This is ohmic :
* Curve * Starts steep but gets shallower with voltage * Rotated around origin
179
Why isn't a filament bulb an ohmic conductor (in terms of pd and temperature and resistance)?
The wire heats up with current and potential difference, causing the resistance to increase.
180
Explain how and why the resistance of a filament lamp changes as potential difference is increased.
* As potential difference increases, so does current. * Increasing current means that some electrical energy is transferred into heat energy, increasing the metal's temperature (due to electron-ion collisions). * Positive ions in metal vibrate more -> More difficult for charge carriers to pass -> Current can't flow as easily -> Resistance increased
181
Explain how and why the resistance of a filament lamp changes as current is increased.
* Increasing current increases the temperature (due to electron-ion collisions) * Positive ions in metal vibrate more -> More difficult for charge carriers to pass -> Resistance increased. IV graph levels off at high current for filament lamps.
182
Compare the resistance of semiconductors and metals.. | How does it vary with temperature?
* Metals are better conductors (i.e. lower resistance) | * Resistance of metals increases with temperature, while resistance of semiconductors decreases with temperature
183
At low temperatures, why are metals better conductors than semiconductors?
There are more charge carriers available. | semiconductors have electrons stuck to atoms and aren't free moving
184
What is a thermistor?
A resistor with a resistance that changes with temperature.
185
What type of thermistor do you need to know about?
Negative Temperature Coefficient (NTC) - Resistance decreases as temperature increases
186
How does the resistance of a thermistor change with temperature?
As temperature increases, resistance decreases.
187
Describe the graph of resistance (y-axis) against temperature (x-axis) for a thermistor.
* Downwards curve | * Gradient becomes less steep with temperature
188
Describe the I/V graph for a thermistor.
* Upwards curve * Curved upwards away from x-axis * Rotated around origin
189
Explain the I/V graph for a thermistor.
* As p.d. increases, current increases * This causes temperature to increase * More electrons have enough energy to escape from their atoms * More charge carriers -> Resistance decreases * More current can flow, so graph curves upwards
190
How can you investigate the resistance of a thermistor?
Use water bath: Put the thermistor into a beaker and pour boiling water into it, covering the thermistor. Measure the temperature of the water using a digital thermometer. Record the current through the circuit with the ammeter. The potential difference needs to be kept constant throughout the experiment. Keep recording current and temperature for every 5 degree drop. From the values for current and potential difference, work out resistance for each temperature. For NTC resistors, as temperature decreases, resistance increases (current will decrease).
191
What is a diode?
A component that allows current to flow in one direction only Made from semiconductors
192
What is the forward bias of a diode?
The direction in which the current is allowed to flow.
193
What does LED stand for?
Light emitting diode.
194
Describe how the resistance of a diode changes with potential difference.
* With a negative voltage (in reverse bias) the resistance is very high * Up to a threshold voltage (usually about 0.6V) the resistance remains high * After this voltage, the resistance falls rapidly
195
What is the threshold voltage of most diodes?
About 0.6V in the forward direction before they conduct.
196
What is an LED?
A diode that emits light when current flows through it.
197
What does the triangle symbol represent on a diode?
triangle symbol indicates the direction the diode will let current flow. E.g. a large current can flow left to right (forward bias):
198
Describe the I/V graph for a diode.
* At negative voltage -> Very small NEGATIVE current * At low positive voltage -> Small positive current * Above threshold voltage (0.6V) -> Current increases linearly (starts of curved)
199
Name a use of a diode.
Protection of d.c. circuits.
200
What is a cell?
A source of electrical energy.
201
What is a LDR?
* Light-depedent resistor | * Resistance decreases as temperature is increased.
202
What is a positive temperature coefficient?
When resistance increases with increasing temperature.
203
What is a negative temperature coefficient?
When resistance decreases with increasing temperature.
204
Give an example of a material/component with a positive temperature coefficient.
Metals
205
Give an example of a material/component with a negative temperature coefficient.
Thermistor
206
What is the circuit symbol for a thermistor?
Rectangle with diagonal line across it, with a short line at the end.
207
What is the circuit symbol for a diode?
Circle with a triangle and line in it.
208
What is the circuit symbol for an LED?
Circle with a triangle and line in it. Two lines pointing away from it.
209
What does the symbol for a diode in a circuit tell us?
Current can flow in the direction that the triangle points.
210
What is the circuit symbol for a light bulb?
A circle with a cross in it.
211
What is the circuit symbol for a resistor?
A rectangle.
212
What is the circuit symbol for a variable resistor?
A rectangle with a diagonal arrow.
213
What is the circuit symbol for a LDR?
A rectangle with two arrows pointing towards it.
214
What is the circuit symbol for a heater?
A rectangle divided into 4 squares.
215
What is the circuit symbol for an electric motor?
A circle with an "M" with a line under it that points down and up at either end.
216
What is the resistivity of a material?
The resistance of a 1m length of the material of 1m2 cross-sectional area.
217
What 3 factors affect the resistance of a piece of wire?
1) Length 2) Area (Cross-sectional) 3) Resistivity
218
How does length of a wire affect its resistance?
The longer the wire, the higher the resistance (More difficult to make current flow through)
219
How does the cross-sectional area of a wire affect its resistance?
The wider the wire, the lower the resistance. (Easier for electrons to pass through)
220
What does resistivity measure?
How much a particular material resists current flow
221
What factors affect the resistivity of a material?
Property of a material: Structure of material and environmental factors (e.g. temperature and light intensity)
222
What is the unit for resistivity?
Ohm-metre (Ωm)
223
What is the symbol for resistivity?
p (Greek letter "rho")
224
What is the equation for resistivity?
``` p = RA/L Where: p - Resistivity (Ωm) R - Resistance (Ω) A - Area (m2) L - Length (m) ```
225
Is the resistivity of a material a set quantity?
* No, it depends on temperature. | * Resistivity is usually quoted at a set temperature (e.g. 25*)
226
What is the size of a typical value for the resistivity of a conductor? Is this good for conducting?
Very small - e.g. 1.72 x 10^-8 Ohm meters. | Lower resistivity = better at conducting electricity
227
Describe how you can calculate the resistivity of a piece of wire.
Risk assessment first. Calculate area: 1) Measure the diameter at at least 3 points along the wire using a micrometre -> Find average -> Divide by two to get radius 2) Area = πr^2 Calculate R/l: 1) Set up a circuit with an ammeter, wire and voltmeter. 2) Attach a test wire along a ruler -> Attach one end where the ruler reads 0cm 3) Move the crocodile clip at the other end to adjust the length of the wire 4) Record the length of the wire and the resistance (R = V/I) 5) Repeat this to find an average resistance for that length 6) Vary the length from 0.10 to 1.00m 7) Plot a graph of resistance (y) against length (x) + draw a line of best fit (should be straight line through origin) Find the resistivity: 1) The gradient is R/l, so it can be subbed in to the equation p = RA/l by multiplying by the area. 2) Take note to maintain the temperature of the wire constant at all times (since resistivity depends on temperature).
228
c
* Temperature -> Resistivity depends on it | * Only have small currents flow through the wire
229
What is the problem with most materials having some resistivity?
When current is passed through them, they heat up and energy is wasted as thermal energy.
230
What is the easiest way to lower the resistivity of most materials?
Cool them down.
231
What is a superconductor?
A wire or device made of a material that has 0 resistivity below a critical temperature, which depends on the material.
232
Describe how the resistance of a superconductor changes with temperature.
* Below critical temperature -> Zero resistance | * Above critical temperature -> Resistance increases
233
What is the temperature below which a superconductor has no resistance called?
Threshold temperature / Critical temperature
234
Describe how the resistance of these components varies with temperature: • Metal • Semiconductor • Superconductor
* Metal -> Resistance increases as temperature increases * Semiconductor -> Resistance decreases as temperature increases * Superconductor -> Non-zero resistance above critical temperature, zero resistance below it
235
What are the positives of a superconductor and why?
* With no resistance, there is no heating effect -> No energy lost * You could start a current using a magnet and it would flow forever
236
What is the problem that makes the use of superconductors difficult?
* Most have a transition temperature below 10 kelvin (263*C) | * It is hard and expensive to cool things that much
237
What is a high-temperature superconductor?
A superconductor with a critical temperature above 77K (the boiling point of nitrogen).
238
What is 77K the boiling point of?
The boiling point of nitrogen.
239
Describe the graph of resistivity (y) against temperature (x) for a superconductor.
* Line along the x-axis up to critical temperature * Vertical spike at the critical temperature * Straight line with upwards gradient after this
240
What is the next development in terms of superconductors?
Room-temperature superconductors
241
Give some current uses of superconductors.
High-power electromagnets used in: • MRI scanners • Particle accelerators
242
Give some potential uses of superconductors.
* Power cables that transmit energy without energy loss * Strong electromagnets without a constant power source -used in medicine and Maglev trains * Electronic circuits that work really fast since there's no resistance to slow them down (therefore minimal energy loss)
243
What is power?
The rate of transfer of energy.
244
What is the symbol for power?
P
245
What is the unit for power?
Watt (W)
246
What is a watt?
1 joule transferred per second.
247
What is the formula for power?
P = E/t Where: P - Power (W) E - Energy transferred (J) t - Time (s)
248
What is the formula for power in terms of current and voltage?
P = I x V
249
What is the formula for power in terms of resistance and voltage?
P = V²/R
250
What is the formula for power in terms of current and resistance?
P = I² x R
251
How can the different equations for power by derived?
Combining: • P = I x V • V = I x R
252
What are the 4 equations for power?
* P = E/t * P = I x V * P = V² /R * P = I² x R
253
What is the equation for energy transferred in terms of power and time?
E = P x t NOTE: Any of the equations for P can be subbed in here (e.g. E = V x I x t).
254
What causes resistance?
Electrons colliding with atoms in the material and losing energy.
255
What is internal resistance and what causes it?
* The resistance of a battery itself. | * Caused by electrons colliding with the atoms in the battery.
256
What causes cells and batteries to warm up when they are used?
Their internal resistances.
257
What is the symbol for internal resistance?
r
258
What is the name for the resistance of a cell?
Internal resistance
259
What is load resistance?
The total resistance of all the components in a circuit except the battery.
260
What is the symbol for load resistance?
R
261
What is another name for load resistance?
External resistance
262
What are the two types of resistance in a circuit?
* Internal resistance (r) | * Load resistance (R)
263
What does e.m.f. stand for?
Electromotive force
264
What is e.m.f.?
* The amount of electrical energy the battery produces and transfers for each coulomb of charge * i.e. It is the battery’s effective output voltage when no current flows through it
265
What is the symbol for e.m.f.?
ε
266
What are the units for e.m.f.?
Volts (V)
267
What is the equation that defines e.m.f.?
ε = E/Q
268
What is terminal p.d.?
* The potential difference across the load resistance (R). | * i.e. The energy transferred per coulomb of charge flowing through the load resistance.
269
What is the symbol for terminal p.d.?
V
270
When is the terminal p.d. the same as e.m.f.? | Why is this uncommon?
* If there is no internal resistance or no current flowing | * Usually energy is lost in overcoming the internal resistance
271
What is the name for the energy wasted per coulomb in overcoming the internal resistance in a cell?
Lost volts
272
What is the symbol for lost volts?
v
273
What conservation of energy equation is used in e.m.f. calculations?
Energy per coulomb supplied by source (ε) = Energy per coulomb transferred in load resistance (V) + Energy per coulomb wasted in internal resistance (v) ε = V + v
274
Which e.m.f. equation are you given in the exam?
ε = I(R + r)
275
In e.m.f. calculations, what are the different symbols?
``` ε - emf of battery V - Terminal pd v - Lost volts R - Load resistance r - Internal resistance I - Current ```
276
Rearrange the “ε = I(R+r)” equation to give 3 more equations.
* ε = I(R+r) * ε = V + v * V = ε - v * V = ε - Ir
277
How can we find energy lost as heat (energy dissipated) when overcoming the internal resistance in a power supply?
P=I^2
278
How can you work out the total e.m.f. of cells in series?
* Add their individual e.m.f.s | * ε(total) = ε1 + ε2 + ε3 + ...
279
How can you work out the total e.m.f. of IDENTICAL cells in parallel?
* Total e.m.f. is equal to each individual e.m.f. | * ε(total) = ε1 = ε2 = ε3 = ...
280
For identical cells in parallel, why is the total e.m.f of the combination of cells the same as the e.m.f of the individual cells?
The amount of charge flowing in the circuit doesn't increase by adding cells in parallel. The number of paths the charges can take does change. The current will split equally between identical cells. The charge only gains e.m.f from the cells it travels through - overall e.m.f in circuit doesn't increase.
281
Three identical cells with an e.m.f. of 2.0V and an internal resistance of 0.20Ω are connected in parallel. A current of 0.90A is flowing through the circuit. Calculate the total p.d. across the cells. (See diagram of 83 of revision guide)
``` Calculate the lost volts for 1 cell: • I = 0.90 / 3 = 0.30A • v = Ir = 0.30 x 0.20 = 0.06V Find terminal pd across 1 cell: • V = ε - v • V = 2 - 0.06 = 1.94V ```
282
Describe an experiment to calculate the e.m.f. and internal resistance of a cell.
1) Connect the cell in series with an ammeter and variable resistor + connect a voltmeter across the cell 2) Vary the current using the variable resistor - start at highest resistance (open the switch and close it again to get two more sets of I and V values and find mean) 3) Record the voltage at each current. 4) Plot a graph of voltage (y) against current (x). 5) y-intercept = ε Gradient = -r Make sure external factors are kept the constant like temperature.
283
In the experiment to find the e.m.f. and internal resistance of a cell, how should the V and I values be plotted and why?
``` • V = ε - Ir Rearranges to: • V = -rI + ε • y = mx + c Therefore: • Plot V on the y and I on the x • Gradient = -r • y-intercept = ε ```
284
What is an easy way to measure a cell’s e.m.f.?
* Connect a high-resistance voltmeter across its terminals | * A small current flows through the voltmeter, so there are some lost volts, but this is negligible
285
When connecting a high-resistance voltmeter across a cell to find its e.m.f., what is the error in the results?
* Small amount of current flows through the voltmeter * So there are some lost volts * Measured value is very slightly less than the e.m.f. * But this is negligible
286
Does charge get used up?
No
287
What happens to charge and current at a junction?
They are conserved.
288
What quantities are conserved at a junction?
* Current | * Charge
289
Is voltage conserved at a junction?
Not necessarily.
290
What is Kirchhoff’s first law?
Total current entering junction = Total current leaving it
291
Is energy in a circuit conserved?
Yes
292
Energy transferred to a charge is...
e.m.f.
293
Energy transferred from a charge is...
Potential difference.
294
What is Kirchhoff’s second law?
Total e.m.f. around a series circuit = Sum of the p.d.s across each component
295
Explain Kirchhoff’s second law.
* e.m.f. is the energy transferred to a charge * p.d. is the energy transferred from a charge * Conservation of energy says that these two must be equal * Therefore: Total e.m.f. = Sum of p.d.s
296
State both of Kirchhoff’s laws.
1) Total current entering a junction = Total current leaving it 2) Total e.m.f. around a series circuit = Sum of p.d.s across each component
297
Describe current in a series circuit.
It is the same at all points.
298
Describe e.m.f. in a series circuit.
* e.m.f. is split between components | * ε = V1 + V2 + V3 + ...
299
Describe resistance in a series circuit.
* Sum of the individual resistances gives total resistance | * R(total) = R1 + R2 + R3 + ...
300
Describe a series circuit in terms of: • Current • e.m.f. • Resistance
``` CURRENT: • Same at all points EMF: • Shared between components RESISTANCE: • Total resistance is sum of the individual resistances ```
301
Describe current in a parallel circuit.
* Split between branches (at each junction) | * I(total) = I1 + I2 + I3 + ...
302
Describe e.m.f. in a parallel circuit.
* Same p.d. on each branch * Within each branch, the sum of the p.d.s equals the e.m.f. * e.m.f. = Branch 1 = Branch 2 = Branch 3 = ...
303
Describe resistance in a parallel circuit.
1/R(total) = 1/R1 + 1/R2 + 1/R3 + ...
304
Describe a parallel circuit in terms of: • Current • e.m.f. • Resistance
CURRENT: • Split between branches (at each junction) EMF: • Same p.d. on each branch • Within each branch, the sum of the p.d.s equals the e.m.f. RESISTANCE: • 1/R(total) = 1/R1 + 1/R2 + 1/R3 + ...
305
Remember to practice conservation of energy and charge questions.
See example pg 85 of revision guide.
306
What is a potential divider?
A setup used to obtain an output voltage equal to a fraction of the source voltage.
307
What is the simplest possible potential divider?
A voltage source with 2 resistors in series (with wires around one of the resistors).
308
What range in potential difference can be provided by a potential divider?
From 0 to the source voltage.
309
How is PD split in a potential divider?
Potential difference across the voltage source (e.g. a battery) is split across the resistors in the ratio of the resistances: i.e. The higher the resistance, the higher the voltage across that resistor
310
With a 2Ω and 3Ω resistor in series, what is the potential difference across each resistor?
* 2Ω -> 2/5 of the source voltage | * 3Ω -> 3/5 of the source voltage
311
What does a potential divider look like?
312
For a source voltage, Vs, connected in series with resistors R1 and R2 (with output around R2), what equation gives the output voltage around R2?
V(out) = (R2 / (R1 + R2)) x Vs i.e. Output voltage = (Output resistor voltage / Total load voltage) x Source voltage
313
How do you get: V(out) = (R2 / (R1 + R2)) x Vs
314
In potential divider diagrams, what is: • Vs • R1 • R2
* Vs - Source voltage * R1 - Non-output resistor * R2 - Output resistor
315
In a potential divider, if the source voltage is 9V and R1 is 100Ω, what must R2 be in order to get an output of 6V?
200Ω
316
What is a simple potential divider used for?
Calibrating voltmeters, which have a high resistance.
317
In a simple potential divider, what happens when you add a component with low resistance across R2 (the output resistor), what happens and why?
* You now have two resistors in parallel, so the total resistance will be lower than R2. * This means that R2 will be lower than calculated.
318
In a simple potential divider, what is the effect of replacing R1 (non-output resistor) with a variable resistor?
It allows the output voltage across R2 to be varied.
319
In a simple potential divider with a variable resistor as R1, how does output voltage across R2 vary as the resistance R1 is increased?
* When R1 = 0, V(out) = Vs | * As you increase R1, V(out) gets smaller
320
How does the resistance of a light-dependent resistor vary?
Resistance decreases as light intensity increases: LDR has very high resistance in the dark, lower resistance in the light.
321
What is the circuit symbol for an LDR?
* Circle with a rectangle inside it. * Wires reach to the rectangle, but not through it. * Arrows point to the circle.
322
How does the resistance of a NTC thermistor vary?
Resistance decreases as temperature increases. | opposite to normal resistor, but much more
323
How can a potential divider output be varied according to temperature or light intensity?
Using a thermistor or LDR as one of the resistors in the potential divider.
324
When an LDR is connected as R1 in a potential divider, with the output across another resistor, R2, how will the output vary as light increasing increases and why?
* Light gives the LDR a lower resistance. * So it uses less of the PD and more can go to the output. * Output voltage (V-out) increases as light intensity increases.
325
What happens to V-out when temperature increases (R1 = thermistor)
326
Give a use of LDRs and thermistors.
They can be included in circuits that control switches, e.g. to turn on a light or heating system.
327
What is a potentiometer?
A type of potential divider that uses a single variable resistor instead of two fixed resistors to give a desired voltage output.
328
How does a potentiometer divider work?
* The slider can be moved along the variable resistor to change R1 and R2 as desired. * So V(out) can be varied from 0 to the source voltage
329
When is a potentiometer useful?
* When you need to change the voltage continuously | * e.g. The volume control of a stereo