Section IX - Flight Controls Flashcards

(18 cards)

1
Q

Describe what is the significance of each of the following lights on the overhead panel

A

a. STAB TRIM: Trim rate is 1/2 the normal control wheel stab trim rate
b. UNSCHED STAB TRIM: Uncommanded stabilizer motion detected
c. RUDDER RATIO : The rudder ratio system has failed.
d.SPOILERS : One or more spoiler pairs are inoperative.
e. AUTO SPDBRK : A fault is detected in the automatic speed brake
f. ANTISKID: A fault is detected in the anti-skid system.
f. AIL LOCK : Aileron lockout actuator disagrees with the commanded position.

How well did you know this?
1
Not at all
2
3
4
5
Perfectly
2
Q

What is the significance of a SPEED BRAKES light when illuminated on the center forward panel?

A

The speed brakes are extended when either the radio altitude is 800 feet or below, and/or the flaps are in the landing position.

How well did you know this?
1
Not at all
2
3
4
5
Perfectly
3
Q

What is the significance of an INOP light illuminated on a Yaw Damper switch?

A

The associated Yaw Damper switch is off or inoperative.

How well did you know this?
1
Not at all
2
3
4
5
Perfectly
4
Q

Under what circumstances would a TRAILING EDGE light illuminate on the center forward panel?

A
  1. A flap disagree exists
  2. A flap asymmetry exists
  3. Flap load relief system is not operating when required.
How well did you know this?
1
Not at all
2
3
4
5
Perfectly
5
Q

How can you overcome a control wheel jam in flight?

A

The columns and wheels are connected through jam override mechanisms. If a jam occurs in a column or wheel, the pilots can maintain control by applying force to the other column or wheel to overcome the jam. When a restricted portion of the flight controls are bypassed, some control effectiveness may be lost.

How well did you know this?
1
Not at all
2
3
4
5
Perfectly
6
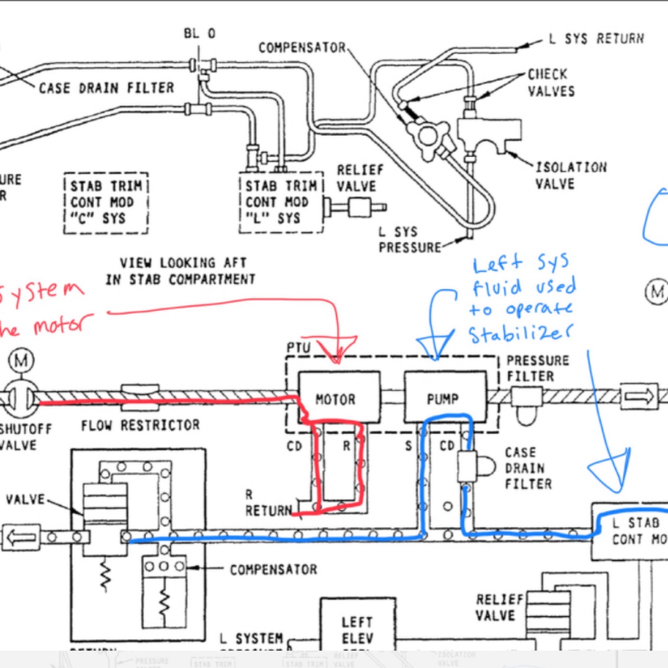
Q

-Describe the operation of the Pitch Enhancement System. What scenario would cause it to operate?

A

The PES automatically operates if both the left and center hydraulic systems are lost. It consists of a hydraulic motor in the right system that drives a pump which uses trapped left system fluid to operate the stabilizer. Only electric trim is available at approximately 1⁄4 the normal rate. Alternate and automatic trim will be inoperative

How well did you know this?
1
Not at all
2
3
4
5
Perfectly
7
Q

Which hydraulic system(s) power the elevator feel mechanism? Are there any backup systems if elevator feel is lost?

A

Powered by the left and center hydraulic systems. Mechanical springs provide feel following a loss of the left and center hydraulic systems.

How well did you know this?
1
Not at all
2
3
4
5
Perfectly
8
Q

What is Mach speed trim?

A

Improves speed stability by trimming the stabilizer as airspeed changes. It operates when the autopilots are not engaged, and there is no electric, alternate, or autopilot trim inputs taking place.

How well did you know this?
1
Not at all
2
3
4
5
Perfectly
9
Q

-During normal operations, when would the leading edge slats move from the MID RANGE to the LANDING position?

A

Upon selection of Flaps 25.

How well did you know this?
1
Not at all
2
3
4
5
Perfectly
10
Q

How many spoiler panels are on each wing?

A

6 (12 total).

How well did you know this?
1
Not at all
2
3
4
5
Perfectly
11
Q

What is Rudder Ratio? What is the significance of a RUDDER RATIO light on the overhead panel?

A

It modifies rudder inputs at high airspeeds. As airspeed increases, the ratio changer desensitizes these inputs from the pilot to reduce rudder deflection. (9.20.7)
b. Rudder ratio system has failed. Structural protection is provided by automatic depressurization of the left hydraulic system actuator which limits rudder displacement at high speeds. At low speeds, the two remaining rudder actuators (C + R) provide sufficient control for full rudder displacement.

How well did you know this?
1
Not at all
2
3
4
5
Perfectly
12
Q

Which hydraulic source is used for the actuation of the flight controls?

A

All three systems (Left, Center, Right).

How well did you know this?
1
Not at all
2
3
4
5
Perfectly
13
Q

What are the approved take off flap positions for the -200? -300?

A

a. 767-200: Flaps 1, 5, 15, 20 are approved.
b. 767-300: Flaps 5, 15, 20 are approved.

How well did you know this?
1
Not at all
2
3
4
5
Perfectly
14
Q

T/F: Trailing edge flap asymmetry is not available with alternate flap operation

A

True.

How well did you know this?
1
Not at all
2
3
4
5
Perfectly
15
Q

What is the primary purpose of the flap gate located at the Flaps 20 detent?

A

To prevent inadvertent retraction of the flaps past the go-around position

How well did you know this?
1
Not at all
2
3
4
5
Perfectly
16
Q

Describe the operating principles of the Flap Load Relief System

A
  1. The flap load relief system protects the flaps from excessive air loads.
  2. On -200 aircraft, if the flap airspeed placard limit is exceeded in the 30 position, the flaps automatically retract to flaps 25.
  3. On -300 aircraft, if the flap airspeed placard limit is exceeded with the flaps in the 25 or 30 position, the flaps automatically retract to 20.
  4. When airspeed is reduced, the flaps automatically re-extend.
17
Q

With the speed brake lever in the ARMED position, when will the speed brakes deploy automatically? How about when the speed brake lever is NOT ARMED?

A
  1. Armed : When the landing gear is fully on the ground (not tilted) and the thrust levers are at Idle
  2. When the lever is not in the ARMED position, the speed brakes will deploy when either thrust lever is moved to the reverse idle detent.
18
Q

At what flap setting do the inboard ailerons droop?

A
  1. -300: In conjunction with flap extension from 1 to 5
  2. -200: In conjunction with flap extension from 5 to 15