What is the current at points 1 and 2 on this circuit. Explain why you have put this answer

The current at 1 is 3A and the current at 2 is 3A.
This is becuase current is the same at all points in a series circuit
What is the potential difference across the resistor in this diagram. Explain why this is the case.

The potential difference across the resistor is 5V.
This is becuase the potential differences across the components in a series circuit must add up to make the potential difference across the resistor
This is the formula for potential differences in series
VT = V1 + V2 + V3….
What is this the circuit symbol for and what does it do
How is it connected in a circuit?

This is an ammeter and it measures the current through a component.
It is connected in series with the component it is measuring
How do you calculate the resistance of resistors in series.
Example: What is the resistance of this series of resistors?

When reisitors are in series, the total resistance can be found by adding up the individual resistances.
In the example the resistance = 5 + 10 + 14 = 29Ω
What do the symbols mean in this equation
I = Q/t
Example: What is the current when 12C of charge takes 4s to flow past a point?
Current is found from this formula I=Q/t
I=Current (A - Amps)
Q = Charge (C - coulombs)
t = time (s - seconds)
For example if there are 12C of charge and it takes 4s to flow
I = 12/4 = 3 A
What is potential difference?
Potential difference is the push of the power source on the electric current
What does resistance do in a circuit?
What is resistance mearued in?
Resistance slows down the current in a circuit.
Resistance is measured in Ohms (Ω)
Explain how to investigate how the length of a piece of wire affects its resistance
To investigate how the length of a piece of wire affects its resistance, set up a circuit with the wire a cell, an ammeter and a switch in series. Then attach a voltmeter across the crocodile clips and place the clips 10cm apart.
Close the switch and read the potential difference and current in the circuit. use this to calculate the resistance
Repeat the experiment where the length of the wire is different each time, going up in intervals of 10cm.
Then plot a graph of length against resistance

What does potential difference do to the current in a circuit?
What is potential difference measured in?
Potential difference speeds up the current in a circuit
Potential difference is measured in volts (V)
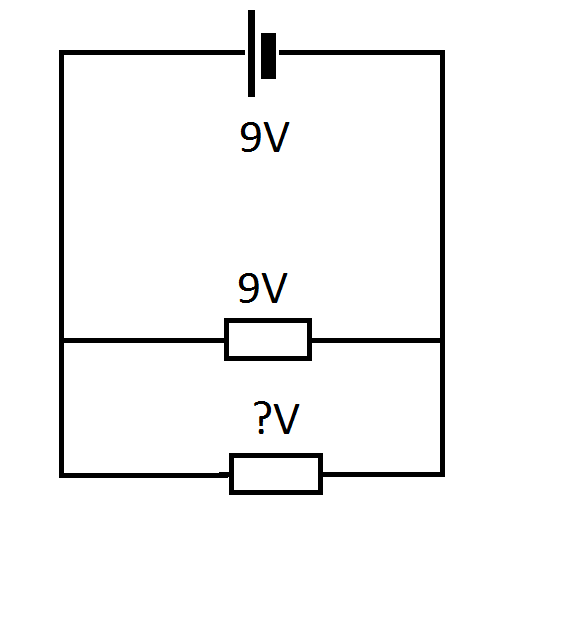
What is the rule for working out the potential difference of components that are in parallel with each other?
Example: What is the potential difference across the unknown resistor in the parallel circuit?

Resistors in paralell always have the same potential difference across them. The formula for this is:
VT = V1 + V2 + V3
Example: This resistor has 9V across it becuase there is 9V accross the cell that it is in parallel with
What is the definition of current?
Current is how fast the electric charge is travelling through a circuit.
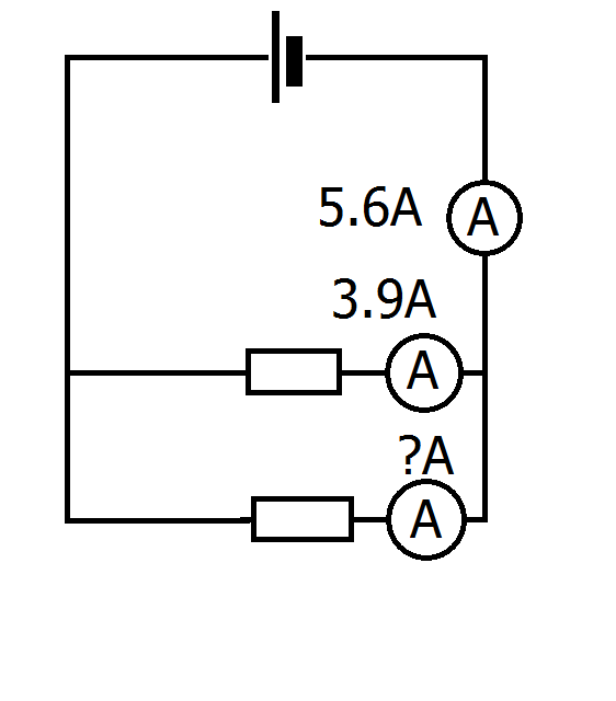
Explain how current acts in parallel branches.
What is the unknown current in this circuit?

Current in a parallel circuit splits becuase the charge can only flow down one branch or the other
This means that the current in the branches add up to make the total current. This is given by the formula
IT = I1 + I2 + I3….
Example: in this circuit the total current is 5.6A and the current in one of the branches is 3.9A. this means the current in the other branch must be 5.6-3.9 = 1.7A
What is the name of the law that links resistance, current and potential difference?
Ohm’s law
What do the symbols mean in this equation
R = V/I
For example, what is the resistance of a lamp with a current of 4A and a potential difference of 16V
R = V/I
R = Resistance (Ω - ohms)
V = Potential difference (V - Volts)
I = Current (A - Amps)
Example: Resistance = V/I = 16/4 = 4Ω
What do the symbols mean in this equation
Q = I x t
For example, what is the charge transferred by a 3.5A current which flows for 30 seconds
Q = charge (C - Coulombs)
I = current (A - Amps)
t = time (s - seconds)
Example: If 3.5A carries a current for 30 seconds, charge = 3.5 x 30 = 105C
What carries the charge in a metal wire?
In a metal wire, electrons carry the charge around the circuit.
What do the symbols mean in this eqaution
V = E/Q
Example: What is the potential difference when 6C of charge has 9J of energy
Potential difference can be found by this formula
V = E/Q
V = potential difference (V - volts)
E = Energy (J - Joules)
Q = charge (C - Coulombs)
For example if there is 6C of charge with 9J of energy
V = 9/6 = 1.5V