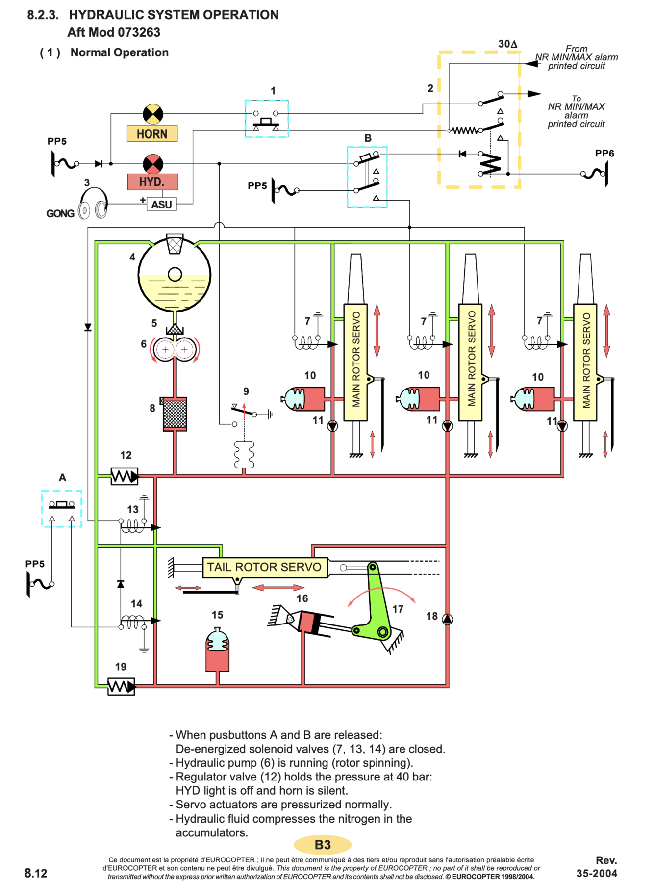
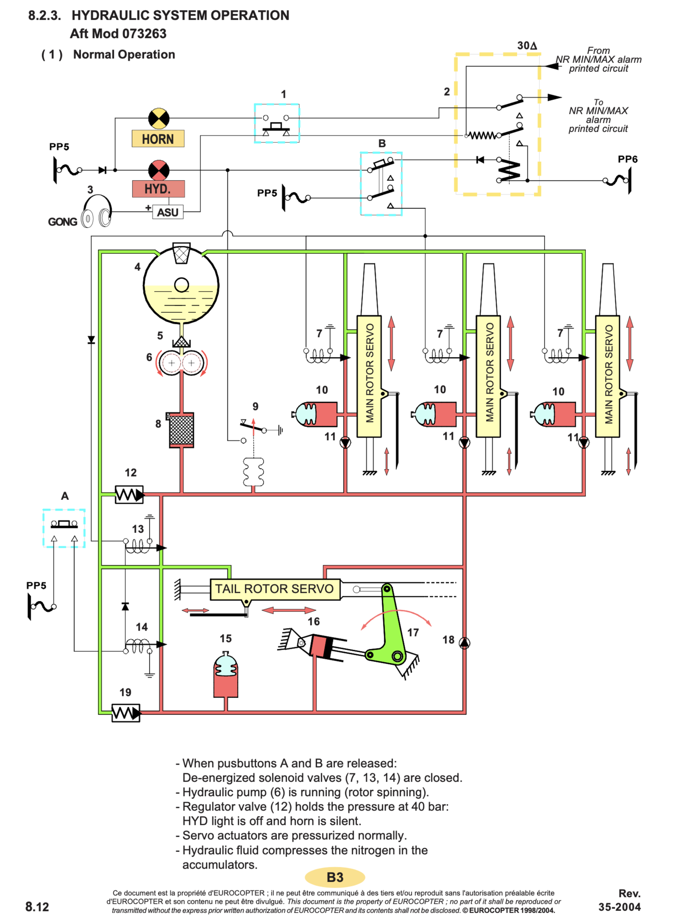
Hydraulic System
Strainer at pump inlet
Flowrate 6 liters/minute
3 Micron filter
Regulator Valve: 40 bar
Pressure switch: “HYD” light when P < 30 bar
Checkvalve, then to …..
Accumulator, servo inlet, solenoid valve
Inlet is prior the checkvalve
Post checkvalve: hydraulic actuator and accumulator, and a pressure relief valve (55 bar), which partially bleeds off the hydraulic fluid when the compensator piston returns from the extreme extended position; this eliminates hydraulic locking when the system is pressurized.
All direct back to reservoir

Hydraulic Isolation/Cut Off Test
The hydraulic system components can be checked for correct operation.
With the rotor spinning, shutting off the HYD switch opens solenoid valves (7) and (13). The pressure then drops, the “HYD” light illuminates and the control operating loads are instantaneously perceptible, except on the yaw pedals where they remain low due to the action of the compensator.
EuroSafety Systems Manual: Hydraulics…..After activation the cyclic will almost immediately get stiff. The cyclic should be slightly displaced fore and aft and left and right to ensure control response of the main rotor system.
With the loss of pressure in the system the tail rotor servo will no longer be receiving pressurized fluid.
The tail rotor pedals on models equipped with a yaw load compensator should then be displaced left and right to check that the yaw load compensator has held its charge by confirming that the pedals are partially boosted.
After turning the HYD back on……. The horn should sound for 2 to 3 seconds if the accumulator’s nitrogen bladders are properly charged. If the horn sounds for less then 2 seconds the nitrogen filled bladders in the accumulators may be overcharged. With the bladders over charged less hydraulic fluid can fit into the accumulators. Since the accumulators will fill to their capacity faster the hydraulic system will achieve 38 ±2 bars faster.
If the horn sounds for longer then 3 seconds the nitrogen filled bladders in the accumulators may be undercharged. With the bladders under charged more hydraulic fluid can fit into the accumulators. Since the accumulators will fill to their capacity slower the hydraulic system will achieve 38 ±2 bars slower.
HYD TEST Button
Checks Main Rotor accumulators.
The hydraulic test solenoid valve, when activated, routes pressurized fluid from the pump back to the reservoir.
Fore/aft motion on cyclic 2-3 times, lateral motion on cyclic 2-3 times and should not feel any control feedback.
If any control feed back is felt during the movements the accumulator system will need to be checked by maintenance.
On pedals moving back and forth, should not have the yaw compensator. (Full control feedback forces felt; very hard to move.
Yaw Load Compensator
Yaw load compensator which assists in pedal inputs after a hydraulic failure.
A solenoid valve is mounted to the compensator body. When opened it allows the accumulator pressure to be dumped in case of a loss of control in the tail rotor system and to depressurize the compensator after shutdown.
A pressure relief, set at 55 bars, is mounted at the solenoid valve to prevent hydraulic locking.
After a hydraulic failure the flow of pressurized fluid to the tail rotor servo and yaw load compensator will cease.
The pressure trapped in the compensator will assist in applying pitch to the tail rotor blades.
When the tail rotor pedals are displaced the pressure created by the accumulator is transferred to the actuator piston and will help in applying pitch to the tail rotor blades. As the pedals are moved hydraulic fluid exits the accumulator and fills the actuator. When the pedals are displaced in the opposite direction the force of the twist in the tail rotor spar will assist in pushing the fluid out of the actuator and back into the accumulator.

Fuel System
Tank is 142.7 gallons.
Low fuel light come on with 15 minutes (@MCP) fuel remaining; 106 lbs/15.1± gallons.
Low pressure pump located at tank feeds fuel to engine during starting then is shut off by pilot.
The engine is equipped with a fuel supply system comprising a low pressure pump, a filter, a high pressure pump supplying fuel to the combustion chamber via a fuel governor.
At power on, “FUEL P” warning light is illuminated. Pushbutton pressed, the blue warning light “FUEL PUMP” comes on, pump (5) is energized feeding the engine fuel circuit. “FUEL P” warning light goes out.
Engine running, the pilot turns off the fuel pump : blue warning light goes out, the engine draws the fuel through the pump.
Filter clogging
Contaminated fuel causes impurities to build up on the filter cartridge and to gradually reduce the flow through the filter. This flow restriction increases the filter inlet pressure. When this pressure reaches 0.7 bar, a pressure switch illuminates the “FUEL FILT” warning light.
When filter is clogged, the filter inlet pressure exceeds the bypass spring pressure and the bypass valve opens. The engine is still supplied BUT WITH CONTAMINATED FUEL.

Oil System
From reservoir, oil is pulled through the
temp probe for monitoring gauge,
a metal chip detector,
and a bimetallic switch that will turn on the cooling fan. Closes circuit at 77°C and opens at 68° C.
Engine
A (Gerotor) pump, with an over pressure valve/route back to pump inlet
filter, with a pre-clogging indicator (1.2 bar)
a bypass valve if filter clogs.
a pressure switch for ENG P light (1.3 bar)
a pressure transmitter for pressure gauge
Then into the engine for cooling and lubricating bearing and gears.
Then 3 Gerotor scavenge pumps feed the hot oil back towards reservoir via the cooling unit.
After the pump there’s a check valve (1.5 bar)
Then there’s the magnetic chip detector for the ENG CHIP light.
Thermostat Valve
At 74°C and above, the increase in oil temperature causes the valve stem to expand by pushing on the valve body and progressively closing the valve.
At 86°C the thermostat valve is fully closed and all the oil flows through the oil cooler. This is the normal operation when the engine is hot.
Heat Exchanger Cooler
Fan comes on when oil is at 77°C and turns off at 68° C.
Hot oil is routed to the heat exchanger and then back to reservoir.

EBCAU
Engine Back-up Control Ancillary Unit
FADEC
Full Authority Digital Engine Control