Systems Flashcards

(425 cards)

1
Q

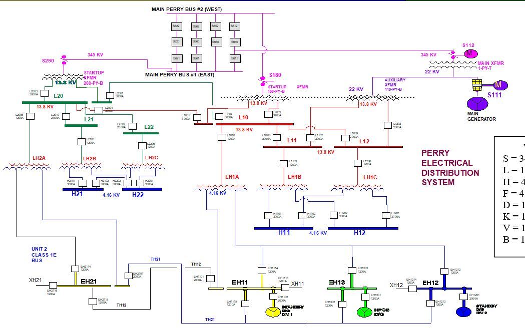
Draw the Electric Plant down to 4160v busses

A
How well did you know this?
1
Not at all
2
3
4
5
Perfectly
2
Q

List loads on the L10 Bus

A

CW Pump C
MFP
Interbus LH-1-A
S/U supply to L11
S/U supply to L12

How well did you know this?
1
Not at all
2
3
4
5
Perfectly
3
Q

List loads on the L11 Bus

A

CW Pump A
B33 Recirc Pump A (Fast)
Interbus LH-1-B
LF-1-A/C/E/H
(ACEHOLE)

How well did you know this?
1
Not at all
2
3
4
5
Perfectly
4
Q

List loads on the L12 Bus

A

CW Pump B
B33 Recirc Pump B (Fast)
Interbus LH-1-C
LF-1-B/F/D/G

How well did you know this?
1
Not at all
2
3
4
5
Perfectly
5
Q

List loads on the H11 Bus

A

RFBP A/C
CBP A/C
HWP A
CVCW Chiller A
TBCW Chiller A
LFMG A
SY Load Center

How well did you know this?
1
Not at all
2
3
4
5
Perfectly
6
Q

List loads on the H12 Bus

A

RFBP B/D
CBP B
HWP B/C
CVCW Chiller B
TBCW Chiller B
LFMG B
U1 SA & IA Compressors
SW Pump A

How well did you know this?
1
Not at all
2
3
4
5
Perfectly
7
Q

List loads on the XH busses
Which XH Bus is not diesel backed?

A

XH11:
CRD Pump A
NCC Pump A

XH12:
CRD Pump B
NCC Pump B
SW Pump B
XF-1-A

XH21: (Not diesel backed)
NCC Pump C
SW Pump D

How well did you know this?
1
Not at all
2
3
4
5
Perfectly
8
Q

Regarding Aux Transfer Switch function:

What is the purpose of the Aux Transfer Switch?
Will the transfer still happen with the switch in “Off”?

A

Aux Transfer Switch will prevent powering an L bus from 2 seperate transformers, which would result in twice the fault current with a fault in the affected L bus.

With the switch in “Off,” the transfer still occurs.

How well did you know this?
1
Not at all
2
3
4
5
Perfectly
9
Q

Regarding Fast Bus Transfer of L and H busses:

What causes a fast bus transfer to occur?
From which sources (primary or alternate) does a fast bus transfer occur?
What will happen when a breaker tries to transfer to a faulted bus?

A

Breakers auto transfer to alternate power supply if primary power supply goes down.
Breakers will not return to primary source if alternate source is subsequently lost.
Breaker will land in the trip free position.

How well did you know this?
1
Not at all
2
3
4
5
Perfectly
10
Q

Regarding Stub Busses

What are stub busses?

What happens to stub busses on a LOOP? LOCA?

What happens to loads on the stub busses in these situations?

A

Diesel backed busses with not required but desired loads on them.

During a LOOP, stub busses stay tied to their source. During a LOCA, stub busses shed and will not be tied in until operators bypass with keylock switch.

In a LOOP, the stub bus loads react as follows:
CRD Pumps - Pumps trip, will remain off until operator intervention.
NCC Pumps - Pumps trip, will restart automatically when stub bus power returns.
SW Pump B - Pump trips, and will restart provided the control switch is in normal, the pump receives a LOOP signal, voltage is restored to the bus, and the pump discharge valve reposition sequence completes.

In a LOCA, these loads remain secured.

How well did you know this?
1
Not at all
2
3
4
5
Perfectly
11
Q

Define LOOP, SBO, and TLAC

A

LOOP - Loss of Offsite power and at least one RHR powering DG is supplying its bus.
SBO - Loss of Offsite power with only HPCS operating.
TLAC - SBO with HPCS not operating.

How well did you know this?
1
Not at all
2
3
4
5
Perfectly
12
Q

Regarding Loss of Offsite Power:

List conditions for degraded and lost voltage.

What protections do the Loss of Voltage and Degraded voltage signals provide?

What causes an EH bus Undervoltage signal?

What causes a divisional LOOP signal?
Explain how LOCA signal ties into this.

What will cause LOOP logic to initiate?

A

Degraded Voltage - < 3800v
Loss of Voltage - < 3000v

Loss of voltage prevents damage to running safety related equipment.
Degraded voltage ensures injection times and system alignments are accomplished.

< 3000v for 3 seconds, < 3800v for 4 mins, or < 3800v for 12 Seconds with a LOOP signal. This timer begins upon receipt of the undervoltage signal.

Bus undervoltage signal, Bus UF signal (59.1hz), or Divisional Test Switch to Test
AND
Opposite divisional bus UV < 75% (instant), or Opposite divisional bus UF (< 59.1hz).

How well did you know this?
1
Not at all
2
3
4
5
Perfectly
13
Q

Which 480v Buses can be cross-tied?

A

F1A - F1B
F1C - F1D
F1E - F1F
F1G - F2G
EF1A - EF1B
EF1C - EF1D

How well did you know this?
1
Not at all
2
3
4
5
Perfectly
14
Q

Explain how Div 3 480v differs from Div 1/2

A

Div 3 does not have load centers.
EF-1-E is comes straight from the transfomer to the MCC.

How well did you know this?
1
Not at all
2
3
4
5
Perfectly
15
Q

Where is the Div 3 Transformer located?
Where are the Div 3 MCCs located?

A

EHF-1-E - CC 620’ inside the Div 2 Room

EF1E-1 - CC 620’
EF1E-2 - ESWPH 586’

How well did you know this?
1
Not at all
2
3
4
5
Perfectly
16
Q

Where are the Non-Class 1E load centers located?

A

F-1-[A-F] -> TPC 647’
F-1/2-G -> SWPH 620’
F-1-H - ConstWPH 620’
XF-1-A - TPC 620’

How well did you know this?
1
Not at all
2
3
4
5
Perfectly
17
Q

Where are busses L10,11,12 located?

A

TPC 620’

How well did you know this?
1
Not at all
2
3
4
5
Perfectly
18
Q

Which Non-Class 1E MCCs have ABTs and which bus do they transfer to?

A

F1B08
F1C08
F1D08
F2A08
F2B11
F2C11

Transfer to XF1A

How well did you know this?
1
Not at all
2
3
4
5
Perfectly
19
Q

List the conditions required for an ABT to autoshift from Normal Source.

Which ABTs are normal seeking, and how long until they return to normal source?

A

MCC bus voltage < 85% rated
Alternate power supply voltage and frequency > 90%
No lockout on the XF1A bus.

F1B08, F1C08, F1D08 are normal seeking and will return to normal source with power available for >30 minutes.

How well did you know this?
1
Not at all
2
3
4
5
Perfectly
20
Q

What are the indications of a ground on a DC bus?

What action should be taken if a ground is discovered?

A

Positive or negative circuit ground light will extinguish.

If a ground is detected, loads should be secured to perform a ground isolation.

How well did you know this?
1
Not at all
2
3
4
5
Perfectly
21
Q

Which DC load centers have reserve chargers?

A

All except for D1B

How well did you know this?
1
Not at all
2
3
4
5
Perfectly
22
Q

List Safety Class DC buses and their locations.

A

ED1A & ED2A - CC 638’
ED1B & ED2B - CC 638’
ED1C & ED2C - CC/DG 620’ Inside the DG Panel

ED-2-C is in a room located at the exit of the RP Control Point

How well did you know this?
1
Not at all
2
3
4
5
Perfectly
23
Q

How many cells in the Div 1 and Div 2 DC buses?

How many volts per cell?

What is the design basis of this voltage and quantity?

A

Div 1 - 60, Div 2 - 61
1.75V Per cell
Designed to maintain a voltage above 105v with a loss of charger for 2 hours and one cell < 1.75Vdc.

Cells are for batteries, not buses. Div 1 has the extra cell (RCIC).

How well did you know this?
1
Not at all
2
3
4
5
Perfectly
24
Q

List all Non-Safety DC buses and their locations.

Which of these are diesel backed, and where do they get their normal power from?

DC busses and batteries have power available regardless of DG status.

A

D1A & D2A - Unit 1/2 TPC 620’
D1B & D2B - Unit 1/2 TPC 620’

D1A and D1B are diesel backed from F1D08 & F1B08 respectively. Their normal source is L12.

D1A and D1B are DC, not DG backed. (Their normal chargers are DG backed)

How well did you know this?
1
Not at all
2
3
4
5
Perfectly
25
List the major loads on BOP System A - D1A & D2A
Inverter DB-1-A for Vital Loads Dis Panel D1A06 Control Room Annunciators C34 Chart Recorder Upset Range Main Generator and Xfmrs Logic RFPT A Trip, reset, and test logic MFP Trip Logic Main Turbine Trip Logic Normal, Reserve, and Unit 2 Charger | These are smaller, less demanding loads, generally circuitry.
26
List the major loads on BOP System B - D1B & D2B
Main Turbine EBOP RCIC Gland Seal Compressor Emergency Hydrogen Seal Oil Pump RFPT A and B EBOP MFP DC Lube Oil Pump Dist Panels D1B06 & D1B07 which include: BOP Switchgear breaker control power (Control power for all non-safety buses including stub busses) Emergency Lighting Feedwater Control 24vdc for DFWCS RFPT B Trip, reset, and test logic DG Fuel oil booster pumps LFMG Control and Interlocks Local annunciators Generator Field Breaker Control Circuitry. L10,11,12 and H11, 12 remote control/trip functions. Normal charger No reserve charger | These are larger loads like DC pumps. B for "Big"
27
List the major loads of Div 1 and Div 2 DC system. | Make sure to differentiate any key differences between divisional busses
Normal Charger Reserve charge Divisional RHR valve control and indication RCIC System Valve Motors (Div 1 only) RCIC control and indication (Div 1 only) RCIC Logic (Div 1 only) ADS Logic Leak Detection Logic RPS Instrumentation RRCS Logic LPCS Logic (Div 1 only) LOCA Logic Remote Shutdown Logic Divisional Control Room Indication Divisional DG Controls and Field Flashing Divisional B33 Pump breaker control logic Divisional ATWS UPS Divisional Breaker Control Power Optical Isolators
28
List the major loads on Division 3 DC System
Div 3 Generator Control Div 3 DG Field Flash control HPCS Logic Div 3 Breaker Control Power Div 3 Control room indicators Div 3 optical isolators.
29
# ***Regarding the BOP inverter:*** What is the purpose of the static transfer switch? Are there any inhibitors on its functions?
Automaticall shift power supply from normal to alternate on the following: Overcurrent - Can auto switchback Undervoltage - Can auto switchback Continuity OOS - Manually reset Loss of power to battery - Manually reset - This switch will only occur after a 15 minute timer has elapsed and has detected that DB1A still has no normal or alternate source.
30
# ***Regarding all Inverters*** What is the purpose of the static transfer switch?
The static transfer switch automatically shifts the inverter from the normal DC source to an alternate AC source.
31
# ***Regarding BOP Inverter*** What are the purposes of the regulating and isolating transformers?
Regulating Transformer - Adjusts output voltage to maintain constant voltage during changes in load. Isolating Transformer - Eliminate electrical noise.
32
What are the normal and alternate power supplies to the BOP Inverter?
Normal - D-1-A Alt - F1D08
33
What are the loads on the ATWS UPS?
APRMs LPRMs NI Flow Instrumentation ERIS Das Cabinet
34
What pumps water for the site fire water system? Discuss their controls and interlocks.
Jockey Pump - Auto start at 130# and Auto Stop at 150#. An autostart of the Motor or Diesel fire pumps will trip this pump and prevent it from starting. Motor Fire Pump - Auto start at 120# or control room pushbutton. Diesel Fire Pump - Auto start at 105#, loss of battery charger, or control room pushbutton. During a LOOP, the diesel fire pump starts due to loss of battery charger for 10 seconds.
35
How is charcoal deluge actuated and why is it actuated this way?
Manual only, due to potential to overload floor.
36
List all areas supplied by CO2 Fire Control
Recirc pumps DG Rooms TLO Storage Rooms TLO Purifier Rooms Computer Room Subfloor Control Room Subfloor Hose Reels
37
What are the Master Control valves? What is their normal position? What position do they fail in?
Root valve from CO2 supply to selector valves in various locations of the plant. Normally closed. Fail open on loss of power.
38
What are the Selector Control Valves? What are their normal positions? What position do they fail in?
Isolations for supplied areas/components of CO2 Fire Control. Normally Closed Fail Closed on loss of power.
39
# ***Regarding the CO2 isolations for Drywell/Containment*** Explain logic of the containment outboard isolation valve, its normal position, and its isolation signal.
Must be opened manually. Normally closed. Closes on BOP LOCA/1.68# Drywell Pressure. With an alarm indicating a B33 Recirc pump fire, the Recirc pump selector valve is open for 40 minutes. In this time, the outboard containment isolation valve must be actuated for at least 1 minute, otherwise no CO2 will reach the Recirc pumps in the event of a recirc pump fire.
40
List areas protected by Halon
SB 640' Telephone Battery Room Metrology Lab SB 605 TSC Radio Communication Room Computer Room
41
Explain Halon Remote System Logic Panel Automatic System Actuation
Need 2 signals, 1 signal per zone.
42
What is the purpose of the Bioshield?
Provide radiation and heat shielding
43
What are the purposes of the Suppression Pool? What is its normal operating band, low level setpoint, and design temperature?
Provide water seal from containment to drywell. Provide heat sink for SRVs Provide means to suppress pressure transients from a DBA Source of water for ECCS Normal level - 17.8' - 18.5' Low level setpoint - 16.75' Design Temperature - 185F
44
Purpose of the guard pipe penetrations and when are they required?
Surround high energy systems. They prevent containment overpressurization by directing pipe breakage back to the drywell. Required at > 275# or > 200F
45
How are electrical penetrations in the containment sealed to prevent outleakage?
They are hermetically sealed with 28-30# of Nitrogen purge that prevent moisture intrusion and O-ring leakage.
46
List the containment and drywell internal and external pressure limits
Internal Containment: 15PSIG Internal Drywell: 30PSIG External Drywell: -21PSID External Containment: -0.8PSID
47
At what suppression pool temperature must the Reactor be shut down? At what temperature must it be emergency depressurized?
>110F >120F
48
What is the difference between a Dedicated Air Lock Operator and an Airlock Monitor?
Dedicated Air Lock Operator is required to comply with tech specs and ensures only 1 door is open at a time. The monitor is required per Shutdown Safety and is only in place to bottle up containment.
49
Effects of Loss of IA, LOOP, and LOCA on Containment Airlocks
Loss of IA - Electro-Mechanical locking pin does not engage. Door can be operated twice with the ammount of air available in the accumulators. LOOP - Control power is gone. Electro-Mechanical locking pin does not function. Can manually operate without power. LOCA - Bottom doors and upper outer door air isolates on BOP LOCA. Upper inner door air isolates on RHR LOCA
50
Where does the area between the airlock seals vent to?
Annulus
51
Explain the normal flowpath of the FPCC system
Skimmers Isolation Valves (Reactor Pools Only) Surge Tanks Pumps Heat Exchangers F/D Inlet Valves F/Ds F/D Outlet Valves Isolation Valves
52
Describe the normal flowpath in RWCU
Suction from Loops and RPV Bottom Drain 2 Pumps in service RHX NRHX Filter Demins RHX Back to Feedwater system
53
When should Supp RHR Fuel Pool Cooling be used? What restrictions are associated with this?
When Lower Pools can not be maintained < 150F Unit must be in Cold S/D Applicable RHR system is INOP
54
What is the upper pool temperature high limit and why?
< 110F in Modes 1,2, & 3 for SPMU to function as designed.
55
FPCC system response to BOP and RHR LOCA, LOOP. What must be done in a LOCA or LOOP?
A BOP LOCA will isolate the containment isolation valve for the upper pools. An RHR LOCA and LOOP will isolate NCC to the FPCC HXs. ESW can be manually aligned to support cooling FPCC system. During a LOCA the FPCC F/Ds will isolate due to tank pressure ratings.
56
Explain how upper pool inventory is maintained in the event of a system leak.
Siphon breakers on the upper pool prevent the siphoning of the pool through the return headers when a leak develops.
57
Explain how system inventory and flow rates effect FPCC Surge tank
Inventory added - Tank level increases Invetory removed - Tank level decreases Flow rate increased - Tank level decreases Flow rate decrease - Tank level increases.
58
FPCC pump trips
Surge tank level low 8.5"
59
Location of Fuel Transfer Tube Day Tank Location of Fuel Transfer Tube Drain Pump Fuel Transfer Tube Drain Pump Autostarts/stops
IB 574' IB 574' Will start and stop based on level in auto. In start, will start if low level is clear.
60
List the requirements for safe condition of fuel or core components
Properly seated in the reactor vessel Seated in designated storage location In IFTS carriage inclined in either CB or FB limit switch positions Fuel Prep machines fully submerged Properly seated in the designated location of the Hi-Storm
61
How does a loss of RPS Bus B effect FPCC system?
The inboard containment isolation valve for the upper pool suction line is isolated. This will cause the upper pool to overflow if the upper pool return line is not isolated. | The inboard inlet isolation valve is a check valve and will not isolate.
62
If SPCU is running, what systems can cause a trip of the SPCU Pump? What trips exist for the SPCU pump? What are the start permissives?
LPCS and RHR will cause a low flow trip if aligned to the full flow test return line. HPCS can cause a low flow trip due to sharing suction piping in the suppression pool. Low flow - 400 gpm for 5 seconds High Demin Inlet Temp - > 120F Permissives - Suction path 100% open.
63
SPCU system response to BOP and RHR LOCA
SPCU suction isolations close on a BOP LOCA Demin outlet isolation closes on RHR LOCA
64
Restrictions of using RHR B Loop as a SPCU return to SP
RHR B Must be declared inoperable.
65
What systems does the SPCU system interact with and how?
HPCS - SPCU utilizes the HPCS suction piping. FPCC & SPCU can be aligned to each other to support cleaning. RHR - SPCU discharges into the test return lines back to the suppression pool. LPCS - If SPCU RHR A return path is used, LPCS shares that return path. Condensate - SPCU can be used to transfer water from the SP to the Hotwell or CST. WCT - SPCU can be used to transfer water from the SP to the WCT
66
What does SPMU provide? Can it ever be overridden?
Additional heat capacity for cooling to the suppression pool. Yes, but NEVER IN A LOCA.
67
Explain SPMU logic
1. LOCA Signal 30 Min Timer OR 2. SP Lo Lo (16.5") or Arm and Depress AND RHR LOCA signal or Test switch to Test.
68
How is the 30 Min SPMU LOCA timer reset?
Taking the SPMU Auto/OFF keylock to off.
69
What will cause the SPMU TRAIN A/B NOT NORMAL alarm to actuate?
If in Refuel and Mode switch is in Auto If NOT in Refuel and Mode switch in Off
70
Will arm and depress of RHR LOCA switch cause the 30 min SPMU timer to actuate? Where does SPMU receive its signal for 30 min timer?
No The K110 relay in RHR LOCA logic. | The K110 relay is NOT the signal for the 30 minute timer!
71
Where does AEGTS treated air exhaust to?
Train A - Unit 1 Plant Vent Train B - Unit 2 Plant Vent
72
What system provides the motive force for Backup Drywell Purge?
AEGTS
73
What is the purpose and flowpath of Backup Drywell Purge?
AEGTS fans drag air from the drywell through B/U Drywell purge piping. Backup drywell purge provides pressure relieving and control capabilities to support startup and heatup and mitigates pressure build up from air leaks.
74
What will cause the backup drywell purge system to isolate?
Auto close CIVs on RHR LOCA - Can be overridden and will get an amber light. Auto close CIVs on High Drywell Gas Radiation - Can be overridden and will get an amber light.
75
Explain how the AEGTS Electro Hydraulic Actuated Dampers Work
There are recirc and exhaust dampers that operate concurrently to regulate annulus pressure. The standby system is aligned to full exhaust. On a loss of power or hydraulics, recirc will fail closed, exhaust will fail open. | Consider the failure as "maximum vacuum"
76
AEGTS Fan Auto Starts Which ones can be overridden? What are the effects of a LOOP on these fans?
RHR LOCA - Can be overridden and will get an amber light Low Flow Auto Start of STBY Fan (< 1500 cfm) - Can not be overridden They will momentarily shutdown, then restart with the D/G
77
What are the trips and start permissives of the AEGTS duct heaters? When do they autostart?
Trip on loss of any permissive Permissives: No Hi Hi Htr trip (>225F) No Hi Htr Temp trip <166.2F fan discharge temp Exhaust fan running, and valid flow signal Heating coil thermostat circuit closed. Autostart on RHR LOCA. Can not directly override. Override by securing the applicable fan.
78
How does the exhaust/recirc damper controller function? How does this controller fail and why does it fail that way?
0% - Full open exhaust, recirc closed - MAX VAC 100% - Full open recirc, exhaust closed. Fails to maximum vacuum (0%) to ensure all leakage is filtered before release to the environment.
79
What is the Tech Spec atmospheric temperature limit in containment?
=< 95F
80
How many AHUs are in the containment vessel and what cools them? How many fans per AHU? How many normally operate and whats the maximum amount allowed to operate?
6, cooled by CVCW 1 fan per AHU 4 Normally operate, but 6 can be operated for maximum cooling.
81
Are the containment cooling system fan discharge dampers electric or pnuematic? How are they controlled? How do the Containment Cooling system fan discharge dampers fail?
Pnuematic Automatically actuate based on fan operating/secured, prevents reverse flow. Fail closed on loss of air or power to solenoid.
82
How many AHUs operate in the drywell? How many fans per AHU? What cools them?
3 AHUs 2 fans per AHU Cooled by NCC
83
How is the Containment Cooling system effected by LOCA?
CVCW Containment Isolations close on BOP LOCA. System will no longer cool.
84
How is the Drywell Cooling system effected by LOCA?
DW AHUs are cooled by NCC and will isolate on an RHR LOCA. System will no longer cool. Drywell fans are powered by the Stub Bus and will lose power until power is restored by operators.
85
# Regarding the 2 cooling coils in a drywell AHU: How is the operating cooling coil determined? What features provide redundancy?
The operating DW AHU coil is determined by a 3-way AOV selector. The valve fails to the B coil on loss of air. | The valve also fails to the B coil on loss of solenoid power.
86
Where does Drywell AHU condensation drain to? Are there any alarms associated with these AHU drains?
Upper and Middle AHUs drain to the Drywell Equipment Drain Sump. Control room has an alarm for excessive flow provided by Leak Detection System. Low Drywell AHU drains to the Drywell Floor Drain Sump
87
What atmospheric temperature is the lower Drywell Cooling AHU designed to maintain and why?
< 120 F on the RPV Skirt but > 80F to avoid brittle fracture.
88
Drywell Cooling Fan auto starts and stops
Fan will autostart on running fan low flow if in standby. Standby fan will autostop when low flow condition clears. Running fan will not trip on low flow condition.
89
Containment and DW Vent Exhaust damper trips and logic
Radiation Hi-Hi or downscale Inboard/Outboard logic BOP LOCA
90
Explain the rotating red beacons for the DW purge surge tanks. What is the basis for this? When are they disabled? What actions must be taken if these beacons are illuminated?
Beacons will illuminate red if tanks are not full. If the tank is not full, it is possible that the DW purge lines are not completely filled with water, and this will create a nuetron radiation stream into containment. This alarm can be disabled when in Mode 4 or 5. Must contact the US and RO and notify them.
91
Where does the CDWP system exhaust to?
Unit 1 Plant Vent
92
Explain the modes of operation of CDWP system
Intermittent - 1 Containment purge supply fan and 1 CDWP Exhaust fan in operation. No drywell purge supply fans operating. Refuel - 2 Containment purge supply fans, 2 CDWP exhaust fans, 2 Drywell purge supply fans operating. DW Purge supply ductwork is drained. | Intermittent starts for 5 min in Flow mode, then switches to DP mode
93
How many air operated isolation valves are in the CDWP system and how do they fail on loss of air, loss of power, and LOCA?
14 Air operated isolation valves. Fail close on loss of air and loss of solenoid power. Will isolate on BOP LOCA and Hi Hi radiation. | There are 4 radiation detectors in the Exh Plenum with INBD/OTBD logic. ## Footnote There is a 5th radiation detector, too that only activates the Containment and Drywell evacutation alarms.
94
How does CDWP Vortex Damper modulate flow?
Vortex damper can modulate flow based on a preset flowrate or a Containment DP signal (There is a 5 min time delay on this signal). When the system supply fan damper switch is in normal, flowrate is controlled by the preset flowrate setting, then switches to the DP signal after the 5 minute delay.
95
What is the purpose of the Combustible Gas Control System?
Maintain LOCA Hydrogen concentration < 4% (Lower Explosive Limit)
96
What are the normal operating conditions and limitations of the Hydrogen Recombiner?
Minimum temp of 1150F Will ramp at 1225F and 2% Hydrogen Concentration Normal Operating Range 1225-1400F Maximum operating power < 75KW Must be shutdown if Hydrogen Concentration > 6%
97
If the Hydrogen Recombiners are inoperable, what must be available?
One division of Hydrogen Igniters
98
What locations are sampled for Hydrogen by the Hydrogen Analyzers?
Drywell Dome Containment Dome Drywell Head Above the Suppression Pool
99
Explain the blue permissive light associated with the Hydrogen Analyzers
Light comes on after 3.5 mins to indicate a representative sample is achieved. After a shift, the sample is most accurate after 15 minutes due to purging of old sample.
100
List trips of the Combustible Gas Mixing Compressors that are always active
RHR Breaker Open RHR Cooling Supply < 90% open Compressor discharge < 90% open C/S For compressor taken to stop
101
Effects of a loss of power to Hydrogen Igniters
Igniters will not function and will not re-energize without operator action once power is restored. This is to ensure operator can verify Hydrogen concentration low enough to allow for starting.
102
When must Hydrogen Igniters be operable? If the Hydrogen Igniters are inoperable, what must be available? What makes the Hydrogen Igniters inoperable? How many igniters are there per division?
Both Hydrogen Igniter systems must be operable in Mode 1/2. Both Hydrogen Recombiners and Mixing Compressors must be operable. =< 90% of hydrogen igniters not functioning per division. 52 in Div 1, 50 in Div 2 | <=90% of igniters cause inoperability.
103
Describe the flow paths for the Containment Vacuum and Drywell Vacuum relief systems
Drywell: Containment -> Check Valve -> MOV -> Drywell Containment: Atmosphere -> Annulus -> MOV -> Check Valve ## Footnote Tip: You can physically operate either check valve from inside containment.
104
Explain the Containment Vacuum Relief System MOV Logic
MOVs are normally open. They auto close on BOP LOCA as long as there is no vacuum in containment. They can not be closed if vacuum condition exists. They can not be opened if positive pressure exists in containment. They will always open if containment is under a vacuum and always close if containment is under pressure. ## Footnote The last two statements are only true if a LOCA signal exists.
105
Explain the DW Vacuum Relief System MOV Logic
They are normally closed valves. They will open when a DW Vacuum condition exists. They will auto close on a BOP LOCA. If a vacuum condition exists, they will re-open and will actuate their override. At this point they must be manually closed to close, even if vacuum clears.
106
How many Cont and DW Vacuum reliefs must be operable?
Containment - 3 shall be operable and 4 shall be closed. Modes 1,2,3, Movement of recently irradiated fuel Drywell - 2 shall be operable. Modes 1,2,3
107
What are the consequences of leaving having 2 supply fans running in the FHB ventillation system?
Areas of the IB that are contaminated will become positively pressurized.
108
FHB Ventillation response to a high airborne radiation alarm?
Sensed in the exhaust duct upstream of the exhaust plenum will trip the supply fans. Exhaust fans will continue to operate. Barometric dampers will pop open to provide air supply.
109
Explain the FHB C Exhaust fan power supply setup
Powered by EF2D, which is powered by either EF1B or EF1D with a kirk key interlock in the access control area.
110
List the control modes of DFWC
Low Flow Single Element Three Element Speed Control
111
How does low flow control work? What restrictions are associated with low flow control?
Valve position controlled based on Level error and Low Flow Control Valve Flow Used when < 3% Prx Capacity is 1400 GPM Can not be used with MFP, as MFP control valve and this valve will not work well in unison.
112
How does single element control work? When is it typically used? What restrictions are associated with Single Element
Controls MFP Flow Control Valve &/or RFPT Speed demand based on Level error only. Used when Prx is 3-15%. Must have a RFPT running/available and its controller in AUTO or a MFP running/available and its controller in auto. AND Reactor level signal GOOD AND RRCS FW Runback not active AND Operator disables transfer to 3 Element
113
How does three element control work? When is it typically used? Why is three element preferred to single element in this range? What restrictions are associated with Three Element control?
Adjusts RFPT Speed demand &/or MFP flow control valve position based on Level, Total Steam Flow, and Total Feed Pump Flow. Typically used above 15% Prx At least one RFPT running/available and its controller in AUTO or MFP runnin/available and its controller in AUTO AND Reactor level signal good AND RRCS FW Runback not active AND Steam Flow signal good AND Feed flow signal good AND Operator enables transfer to 3 element control.
114
The reactor is at 40% power when the operator shifts from 1E to 3E. The output Steam flow/Feed Flow Error circuit is failed HIGH. What will happen when the transfer is enabled? What should the operator's actions be?
Initially, DFWCS would sense a high steam flow - feed flow error and increase feed rate significantly. This would cause a rapid rise in Reactor Level. The operator should take Manual control of the RFPTs IAW ONI-C34. If the operator transfers back to single element control with level significantly higher than required, the follow will happen: Recirc pumps are in fast speed. When transferred back to slow, feed flow may drop to < 3.43 mlbm/hr. If it does, the B33 cavitation interlock will trip and cause the recirc pumps to automatically downshift to slow speed.
115
What are the two methods of controlling RFPT speed?
DCS Manual Potentiometer
116
Which range of level detectors does the RFPT trip get its signal from? How many of these range detectors are there? How many are required for a trip? What else does this range input to on the DFWCS? How can these detectors effect the main turbine and RFPTs? What else are these detectors used for in regards to providing trips?
Narrow Range 3 detectors, 2 required for trip. Also inputs into L8 alarm circuit and Median Level Circuit. They provide the L8 trip to the main turbine and RFPTs. They also provide the L7/L4 alarm trips, the L4 B33 FCV runback trip, the L3 downshift, and setpoint setdown.
117
How does 3 element control work? What instruments does it get its signals from?
3 Element control receives input from the narrow range level instruments, steam flow detectors, and feed flow (Feed flow venturis) to generate an error that adjusts RFPT speed and/or MFP flow control valve position to adjust level to its programmed setpoint.
118
What is the median level circuit? What are automatic trips associated with failures in this circuit? | One bad signal, two bad signals, and three bad signals.
Median level circuit is part of three element control that determines which level to use in the program error. With 3 detectors, the median level is chosen for the program error level variable. One bad signal will be disregarded and the lower of the two good signals is used. Two bad signals will transfer to manual and the last signal from the Median Level circuit is propagated. With three bad signals, automatically transfers to manual and level signal forced to low scale of 165" and propagated.
119
What level deviations cause trips in the DFWCS?
A signal > 8" from median level - CAD Alarm Any signal > 15" from any other level signal - RX CH ERROR HIGH alarm Two signals > 8" from mediau - System trips to manual control. One signal > 8" from median and another signal BAD/Bypassed - System trips to manual.
120
Explain the program level circuit. What kind of shennanigans does this cause with level related trips?
Program level is 196" to 201". Level remains at 196" until approx. 45% Prx, at which point it increases linearly to 201" at 95% Prx. Certain trips are not based off of static reactor levels, like Reactor Level 4 Trip. These trips will vary in setpoint based on Prx.
121
What inputs do the steam flow detectors have in the DFWCS?
Input to level programming circuit. Inputs to steam flow recorder. Input to 1E/3E level controller. Inputs to feed flow/steam flow mismatch.
122
What will cause an auto transfer to 1E control when in 3E?
Loss of any steam flow transmitter Loss of 2 suction transmitters 2 suction transmitter with a 5% deviation Loss of recirc flow signal on running pump
123
What are the suction flow transmitters? How do they work? What trips are associated with them?
Two flow transmitters on the suction side of each Feed Pump. With 2 good transmitters, flow is averaged to an output. If one transmitter is BAD or bypassed, only the good transmitter is used for output signal. DFWCS will remain in 3 element. With > 5% deviation in the transmitters or both transmitters fail, DFWCS will auto transfer to 1E control. With both transmitters failing, the FWP recirc valves will trip to 100% open as well.
124
Explain the flow path from the MS Header through the main turbine
Stop Valves -> EQ Header -> TSV -> TCV -> HP Turb -> MSR -> Cross Around Piping -> CIVs -> LP Turbine -> Condenser
125
What is the minimum flow requirements for the MFP and RFPT? How are the RFPT and MFP recirc valves controlled? What restrictions are on the operator when controlling in manual? What happens if a flow control transmitter fails?
MFP - 4000 GPM RFPT - 7000 GPM Normally controlled by the operator to maintain Feed flow in program band according to error. Operator may open the recirc valve further than program, but can not close further than demand signal. The recirc valve associated with the flow controller will fail open to 100% and the pump will shift from three element to one element control.
126
What is the purpose of the TSVs? Which TSV has an internal bypass and what is its purpose? What is the purpose of the equalizing line in the TSV?
Quickly stop steam to the HP turbine in emergency or turbine trip situations. #2 TSV has an internal bypass used for chest warming and equalizing dp across all TSVs Allows even flow through TSVs regardless of how many TCVs are open
127
What is Setpoint Setdown in DFWCS? What does it do? What is the purpose of this feature?
A hot button on the DFWCS display. Automatically initiates on a L3 Scram and any time you go below L3 after. For 10 seconds, it will maintain RPV level setpoint due to shrink (usually 196") and then lower the setpoint to 178". This prevents a level 8 trip from over feeding and cold water swell. At L8, all FWPs trip. It is undesirable to lose these pumps in a Scram if they are available for level control.
128
# Regarding the Main Turbine System How many CIVs are there? What is the purpose of the CIVs?
6 CIVs. They protect the main turbine from overspeed (energy stored in the MSR) after trip.
129
How is thrust bearing wear tracked? What setpoint will cause a main turbine trip?
Thrust bearing wear detector. Will trip when the sensed oil pressure drops to 8# and lowering.
130
What are the start permissives of the turning gear? When will it auto start? What alarms come off the turning gear?
In reference to the recent OE where turbine rotor bowed: "Oh my god they never even looked." One Bearing Lift Pump (> 265 psig) Main Lube Oil Pressure (15 psig) Generator OP Bkr(610/611), disconnect S112, or S111 open Turning Gear CS not in off No quill shaft failure as sensed by EHC EHC Confirmation <100 rpm Low speed switch picked up (1.5 rpm) Auto starts at < 1.5 RPM shaft speed TURNING GEAR NOT RUN/NOT ENGAGE
131
Normal Operating Parameters of Main Turbine and Turning Gear system What are the turbine oil temperature limits?
Condenser Vac < 5" HgA Turbine Oil Pressure (Bearing Header) 20-35 psig Turbine Oil Pressure (Shaft Oil Pump) 220-265 psig Main Turbine LO Temp 110-120F Turbine Bearing Vibration < 5 mils 80-95F oil supply when on turning gear 90F min supply when rolling 110F min when operating normaly
132
List all Turbine Trips
RCIC Initiation Generator Lockout Thrust Bearing Wear Manual trips "Two fast" - Overspeed (110%, 1980 rpm) and B/U Overspeed (110.5%) "The High Threes (Like High Seas)" - Hi Rx Lvl (L8), Hi MSR level (1 - 195", 2 - 217.5"), Hi vibes (12 mils) "Loss 4 Words" - Loss of 125VDC (Active below 75% Turbine Speed), Loss of 24VDC, Loss of Stator Water Cooling (81C or 42.5 psig header pressure), Loss of Speed Sensors (Active when > 100 RPM) "5 B-Low" - Low Vacuum (8.1" HgA), Low EHC Pressure (1100psig), Low ETS Pressure (400 psig), Low MSOP d/c pressure (100 psig, active above 75% Turbine speed), Low Bearing Header Pressure (12 psig)
133
Which turning gear interlocks does the Jog Pushbutton bypass?
Reverse Power Interlock and Turning Gear Oil Pump Discharge pressure
134
What are normal causes of Turbine vibrations and the reasons associated with them?
Critical Speed - 1500 rpm - Harmonics of the turbine amplifies vibration. Packing Rub - Operation at low power, bypass steam, and packing adjusting to temperature can cause a temporary bow of the rotor resulting in imbalance. Oil Whip - When bearing is lightly loaded, formation and collapse of oil wedge can cause vibrations. Thermal Sensitivity - Magnitude and phase angle changes with load Mechanical Unbalance
135
What is a quill shaft? What indications show that the quill shaft is functional?
A type of shaft coupling that spreads torque over a longer distance on adjoining components. Low speed switch picks up (1.5 rpm) EHC Confirmation < 100 rpm.
136
How are TSV, TCV, Turbine Steam Drains, and CIVs positioned during turbine warm up?
TCVs are open, CIVs closed, all Turbine drains but 1 are closed, and #2 TSV poppet is thorttled to maintain pressure 60-100#.
137
Explain how the turbine reacts to a change in reactor power.
For a power increase: Pressure Increase Voids collapse, adding reactivity Fuel temperature rises, adding negative reactivity TCVs respond to maintain constant reactor pressure Turbine load increases
138
What are the three branches of the EHC circuitry? Which circuits are removed from the process when the system is placed in Bypass?
Speed, Load, Pressure Speed and Load circuits are bypassed.
139
How is the turbine protected from overspeed? Which of these systems satisfies criteria in ORM for overspeed protection?
Mechanical Overspeed Trip Backup Overspeed Trip The mechanical overspeed trip satisfies the ORM requirements. This includes the TSVs, TCVs, Bypass Valves, and CIVs.
140
What functions does the BOST provide? What is the BOST relationship to the Speed Control Unit? For any trips, what logic and setpoints are utilized?
The BOST provides turbine trips for the following: A backup to mechanical overspeed trip utilizing its own speed sensing, independent of the Speed Control Unit. Provides the arming for the Low MSOP discharge pressure trip, loss of 125vDC trip, and the loss of speed sensing trip. BOST is independent of the SCU. Overspeed - 110.5% in normal, 105% in standby. Utilizes 2 out of 3 logic. MSOP Discharge pressure Low - < 100# AND > 75% rated turbine speed. Loss of 125vDC AND > 75% rated turbine speed. Loss of Speed Sensing - Both speed sensing units out of service AND > 5.5% rated turbine speed.
141
What is the wobbulator circuit?
When turbine speed is set to 1500 rpm, speed is varied between 1450 and 1550 rpm over a 12 minute cycle to minimize vibrations due to natural resonance of the turbine.
142
How does the EHC system respond to a loss of one Speed Control unit? How will it respond to a loss of both speed control units? How will it respond to these situations with the Speed Control Unit in standby?
A loss of one speed control will cause the turbine to accelrate at twice the normal speed. With a loss of both speed control units, the turbine will trip if > 100 RPM. With the unit in standby, these functions are defeated and nothing will happen.
143
What is Load Set? How is it determined and what is its normal value?
Load set is a value determined by the operator as the initial input for the Load Control Unit. It is controlled with a pushbutton on the panel and generally set to 120MW above the generator output.
144
What is a Load Set Runback? What conditions will cause this? What are the setpoints for these conditions?
A signal override of the load set when certain conditions exist. Conditions: Loss of Stator Cooling - Either SWC outlet temp > 81C or SWC inlet pressure < 42.5 psig. This runback will cause a turbine trip if Generator Amps are >75% @ 2 mins or >25% @ 3.5 mins into the runback. Sync Speed Not Selected - 1800 RPM not selected (You only care about this during startup). Power Load Balance - Difference between tracking of Reheated Steam and Generator Current is >40%.
145
How does the load set runback for stator water cooling work?
Load set reduces speed by 1% every 3 seconds. If the condition clears, the runback will stop. If not, the runback will continue until either the condition clears or TCV closure. During the runback, if the condition is still active at 2 minutes with > 75% generator load (approx 30,000 AMPS), or still active at 3.5 minutes with > 25% generator amps (approx 9,900 AMPS), the turbine will trip.
146
What is a Load Limit Setback? What does it do? What is it designed to protect? What are its trip setpoints?
Protective circuit that inputs a reduced steam flow limit into the pressure control circuitry when its set value is eclipsed. It inputs a value into the Pressure Control Unit circuitry that causes the TCVs to close and the Bypass valves to open in order to reduce steam flow through the turbine. It sets back at a rate of 3% per second down to 75% rated steam flow. It is designed to protect the condenser from an overpressure condition. Setpoints are the same as the FCV Runback from B33: > 5.6" HgA with < 3 Circ Water pumps running OR #1 Bypass full open.
147
What is the pressure regulator? What signal does it provide? How many channels does it provide? How can a failure of the pressure regulator effect the plant?
Circuit that calculates an error signal (3.33% per every 1 PSI) that outputs to the flow demand signal. There are two channels, a normal and alternate. If a pressure regulator channel fails, it will auto shift to the alternate channel. If the regulator is in test, it will not shift - instead the bypass valves will open. If the pressure regulator fails High, RPV pressure lowers. If low, RPV pressure rises. Can also fail as-is.
148
#1 Bypass valve has an important feature that the other bypass valves don't. What is it?
#1 bypass valve provides the signal when full open for FCV Runback and Load Limit Setback.
149
How many CIVs are there and how are they distributed? How do they normally work? What arrangement do they operate in and why do they operate this way?
There are 6 CIVs. The CIVs (Combined Intermediate Valves) are arranged on opposing sides of the low pressure turbines to emit steam for operation. They are normally full open or closed, and only throttle in an overspeed condition. They are paired in a Master/Slave arrangement that prevents a single LP turbine from being completely isolated from steam while other turbines still have steam emission. This prevents a significant overtorque condition on the turbine shaft.
150
During steam chest warm up and shell warm up, how are the TSVs, TCVs, and CIVs arranged positionally? What allows for controlled warm up of this equipment?
The TSV is closed for both warm ups. The TCV is open for Shell warm up. The CIVs are closed for shell warm up and open for chest warm up. The #2 Poppit allows for this controlled warm up.
151
What do generated trip signals for the turbine utilize to actuate trips on the TSVs and TCVs? What component causes the fast acting close of the TCVs to actuate?
The Disc Dump Valve will dump hydraulic pressure and cause the valves to close due to heavy spring pressure. The Fast Acting Solenoid provides a bleed path that relieves hydraulic pressure and causes the TCV to close rapidly.
152
Describe the flow path through RWCU
Suction from 2 recirc loops and the RPV bottom drain 2 Pumps normally in service RHX NRHX 2 F/Ds RHX Feedwater
153
What is the purpose of circulating RWCU from the bottom head drain?
Prevents thermal stratification.
154
# Regarding a RWCU isolation signal The RWCU CIVs closure predicates a delay for the rest of the isolation. What is the duration of this delay and what is it for?
32 seconds to allow for the CIVs to close with a reduced differential pressure across them.
155
The leak detection signal for the RWCU system has a bypass. Which RWCU system trips are bypassed by this switch?
All except for L2, SLC initiation, and NRHX Demin outlet temperature.
156
List the RWCU Leak detection trips and setpoints
LVL 2 - 130" SLC initiation High Delta Flow (>59 GPM for 10 mins) Loss of Power to E31 for > 1 second High RWCU Equipment Room Temp High Steam Tunnel Temp 156F NRHX Demin Outlet 140F
157
List the RWCU Pump Trips and Setpoints. List any unique attributes of a trip if it has any.
CIV Close < 90% Open Thermal Overload High Stator Temp 275F High Thermal Neck Temp 180F Low Flow < 70 GPM for 3 seconds. This trip is delayed for 120 seconds during the initial pump start. If the pump control switch is taken to start again, the 120 second timer will restart.
158
What are the auto close signals for the RWCU Blowdown line and basis behind them?
Upstream Pressure < 5 PSIG to prevent a leak from vacuum draining the system. Downstream Pressure > 140 PSIG due to downstream piping not rated for higher pressure.
159
Explain the discrepancy in differential flow while performing a blowdown of the RWCU system to the main condenser or rad waste.
The blowdown line won't register flow until blowdown flow is > 35 gpm. When performing a blowdown, differential flow will indicate higher than actual until the blowdown flow exceeds 35 gpm.
160
With both RWCU pumps operating, what will happen when a CIV closes?
Both pumps will trip.
161
What will happen if an operator positions both the blowdown line to the condenser and rad waste isolations open?
Vacuum on main engine will be broken and can damage waste collection tank.
162
What are the normal and alternate power supplies for RPS A & B?
A Normal - MG Set from F1B08 A Alternate - F1C08 B Normal - MG Set from F1C12 B Alternate F1D12
163
With a loss of L11, what will happen to the RPS system when in a normal lineup? What will happen because of this?
RPS B normal supply does not have an ABT and RPS B will lose power. This temporary loss of power to B RPS will input a half scram and an inboard NS^4 isolation.
164
What are the trip setpoints for the RPS MG sets?
Overvoltage 140V Undervolt 60V Underfrequency 54 hz
165
What is the purpose of the EPA breakers? How are they arranged? What are the trip setpoints for the EPA Breakers? What are the consequences of an EPA breaker trip?
Protects the MSIV solenoids, scram solenoids, and RPS relays from voltage issues. They are arranged 2 per circuit in series. Overvoltage 132VAC Undervoltage 108VAC Underfrequency 57hz If an EPA breaker trips, the RPS bus will lose power. This will cause a half scram and a BOP isolation for the applicable division.
166
What is the difference between the Scram and Backup Scram? How do backup scrams function?
Scram signal opens scram pilot valves that vent CRD system to the scram discharge volume and cause the CRDs to rapidly insert. The Backup scram signal vents the air header that controls the scram pilot valves to allow them to fail open in the event that they do not receive a proper signal. This is a redundancy mechanism. Backup scram valves, unlike scram valves, are DC powered and energize to actuate.
167
What is the normal position of the Scram Discharge Pilot valves and how do they reposition in the event of a scram?
Normally open, they close when a scram signal is inserted to bottle up the SDV.
168
What are the lights above the 4 SCRAM arm and depress buttons? If a single light is out above each switch, what does that indicate? If both lights are out above a single switch, what does that indicate?
The lights are for the scram signals for that applicable rod group. Illumination indicates that a scram signal is not present. If a single light is out on each channel, a half scram is inserted. If both lights are out above a single channel, that is a failure of equipment and a full scram on a single channel, 1/4 of the rods are inserted.
169
List the Modes of Operation, the mode switch position for each mode, and any requirements associated with them.
Mode 1 - Power Ops - Run - Usually 8-10% Prx Mode 2 - Startup - Startup/Refuel - 0-10% Prx Mode 3 - Hot S/D - Shutdown - > 200F with all RPV bolts tensioned. Mode 4 - Cold S/D - Shutdown - < 200F with all RPV bolts tensioned. Mode 5 - Refuel - Refuel or Shutdown - One or more RPV bolts untensioned.
170
What is the TSV Closure scram setpoint, when is it bypassed, and basis?
3 TSVs < 95% open based on 1st stage shell pressure of 212 psig. Bypassed at < 38% RTP as indicated by 1st stage shell pressure (212 psig) Bases is anticipated pressure increase and resultant power increase, prevents MCPR from being exceeded.
171
What is the TCV Closure scram setpoint, when is it bypassed, and basis?
ETS hydraulic oil < 530 psig. 3 TSVs < 95% open based on 1st stage shell pressure of 212 psig. Bases is anticipated pressure increase and resultant power increase, prevents MCPR from being exceeded.
172
What is the SDV high level setpoint, when is it bypassed, and basis? What consequences can occur if the SDV scram is not given enough time clear before the scram is reset?
> 67% full Bypassed with mode switch in Refuel or S/D with keylock in bypass. Scram when you can. The air header takes a few minutes to repressurize and drain the SDV. If mode switch is placed in run before SDV is drained low enough, another Scram signal will insert.
173
What is the MSIV isolation scram setpoint, when is it bypassed, and what is the basis?
3 MSIVs < 92% open. Bypassed when mode switch not in run. Based on the anticipated pressure incrase and resulting power increase.
174
What is the Drywell pressure high scram setpoint, when is it bypassed, and what is the basis?
1.68# in drywell Never bypassed This is a LOCA condition
175
What is the High Rx Pressure scram setpoint, when is it bypassed, and what is the basis?
1065# Never bypassed. Protect the vessel.
176
What is the Reactor Level Low scram setpoint, when is it bypassed, and what is the basis?
Level 3 - 178" Bypassed with MS in S/D and L3 Keylock bypass switches in bypass. Recirc line break analysis, ensures fuel PCT < 2200F
177
What are the APRM scram setpoints?
APRM Neutron flux high - 118% -- terminate MSIV closure event and protect vessel. APRM Neutron flux high NOT in Run - 15% APRM Simulated Thermal Power High (Flow Biased) - 0.628wr + 61% (normal) 40.6% (single loop) -- Protect against slow thermal transients, protect fuel, MCPR < limits. APRM INOP - < 14 LPRM inputs, high/low voltage, card out of file, not in operate (Standby)
178
What are the IRM Scram setpoints?
IRM Neutron flux high - 120/125 units Protects against rod withdrawal errors. IRM INOP - Low/High voltage, card out of file, not in operate, Loss of power. All bypassed in RUN
179
What algorithms do the OPRMs use to provide scram signals? Which scram signal is pertinent to analysis? What is the bases of this signal? When are OPRM scram signals enabled?
Period, amplitude, growth. Only period is analyzed, it keeps MCPR within limits. Enabled when > 23.3% Prx and < 63.5% flow.
180
What are the SRM scram setpoints, and why are they disabled?
Upscale (2x10^5 CPS) and inop. They are bypassed with shorting links because they are only used on a fresh core. With SRM trips active, all coincidence protection is defeated.
181
What is the High Reactor Water Level scram setpoint and basis, and when is it bypassed?
Level 8 - 219" Feedwater controller failure, maximum demand. Ensures MCPR SL is not violated due to the static volume increasing collapsing of voids adding reactivity. Bypassed when not in run.
182
What are the TS Safety limits?
With steam dome pressure < 686 PSIG or Core flow < 10% rated core flow: Limit Thermal power to =< 23.8% RTP With Steam dome pressure >= 686 PSIG AND Core flow >= 10% MCPR shall be >= 1.07.
183
RPS Bus A loses power. What lights are illuminated above the arm & depress Scram switches?
All right lights extinguish.
184
List the loads off the MS Equalizing header
2nd stage MSR RFPT A/B Offgas Preheaters Steam Seal Evaporators Steam Jet Air Ejectors
185
How many SRVs are there? How many are ADS valves? How many are Low-Low set valves?
19 total, 8 ADS, 6 Low-Low set
186
What is the purpose of the SRV line vacuum breakers?
They open when steam condenses in the SRV line to the suppression pool. This prevents a vacuum condition that would siphon a leg of water that would subsequently become a massive water hammer that would destroy the SRV piping if another SRV lift occurred.
187
What redundancies does the SRVs have to reduce the risk of them not operating? | Make sure to discuss power, air, and fail-safe redundancy.
SRVs have two DC powered solenoids, one from each division. Either solenoid can cause an actuation itself. SRVs also have air accumulators. The 8 ADS valves and the lowest Low-Low set (51D) have 2 air accumulators supplied by Safety Related Instrument Air. The remaining have a single accumulator supplied by instrument air. The SRVs also have a safety mode that will open regardless of power or air supply.
188
What does the red light on the SRV switch indicate? When does it illuminate?
Indicates there is pressure in the tail-pipe, meaning the valve has recently lifted or is leaking by. Illuminates at 30 psig in the tail pipe.
189
When taking remote control of SRVs at the remote shutdown panel, which valves can be controlled? How will taking control of these valves effect operation of the SRVs?
F051C, D, & G can be taken to remote control. If only one division of these valves is taken to remote, the valve features can still actuate on the other division. If both divisions are in remote control, then all automatic features (except for Safety) of these valves will not function. The remaining SRVs will still function as normal.
190
The reactor has undergone a transient that caused a pressure increase to 1120 PSIG. How many SRVs lifted? Currently, Reactor Pressure is 940 PSIG. How many SRVs remain open?
10 SRVs lifted in relief mode. 1 at 1103 psig, 9 at 1113 psig. There is two SRVs still open. The F051C and D remain open and will reset at 936# & 926# respectively. The remaining low-low set valves reset at 946#.
191
How many SRV actuations are available in the accumulators utilizing Instrument air? What about SRIA?
1 actuation per SRV in a loss of air event. The SRIA supplied valves have 2 actuations in their accumulators.
192
What are the purposes of the Flow Restrictors and where are they located?
Limit DP across dryer and RPV internals. Limit blowdown to < 150% in the event of a MSL break. They are in the MSLs upstream of the INBD MSIVs
193
How do the MSIVs work? How are they operated? What system provides the motive force to open them? What provides the motive force to shut them? What happens to the MSIVs if their control switches are taken to test?
Two solenoids with electrical signal provided by RPS energize to hold valves open. Only one solenoid is needed to maintain the valve open - these solenoids are de-energized in the event of a scram signal from their parent channel. They can be operated manually with control switch. Instrument air provides the motive force, once the air pressure signal is high enough the valves will open against spring force. When air is dumped from the valve, springs overcome the loss of force and shut the valve. When the valve is taken to test, instrument air bleeds off the bottom part of the actuator. The MSIV will slowly close.
194
What pressure in the instrument air system will cause the MSIVs to become inoperable? At what pressure will they begin to drift closed?
90# 48#
195
How does the MSIV NS^4 isolation signal work?
There are 4 channels for the MSIVs, and each line has an instrument from each channel. MSIVs use 1 out of 2 taken twice logic. A trip on 2 channels in ANY MSL will cause all 4 MSIVs to close.
196
What are the MSIV NS^4 isolation setpoints?
Low MSL Pressure - 807# Low Condenser Vacuum - > 21.5HgA Reactor Water Level Low - L1, 16.5" High MSL Flow - 254 psid High Turbine Building Temp - 145.8F High ST Temp - 156F or 152.5F
197
With SRVs cycling on ADS, what actions should the operator take to protect containment?
The operator should manually cycle SRVs at different azimuths to prevent localized heating of the suppression pool.
198
How many pumps are in the Main Turbine Lube Oil system? List each pump and its motive force (power supply or shaft attached). Which pumps operate below rated Turbine speed (1800 RPM)
6 Main Shaft Oil Pump - Attached Oil Driven Booster Pump - Attached Motor Suction Pump - F1D08 Turning Gear Oil Pump - F1D08 Emergency Bearing Oil Pump - D1B Bearing Lift Pumps - F1D08
199
What is the purpose of the Oil Driven Booster Pump?
To provide suction oil to the Main Shaft Oil pump at 1800 RPM
200
What is the purpose of the Motor Suction Pump? When will it auto-start? How does this pump's control switch indicate its operating state?
Provides NPSH to the Main Shaft Oil Pump when the Oil Driven Booster Pump is unavailable. Auto starts at a low MSOP suction pressure of < 10#. When operating, indicates red as normal. When in Auto and not operating, indicates red light. When in Off, no light indiciation.
201
# Regarding the main turbine lube oil system: On a loss of oil header pressure, which pump is the first to start? What are the auto-start signals of this pump? How does this pump's control switch indicate its operating state?
Turning gear oil pump. Auto starts on MSOP Discharge pressure < 190# or LO Cooler Inlet < 15#. When operating, indicates red as normal. When in Auto and not operating, indicates red light. When in Off, no light indiciation.
202
What is the purpose of the Emergency Bearing OIl Pump? What powers it? What will cause it to auto start?
Provide oil supply during a LOOP or low header pressure condition. Powered by D1B. Auto starts on MSOP Discharge Pressure < 180#, TGOP < 10#, or TLAC.
203
What is the purpose of the Bearing Lift Pump? When is the bearing lift pump typically operated? What is the basis of this operating range? What are the start permissives? When will it trip? How does this pump's control switch indicate its operating state?
Supply oil to the journal bearings for TGOP operation. Typically operated at < 900 rpm. After this point, the oil wedge is formed and will maintain itself. Start permissives - TGOP > 10# AND > 6# oil header suction source. Trips on < 6# suction pressure (must be reset after trip). Green light on - Insufficient discharge pressure < 265#. Blue Light on - Sufficient suction pressure, trips reset, and CS in Auto. Red Light - Lift pump is running. It is possible to have red and green lights on simultaneously.
204
How does a LOOP effect the operation of the Main Turbine LO System? How does a LOCA effect it?
During LOOP MT will trip. As MSOP pressure lowers due to shaft speed lowering, electric driven pumps will sequentially start when their auto start setpoints are reached. Eventually MT coasts to a stop. During a LOCA there is no immediate effect on the system. The alternate power supply to F1D08 is removed until operator intervention restores the stub buses, so if there is a LOOP following a LOCA prior to restoration of the stub bus, the Emergency Bearing Oil Pump will supply the necessary pressure to the turbine bearing until the turbine coasts to a stop.
205
What is the upper temperature limit for all lube oil exiting a bearing?
< 180F
206
What cools the MTLO coolers?
Service Water
207
List all pumps in the RFPT LO System. What are there power supplies?
Main Oil Pumps & Aux Oil Pumps - Non-Class 480V Emergency Oil Pump - D1B
208
List the auto starts of the RFPt Main and Aux Oil Pumps.
A - < 201# B - < 200#
209
List the auto starts of the RFPT Emergency Oil Pump How is the pump secured after an auto start?
Low filter outlet pressure of < 28# or Loss of power to main pumps Pump must be manually secured after an auto start.
210
What cools the RFPT LO Coolers? What is the effect on a loss of this system?
Cooled by TBCC. Bearings will not get cooled due to loss of cooling.
211
What issues in the RFPT LO System will cause a trip of the RFPTs?
Bearing oil pressure < 4#
212
How does a LOOP effect the RFPT LO System? How does a LOCA effect it?
RFPT Main and Aux oil pumps are not diesel backed. Pumps will trip and Emergency pump will operate to provide oil for coast down only. LOCA has no direct effect on this system.
213
Describe the pump arrangement for the MFP. Describe the redundancies in their power supplies.
MFP has two pumps, an AC pump and a DC pump. The AC pump has no redundancy. It is non-safety 480v powered with no auto starts or trips. The DC Pump is powered by D1B.
214
Explain the auto starts associated with the MFP DC LO pump
It auto starts on flow < 6 gpm on the AC pump or low bearing oil pressure < 8#. It will secure itself at > 6 gpm.
215
What cools the MFP LO Coolers? What are the effects of a loss of this system on the MFP LO System?
Cooled by TBCC LO temp will rise but there are no trips or alarms associated with MFP LO.
216
Explain the effects of a LOOP on the MFP LO System? What effects does a LOCA have?
During a LOOP, the MFP loses power (L10). The MFP AC Pump also loses power. The DC pump will auto start on one of its autostart signals until the pump coasts to a stop. A LOCA has no effect on the MFP LO System.
217
Describe the flow path for the Lube Oil Purification System
Drain from resevoir Precipitate compartment Filter compartment Storage compartment Pump Polishing filter Return to MLO resevoir
218
What happens to Scram time as RPV Pressure lowers?
It increases.
219
# Regarding the CRDH system What are the consequences of a failed Flow Control Valve?
Cooling water flow is severely restricted and CRD temperatures increase.
220
What is Rod Density? How is it calculated?
Total number of control rod notches inserted into the core divided by number of notches available.
221
What is the normal water supply to the CRD system? What is the alternate supply? How is the alternate supply initiated?
Normally supplied by condensate downstream of the FDs and before the CBPs Alternate is from the CST There is a check valve and alternate supply line that taps off the make-up line from the CST. When Normal supply fails or is secured, the check valve will open and supply CST water to the CRD pumps.
222
# Regarding the CRD system How is the PCV operated? Is it motor operated or pnuematic? What is the supply for its operation? What position does it fail to? What maintains differential pressure between the vessel and the CRD system?
PCV is throttled to a set position to establish differential pressure initially. Motor operated, from non-class 480v. Fails as-is. The FCV automatically repositions to maintain a constant flow, thus maintaining a constant DP.
223
What is the purpose of the Stab valves in the CRD system? How many are there? Are they motor operated or pnuematic? How do they fail? What flow rates are associated with them? What system redundancies prevent stab valve failure from creating excessive rod speeds? Describe their operation.
Stab valves maintain drive water pressure 260 psid above reactor pressure. There are 8 stab valves, with 2 per drive water header. They are air operated valves. They fail closed on loss of power/air. Each stab valve is capable of passing 4 gpm when open. An in-line relief that opens at 550 psid and relieves downstream of the PCV will prevent stab valve failure from creating excessive rod speeds. During an insert signal, 2 stab valves will close. During a withdraw signal, 1 stab valve closes. This directs water into the drive header where the differential pressure will move the control rod.
224
What are the effects of a Scram signal on the CRD system?
Scram signal is inserted depressurizing the charging header. The flow element for the FCV is downstream of the charging header. This will create a high flow signal as the majority of CRD water is directed to the lower pressure area (to the HCUs). This causes the FCV to fully close, preventing flow from reaching the drive water and cooling water headers. The system will remain in this condition until the scram is reset and the HCUs are allowed to return to repressurize.
225
# Regarding the CRD system: What happens to the FCV on a loss of air?
Fails closed.
226
# Regarding the CRD system What is the purpose of the pressure equalizing valves in the exhaust header?
They lift to repressurize the exhaust header following a scram. This prevents high D/P across the operating CRDMs and limits rod speed.
227
# Regarding the CRD system What are the directional control valves? How many are there per control rod? What indications would a failure of a directional control valve provide? What does this mean?
Directional control valves reposition to allow flow through the drive header to insert or withdraw control rods. There are 4 directional control valves per control rod. A failure of a directional control valve would indicate drive flow of 0 . This means the HCU is hydraulically locked.
228
What is the Scram Discharge Volume? What happens to it during a scram? What consequences exist if these functions do not occur?
Omega shaped volume meant to receive bleed off from the reactor when inserting control rods with a reactor scram. During a scram, its vent and drain valves trip shut to capture the discharge from the scram. If these valves do not isolate, there is a direct path venting reactor water to the suppression pool.
228
What mech component supports the CRDM as it settles?
Collet Fingers
229
What is the purpose of the CRD Housing Support Structure? | Also referred to as "Shoot out steel"
Strongback that prevents ejection of a control rod any more than 3 inches (equal to one notch) in the event of a CRD housing failure.
230
What feature will allow the control rods to fully insert if all methods of delivering charging water pressure for the Scram failed? How high must reactor pressure be to allow this feature to function?
Ball check valve in the mechs. Must be > 600#.
231
Describe the drive piston construction of a CRD Mech. What does this design facilitate?
Piston has two separate surface areas above an below (called the p-under and p-over areas). This difference in surface area creates a difference in force with the same pressure, allowing the mech to drift inwards in the event of an HCU failure.
232
# Regarding CRD Mechs What are the collet fingers? What happens if they fail when retracted?
Collet fingers are clasps that latch in to notches to prevent rods from moving further out of the core than commanded. If the collet fingers fail when retracted the control rod will drift out of the core.
233
# Regarding CRDM construction What is the velocity limiter? What safety feature does this provide and why is it important?
The base of the rod, which is shaped like a parachute to limit speed to < 3.11ft/sec in the event of a rod drop accident. This prevents a high reactivity insertion rate by limiting hte control rod velocity. It is shaped so that during a scram, the insertion rate is not significantly affected.
234
What actions are required if two or more Scram accumulators are inoperable with > 600 psig steam dome pressure? What actions are required if one accumulator is inoperable with < 600 psig steam dome pressure? With more than one accumulator inoperable with < 600 psig steam dome pressure?
Within 20 minutes from discovery, restore charging water header pressure to > 1520 psig. Verify charging water header pressure > 1520 psig. Scram immediately.
235
What are the power supplies for CRD pumps? How do these pumps function in a LOOP? LOCA? What start permissives exist for these pumps? what trips exist for these pumps?
Stub busses During a LOOP, the stub bus will re-energize when the diesels pick up their busses. The CRD pumps must be manually restarted. During a LOCA, the stub busses are stripped from their normal EH supplies. CRD pumps can not be restored until the operator re-energizes the stub busses. Permissives: Suction pressure > 25" HgA Pump oil pressure not low Trips: Low suction pressure < 25.8" HgA Low oil pressure < 3 psig Undervoltage Overcurrent
236
How is oil supplied to the CRD pumps? How are these pumps powered? What trips, permissives, and autostarts are associated with these pumps?
Attached and Auxiliary lube oil pumps. Attached are shaft driven, auxiliary are powered by F1C08 and F1D08 Shaft driven pump has no logic. Trip on oil pressure > 9 psig and rising. Permissive to start < 9 psig. Auto start on < 5 psig AND respective pump breaker closed.
237
How does the CRD OTBD CIV fail? How does this valve position during a LOCA?
Fails as-is. Stays as-is during LOCA.
238
What is rated total core flow? What is rated FDW flow? What is the recirculation ratio and what is its value?
104 mlbm/hr 16 mlbm/hr Recirculation ratio is the amount of times water passes through the moisture seperator before it goes into the MS system. 6:1
239
Explain the effect of a recirculation pump downshift or trip on the reactor.
The decrease in flow causes an increase in void formation. This increases RPV level and reduce reactivity.
240
What are the indications of a failed jet pump? What is the major potential consequence associated with this failure?
Drop in reactor power Drop in total core flow Drop in core plate D/P Failure of a jet pump could cause a loss of refloodable volume due to increased blowdown area in the event of a LOCA.
241
For B33 recirc pumps, what provides the NPSH in slow and fast speed?
Height of the downcomer in slow. Height of the downcomer + subcooling of the feedwater in fast.
242
What are indications of inner, outer, and both seal failures in the B33 Recirc pumps? What actions are required when seal temperature exceeds 210F?
Inner seal failure - Outer seal pressure increases. Increases staging flow through 2nd PBD coil (Staging Flow Hi Alarm) Outer seal failure - Decreased pressure in #2 seal. Outer seal leak detection line Hi Flow Alarm. Both seals failed - Leakage past the outer seal (leak detection Hi Flow Alarm). If the seal temperature exceeds 210F, operator is required to trip pump.
243
What is a FCV runback? What are the setpoints to actuate it? When is it active? If a signal is generated to perform a FCV on A Recirc FCV, will B Recirc FCV run back as well?
Flow control valves run back to 17% indicated FCV position, equivalent to 48% of rated flow, 58 mlbm/hr. RFPT Trip AND RPV L4 or Condenser vacuum > 5.6" HgA AND either < 3 cw pumps running OR #1 Steam Bypass Valve full open. Active in Fast speed only. No, not unless a signal is generated on B Recirc FCV as well. Each FCV has its own channel.
244
What is the Automatic Flow Demand Limiter? What is its purpose? What indications show that its in control? What instrumentation provides the signal for the AFDL? What is the maximum amount of protection it can provide?
Circuit that takes control of FCV position and runs back flow in the event that a power setpoint is reached. It allows flow to be increased over 100% rated core flow at end of cycle and provides protection for high APRM flux conditions. Annunciator "AFDL IN CONTROL" on P680 will alarm. APRM A & E feed into the flux estimator which provide its input signal. Max AFDL override is 40% of the flow demand signal. This equates to roughly 45% change in valve position.
245
A APRM upscales and the AFDL IN CONTROL annunciator actuates. FCVs begin to close and the operator takes APRM A to Bypass. What are the effects of this action?
As soon as APRM is bypassed, AFDL will no longer be in control. FCVs will return to their normal position and a power excursion will be imparted due to insertion of reactivity.
246
# Regarding Reactor Recirc System List shifts and trips of the HPUs
Shifts: Pressure Low (<1650#) Low oil resevoir level OC/UV Warm Oil (>145F) Velocity Error HPU Trips: Pressure low with other HPU in Maint. Oil Empty 60 Gal OC/UV with other in maint. High Oil Temp >150F
247
Draw or explain the electrical diagram for B33 pump power supplies
248
What are the cavitation interlocks? What does each interlock protect? What protective action do these interlocks take?
Low Total FW Flow - < 3.43 mlbm/hr for 15 seconds. Protects the FCVs. Steam Dome/Pump Suction DP - <10F for 15 seconds. Protects the recirc pumps and jet pumps. They trip the 5 Bkrs on the pumps and automatically downshift to slow
249
What is the low level downshift interlock? What protective action does this interlock take? What are the bases behind this interlock?
Automatic downshift to slow speed at Reactor L3 (178") Trips the 5 Bkrs, downshifts to slow speed. Primary basis: Downshift provides temporary level increase due to increase in voids. Secondary basis: Prevent jet pump cavitation and minimize velocity head effects on wide range level instrumentation.
250
What is the EOC RPT Interlock? What protective actions does this interlock take? What is the basis for this trip?
EOC RPT Downshifts RCPs to slow speed when either TCV fast closure or TSV < 90% open. Only active at > 38% Prx as indicated by 1st stage shell pressure. Trips the 3 and 4 bkrs, which in turn trip the 5 bkr. This interlock is in place because at the EOC the initiating conditions will add reactivity faster than the control rods can insert negative reactivity. The downshift will supplement negative reactivity addition.
251
What causes a Recirc pump downshift in the Redundant Reactivity Control System? What causes them to trip in this system? What is the basis of these trips?
RPV Pressure > 1083# will cause the 3 and 4 bkrs to trip, which will trip the 5 bkr. If RPV Pressure > 1083# and APRM not in downscale after 25 seconds, the pumps will trip completely. Pumps will also trip at L2 (130"). These are in case of an ATWS.
252
What are the seven common start permissives for the Reactor Recirc Pumps?
Suction > 90% open Discharge > 90% open FCV in minimum FCV in Manual Thermal shock interlocks met 5A/B bkrs racked in with control power available. No incomplete sequence timer.
253
# In regards to the B33 system What is the thermal shock interlock?
Temperature Delta between steam dome and bottom of vessel < 100F. Temperature delta between steam dome and recirc suction line < 50F Temperature delta between recirc lines < 50F
254
Explain the starting sequence for the Recirc pumps in slow speed. What permissives are required besides the 7 common?
Pumps are started in fast. Once pumps reach 95% of rated speed, 5 bkr trips and pump coasts down. At approx. 26% speed, pump aligns to the LFMG and runs in slow. Also need FDW Flow < 3.43 mlbm/hr, Low power bypass sw in normal, LFMG available.
255
During a pump shift, what circuit monitors the shift and what actions occur if the shift fails?
Incomplete Sequence Relay circuit. If the transfer exceeds 40 seconds, the 1 and 5 bkrs are tripped.
256
What permissives are required for a shift to fast speed from slow speed besides the 7 common permissives?
Flow > 3.43 mlbm/hr No EOC RPT or RRCS setpoints No cavitation interlocks Auto Transfer sequence not energized Above L3 (178")
257
What are the effects on Reactor Recirc system with a loss of ED1A/ED1B
The applicable pump will trip if running in fast. Bkrs 3 and 4 get their control power from Divisional DC. The 5 Bkr would sense that they are open even though they would remain closed. If in slow, there woul dbe no effect.
258
Immediate actions for recirc pump trip in Modes 1 and 2
Scram the reactor.
259
List the flowpaths with the stator water cooling system.
Main flowpath: Stator windings Secondary flowpath: Rectifiers Tertiary flowpath: Deionizer
260
What actions should be taken if stator water cooling conductivity reaches 9.9 micromohs/cm^3
Turbine must be tripped.
260
How many stator water cooling pumps are there? What are the auto starts of the stator water cooling pumps? Will the pumps continue running after the condition clears?
2 126.1# primary or 115.5# backup on running pump. Yes, the pump seals in with the initiating signal and control switch must be taken to off to reset.
261
What cools stator water cooling? How many coolers are there and how are they arranged? How is temperature modulated through these coolers? What is the system response for a failure of the temperature modulator?
TBCC 2 coolers in series. A 3-way TCV bypasses around the HXs to modulate temperature to approx 38C. If the TCV fails, it will fail to the max cooling position.
262
What causes a SWC runback?
Cooling water inlet pressure low < 42.5# Cooling water outlet temperature high > 81c
263
Explain the process of a stator water Load Set Runback
Load set is typically 120 MW above generator output. When a stator water runback initiates, this load set will dial back at a rate of 1% every 3 seconds. Once Load Set with the runback becomes the low value, TCVs will being to close while bypass valves open. A main turbine trip will occur if generator load is not reduced to < 75% in 2 minutes OR < 25% in 3.5 minutes. In all likelihood the runback will not clear and the operator is reuqired to Scram the reactor when the 3rd bypass valve begins to open to maintain margin.
264
What system monitors for leaks in the SWC system detected? What else does this system provide?
Stator Leak Monitoring System (SLMS) Monitors in-leakage of hydrogen to the SWC system as well to validate stator winding hydraluic integrity.
265
# Regarding the Stator Water Cooling System What is the purpose of the pressure control valve? What are the mechanical stops for this valve installed for?
PCV maintains pressure of the SWC system at least 3# below generator casing pressure to prevent hydrogren in-leakage (3 psid). Mechanical stops installed to ensure both sufficient flow to purge gas bubble formation while maintaining pressure low enough to no exceed required value at rated load.
266
How are vessel external temperatures monitored? What will cause them to alarm and why?
RTDs on top head flange, shell flange, bottom head flange. Will alarm at < 85F due to brittle fracture concerns.
267
List calibration conditions for Shutdown Range level instrumentation
165" - 570" 120F RPV Temp 0 PSIG 90F in Drywell
268
List calibration conditions for Upset Range level instrumentation
165" - 350" Sat. Water/Steam mixture 1025 PSI RPV Norm DW Temp
269
List calibration conditions for Normal Range level instrumentation.
165" - 230" Sat Water/Stm 1025 PSI RPV Norm DW Temp Jet Pump Flow
270
List calibration conditions for Wide Range level instrumentation
5-230" Sat Stm/Water 1025 PSI RPV Normal DW Temp 20 BTU/lbm Subcooling No Jet Pump Flow
271
List calibration conditions for Fuel Zone level instrumentation
50" to -150" Sat mixture 212F RPV 212F DW No flow 0 PSI RPV
272
# Regarding B21 Level Instrumentation Explain Level Notching Phenomenon
With CRDH Ref Leg Purge out of service, level instruments notch up during depressurization due to non-condensable gasses coming out of solution in the reference leg. This causes various anamolies that will caues indicated level to be higher than actual.
273
List all trips and actions associated with the various level set points.
274
# Regarding the RRC System What is an ARI? How is it actuated? How long until an ARI can be reset?
Alternate Rod Insertion - 4 valves per division vent the scram air header to open scram valves. ARI Signal energizes DC solenoids that open block and bleed valves. 30 Seconds
275
How long does an RRCS trip seal in?
12 Minutes
276
What causes an RRCS Recirc Pump downshift?
RPV > 1083#
277
What causes an RRCS Recirc pump trip?
RPV > 1083# and APRMs not in downscale after 25 seconds. or L2 (130")
278
# Regarding the RRC System What causes a Feedwater Runback? What happens in a feedwater runback?
RPV > 1083# and APRMs not in downscale after 25 Seconds RFPT and MFP level controllers shift to manual and run back to minimum.
279
How many rods can be bypassed by the rod pattern controller? What does this allow the operator to do?
Up to 8 rods can be bypassed. This allow sthe rods to be manipulated without interlocks - very dangerous. Use consequence bias.
280
How does rod pattern controller limit rod position? When is this controller active governing rod position? What kind of rod blocks does it insert? What is the basis of this feature?
RPC does not have specific notch limits, it has bank limits. Its active when power is below the LPSP (< 19% Prx) based on turbine 1st stage pressure. It will provide both insert and withdraw blocks. Protects against a rod drop accident.
281
When does the rod withdrawal limiter take control? What does the rod withdrawal limiter protect from? What are the withdraw limits associated with it and when are they active?
Above the LPSP. Protects the plant from exceeding MCPR due to rod withdraw error. From LPSP to HPSP (>19% and < 66.7%) 4 notch limit. Above HPSP 2 notch limit.
282
What are the rules for Rod Position Substitution?
Can not use substituted data. No more than 1 rod per gang may have a substitution When good data is received, it replaces substitute data. Shall not substitute over good data.
283
What will a faulty position indication probe cause?
Channel Disagree and Data Fault
284
What will cause a Rod Drift alarm?
Rod moves to a position RACS did not anticipate. Rod passes by an odd read switch without a command.
285
What is the Rod Gang Drive Cabinet? What does it check? What can it bypass and how many of them can it bypass? What are precautions of bypassing?
Analyzer that scans all 177 rods to validate scram valve positions, SRI switch position, and HCU status. Can bypass 1 HCU at a time. Bypassing will prevent all information from bypassed HCU from being sent back. Bypassing a drive will prevent it from moving UNLESS that drive is selected in a gang, in which case it will move with the gang.
286
List all Select Rod Blocks
Rod Select Clear pb not depresed One rod selected and withdrawn in Refuel mode Rod selected and driving Analyzer comparison or self test malfunction
287
List all Insert Rod Blocks
Position substitution violation Rod Pattern Sequence Violation (from RPC)
288
List all APRM rod blocks and when they are bypassed.
APRM Downscale - Bypassed Not in Run APRM Upscale (12%) - Bypassed in Run APRM Upscale Flow Bias - Bypassed not in run APRM Inop - Never bypassed Flow Channel Upscale - Bypassed not in run
289
List all IRM Rod blocks and when they are bypassed.
IRM Downscale - Bypassed in IRM R1 and in Run IRM Hi Flux - Bypassed in Run IRM INOP - Bypassed in Run IRM Detector Wrong Position - Bypassed in run
290
List all SRM Rod Blocks. When are they bypassed?
SRM Downscale < 0.7 CPS SRM Upscale 1x10^5 CPS SRM Inop SRM Wrong Position < 100 CPS and not full in Bypassed with MS in Run, IRM R8, or SRM bypassed. Wrong position & downscale bypassed on IRM R3.
291
List the following rod block trips and when they are bypassed: Rx Mode Switch SDV Lvl Hi SDV Keylock in B/P Refuel platform Rod Pattern Controller
SDV Level Hi - 12 Gallons, never bypassed SDV Keylock -> MS in S/D or Refuel & SDV in Bypass -> Bypassed in S/U or Run Mode Switch -> Mode Sw in S/D -> Bypassed other than S/D Refuel Platform - R/F Bridge over core & Grapple > 550 lbs. -> Bypassed other than Refuel RPC -> Sequence violation, 4 notch limit, or 2 notch limit, bypassed based on LPSP & HPSP.
292
How do OPRM inputs work?
293
When are OPRMs enabled? What actions must be taken if in the OPRM trip enabled region and the Immediate exit region is entered?
>23.3% RTP and < 63.5% Flow
294
What happens to the APRM Recirc Flow Unit Flow Biased Scram Setpoint if the Flow Channel Summer output fails to 0?
Rod block becomes 56% & Half scram becomes 61%
295
What power the LPRMs, APRMs, and OPRMs? What are the consequences of cycling the breaker on this power supply?
ATWS Inverter Cycling these breakers is the preferred method of inserting a scram if the control room is uninhabitable as it will not close the MSIVs.
296
How is the Turbine Generator synched to the grid?
Out of phase closure is prevented with relays. Breaker lockouts must be reset Synchroscope selected Match Volts In phase moving slow in the fast direction near 12 o'clock position. At this point relays will allow for synching to grid.
297
What does the exciter do? What provides the voltage for the exciter?
Exciter flashes the initial field over a span of 10 seconds to turn the generator into an actual generator. Field flash voltage is provided from D-1-B
298
What is the purpose of the power rectifier? What cools it? How many power rectifiers are there and how many are required to be online at 100% power?
Rectifier converts AC to DC for use in the field current. Cooled by Stator Water Cooling There are 5 on the turbine and 4 are required to be online.
299
How is the generator field established initially and how is it maintained?
Field is initially flashed over a 10 second span by the exciter. Once the field is established, the exciter secures and field current is supplied by output slip rings through the Generator Field Breaker, which goes through a rectifier to make the generator field.
300
What does the voltage regulator control? How many voltage regulators are there and how do they work?
Voltage regulator controls reactive power. There is an AC voltage regulator that automatically controls voltage. There is also a DC voltage regulator. This regulator is manual and maintains constant generator excitation.
301
What conditions will cause a transfer from AC (Automatic) to DC (Manual) voltage regulation? What precautions should be taken in regards to DC regulator setpoint vs. automatic regulator output?
Voltage unbalance Exciter field overcurrent (Instantaneous) Exciter field overcurrent (Time delay) Maximum excitation limit (>5 seconds) Generator field breaker open or racked out Exciter field breaker open or racked out. The DC regulator should be periodically matched to avoid excessive transients in reactive voltage on a swap to manual control to prevent a sudden change in field strength.
302
List the protective circuits of the AC Voltage Regulator
Exciter Field Current Limiter Maximum Excitation Limiter Exciter Minimum Voltage Limiter Underexcited Reactive Ampere Limit (URAL) V/Hz Regulator
303
What does the Underexcited Reactive Ampere Limit protect from and how is this accomplished?
The URAL limits how underexcited the generator can operate (the generator can only lead so much before operation is challenged). It protects from pole slippage, which could cause significant damage.
304
What does the Maximum Excitation Limiter protect the generator from? What actions does it take to enact this protection?
Protects the generator from excess excitation which would cause overheating conditions. Takes over AC Regulator signal and applies 100% rated excitation. If no response in 5 seconds, transfers to the DC regulator. If no response in 10 seconds, trips the Generator Field Breaker.
305
What does the De-Excite circuit protect and how does it accomplish this?
Backs up the field breaker trip to remove generator excitation. Trips when exciter field breaker trips, grounding the voltage regulator.
306
What is the Generator Core Monitor used for? How can the operator determine if a warning light on the GCM is valid?
Generator Core Monitor pulls air samples from inside the Hydrogen cooled areas and monitors for insulation breakdown. With a warning light in, a filter is inserted into the monitoring process. If the sample reading returns to a normal value, then the alarm is valid and actions must be taken.
307
List the Generator Field Breaker Trips
Primary or Secondary Lockout energizes High V/Hz ratio sensed (Time delays) - 1.10 V/Hz (45 seconds) - 1.18 V-Hz (2 seconds) Max Excitation exceeded (Time delayed) Generator Breaker Control Switch to Trip Local Trip Pushbutton
308
In the generator capability curve below, describe the following: What do the pressure curves represent? What is the limiting issue from lines A-B? What is the limiting issue from lines B-C? What is the limiting issue from lines C-D?
The pressures on the curves represent the hydrogen volume pressure cooling the stator. For A-B, curve is limited by field heating. For B-C, curve is limited by armature heating. For C-D, curve is limited by armature core end heating.
309
What is the most severe transient for reactor pressure that the plant could face and what does it challenge?
Generator load reject with no bypass valve action. Challenges MCPR.
310
What condenser condition would require a turbine trip at low loading of < 375 MWe?
Vauum > 5" HgA
311
For the graph below, determine if the following parameters are acceptable: Generator lagging 50 MVARS Generator output 1200 MWe Hydrogen Pressure 45 PSIG
No, these conditions fall outside the acceptable parameters of the Generator Capability Curve
312
What are the consequences of feedwater flow failing high?
Challenges L8 Reactor Scram condition Power increase due to subcooling and static head collapsing voids.
313
Explain the flow path for long cycle cleanup
With one HWP online for short cycle cleanup -> to the HST -> One RFBP -> External Drain Cooler -> #5 Heaters -> FW Pump Bypass -> #6 Heaters -> Bypass of #6 Heaters -> Throttle return to HP Condesner.
314
How does DFWCS sense if a RFPT is available?
Senses if there are no low hydraulic header pressure trip signals and the discharge valve is 90% open.
315
The operating RFBPs tripped on low HST level. What actions must be done to the RFBPs in recovery from this event?
RFBPs must each be manually started prior to placing in standby. This will clear the trip signal and prevent water hammer.
316
What is the purpose of the external drain coolers?
Provide subcooling for the 5 heaters drains to prevent flashing to steam in the DC heater.
317
What are the two methods of supplying steam to the RFPTs? When is each method used?
Steam is supplied to the RFPTs from the MS Equalizing Header and from cross around piping. During initial startup, the RFPT will utilize MS EQ HDR steam to operate. When cross around piping pressure becomes sufficient, the high pressure control valve will throttle closed and the low pressure control valve will throttle open to control RFPT speed.
318
How do RFPT trips work?
Each RFPT has its own trip system. A trip will lower hydraulic pressure to < 75 psig and cause fast closure of both stop valves. There are 4 ways to trip: Remote (Control Room) Local Manual Trip Lever Electrical Trip Solenoid Overspeed (Mechanical)
319
List the start permissives for the RFBPs
HST Lvl > 47 1/16" Seal Pressure > 110# Suction/Discharge Valves > 90% Open No electrical Lockout
320
List the RFBP Trips and Setpoints
HST Level < 47 1/16" HST Confirmatory < 104 1/16" Suction/Discharge < 90% Open Motor Overcurrent
321
List the RFBP Auto Starts
Start Permissives must be met Any RFBP Trip Low MFP NPSH < 15# Low RFPT NPSH < 12#
322
List this RFPT trips
Turbine overspeed 110% Low Aux Cond Vacuum 11.5" RPV Lvl Hi 219" Loss of all RFBPs RCIC Initiation (Time delay 4.5 mins if > 95% power) High Discharge Pressure RFP Suction Valve not Full Open Low Bearing Oil Pressure Thrust Bearing Wear Manual trip PB Local trip lever
323
List the MFP Start Permissives
Suction Valve > 80% Open RPV Lvl < L8 LO Pressure > 6# No Lockout
324
List the Trips and Setpoint of the MFP
Suction Valve < 80% Open RPV L8 219" Low LO Pressure Low NPSH < 5# for 14 seconds Lockout
325
List the auto starts of the MFP
Loss of 1 RFPT & remaining RFPT LPSV is open Loss of both RFPTs
326
When will the RFBP recirc valves automatically open? How are they closed?
HST to RFBP discharge differential pressure > 320# Must be closed by operator.
327
When do RFPT discharge valves auto close?
RFPT Trip
328
What causes an automatic opening of the RFPT and MFP recirc valves?
For the RFPTs, if any RFP trips in manual, will auto open. Will also auto open if flow demand < 7000 gpm. For MFP, if the MFP trips in manual, the recirc valve will auto open. Will also auto open if flow demand < 4000 gpm.
329
What restrictions are automatically enforced regarding positioning of the MFP and RFPT recirc valves?
Valves can be opened for more flow if desired. Can not be closed further than the minimum flow positions for the applicable pump (7000 gpm RFPT, 4000 gpm MFP).
330
With a train of the 1 & 2 heaters lost, what are the generator load limits and bases for these restriction? Why are they different?
If RFPTs are supplied by the MS EQ Hdr, limit to 1125 MWe. If RFPTs are supplied by extraction steam, limit to 1188 MWe. Prevents undue loading and overstressing of any turbine parts. The delta between the limits is because extraction steam reduces the stresses involved by reducing the stage pressures, pressure drops, etc.
331
With 2 trains of 5 heaters lost, what are the generator load limits and bases for these restrictions? Why are they different?
If RFPTs are supplied by main steam, 938 MWe. If supplied by extraction steam, 1000 MWe. This is to prevent overloading of FW heaters 6A and 6B.
332
What restrictions on reactor power must be enacted for a loss of 1 train of 1/2 heaters? How does this restriction change if 2 trains are lost? What is the basis for these restrictions.
Reactor power must be lowered to within the limits allowed by 18,000 gpm condensate flow. If a second train is lost, this restriction lowers to 9,000 gpm. This is to minimize flow induced vibrations in feedwater heater tubes.
333
If 2 trains of 3 heaters are lost, what restrictions must be placed on reactor power? What is the basis for this restriction?
Reactor power must be lowered to within the limits allowed by 11,900 gpm condensate flow. This is based on bypass line flow limitations.
334
With two trains of the same 5 or 6 heater lost, what restrictions must be placed on reactor power? What is the basis for this restriction?
Reactor Power must be lowered to within the limits of 18,400 gpm Feedwater Flow. This is due to bypass line flow limitations.
335
When will a RFBP NOT autostart on a trip of another RFBP? What happens instead?
If the trip was due to HST Level low. All RFBPs trip.
336
How does a loss of IA effect the feedwater system?
Feedwater recirc valves fail open. Seal injection valves fail open. MFP FCV freeze circuitry actuates at 70 psig IA. RFP Seal drain tank drain to condenser fails closed.
337
How does a LOOP effect the feedwater system?
RFBPs are lost. RFPT Lube Oil AC pumps lost and RFPTs trip. DC LO pumps auto start. MFP is not operable (loss of L10) Seal water injection pumps de-energize. MOVs fail as is.
338
How does a loss of vacuum effect the feedwater system?
At 11.5" HgA in the Aux Condenser, RFPTs trip.
339
How will a MSL Break effect the Feedwater system?
RFPTs will coast down as steam is voided from the MS system. Feedwater flow decreases to zero but the MFP does not auto-start because no trip signal exists on the RFPTs. If operator does not start the MFP and begin feeding, HPCS and RCIC will initiate at L2.
340
What does the feedwater leakage control system do? Where does it get its water supply from?
Prevent leakage outside of containment via feedwater lines following a LOCA. Basically a valve gland sealing system that uses clean water. Div 1 gets its water from the LPCS/RHR A Waterleg pump. Div 2 gets its water fromt he RHR B/c waterleg pumps.
341
What are the loads of the CCCW system?
ECC Pump room, Computer room, Control Room Emergency Recirc, Control Room, MCC, SWGR and Misc, and Controlled Access Ventilation systems.
342
What trips the CCCW system? What are the CCCW System auto-starts?
C CCCW Pump- LOCA or LOOP, Not diesel backed. A & B CCCW Pumps - LOOP, restart in 35 Seconds if in STBY. For Auto starts -> LOCA, in-service pump will remain in service if running. Starts at 35 sec if in Standby.
343
What causes the CVCW CIVs to close?
BOP Isolation, no override
344
What cools CCCW? What cools CVCW?
ECC Cools CCCW A/B NCC Cools CCCW C NCC Cools CVCW
345
Explain the recycle interlock. How is it different for CCCW than for CVCW and TBCW?
After a trip, the system prevents restart for a set amount of time to protect the compressor motor. CCCW has a 20 minute delay and is bypassed in LOOP and LOCA The others have a 15 minute delay.
346
How many branches of SRIA are there? What is the normal pressure band for the SRIA system? What operability requirements are covered by SRIA? What loads are on each branch? What system can provide makeup to SRIA if no other means are available to maintain system pressure?
There are two branches of SRIA. Maintained between 160 and 170 psig. If SRIA is below 150#, ADS valves are inoperable. If SRIA Receiver B is < 90#, OTBD MSIV Leakage criteria is not met. A Side has 4 ADS Valves and the lowest LLS Valve B Side has 4 ADS valves (Two of them LLS), and supplies OTBD MSIV Closure assist. Instrument air can be bridged to the B side to repressurize to 120#
347
If the HPCS Injection valve is closed, how is SLC operability effected? What about Alternate Boron Injection?
SLC is not effected becuase it injects downstream of the HPCS injection valve. Alternate Boron Injection is not available because it injects upstream of that isolation.
348
SLC A is initiated, what effect does this have on the RWCU system?
SLC A is Div 1 so the OTBD CIV for RWCU would isolate. This would cause the RWCU Pumps to trip.
349
SLC is initiated on both divisions. The SLC A and SLC B pressure gauges both indicate pump operation. Is this sufficient to determine if SLC is operating as designed? If yes, why? If no, then how would proper operation be verified?
No, because the gauges for both pumps tap off the same system cross connect line. In order to determine if both pumps are operating properly, a flow rate must be determined. A single pump is only capable of approx. 43 gpm, so dividing level change by time will determine how many pumps are operating.
350
What is the minimum required temperature in the SLC storage tank? What is it normally maintained at? What does this prevent?
> 70F Heaters cycle 75-85F This is to prevent precipitating boron out of solution.
351
SLC is initated but no discharge pressure is seen after the keylocks are taken to start. Have the pumps failed to start?
Not necessarily, there is a delay to start waiting for suction valve to open.
352
SLC is initiated and the continuity light on A squib valve does not extinguish. What are the consequences of this failure?
There are not really any consequences because 1 squib valve is rated for 100% flow and the systems are cross connected.
353
What is the only valve in the IFTS system that is motor operated?
The transfer tube drain isolation.
354
# Regarding the IFTS system What does the Versa Blocking Valve do?
Prevents opening bottom valve if transfer tube is not drained. Can not be defeated.
355
Describe the IFTS auto transfer sequence
* Initially: Fuel in Carriage, Bridge away from Upender area, Flap Vlv Open, Bottom Vlv Closed * AUTO RUN START * Upender Inclines * Xfer to Fill/Drain position in fast speed and stops * Flap Closed * Drain Opens and drains to lower pool level * Bottom Opens * Drain Closed * Xfer to FHB in fast speed in then slow in until carriage bottoms out * Winch provides 3” slack until “AT FUEL BLD” light * Upender Vertical – unload/load * IFTS Drain Tank water is pumped to FPCC Surge Tanks, and returned to upper pools
356
List interlocks associated with the F11 and F15 bridges. What do these interlocks do?
Refuel Interlock - Can not remove a fuel bundle from the RPV unless all rods are full in. - Removes power from the fuel hoist motor. Bridge Reverse Stop 1 - Hoist loaded and there is a control rod withdrawn. - Cannot move bridge over the RPV. Bridge Reverse Stop 2 - Mode switch NOT in R/F, or more than one rod selected, or more than one rod withdrawn. - Cannot move bridge over the RPV. Safety Travel Interlock - RF Bridge entered a restricted area. - Power interrupted to RF bridge, Trolley, and Fuel Hoist.
357
What is considered a safe fuel storage location?
Properly seated in a designated storage location. Properly seated in IFTS carriage with Upender inclined. Seated in the fuel prep machine in its full down position. Properly seated in the designated location of the HI-STORM Cask Properly seated in the MPC for spent fuel dry storage. Properly seated in the reactor vessel (only if all refueling interlocks are available)
358
What does the HPCS system seal-in reset pushbutton do? How does it effect the system when initiating conditions still exist?
Breaks the seal in and stops initiating signal. If L2 is not clear, it will not do anything. If Drywell Pressure is not clear, it will reset the initiating signal.
359
What is the low speed stop for the RFPTs?
3300 RPM
360
List the serviced loads of the following stages of extraction steam:
361
What is the purpose of the Positive Assist Check Valves on the Extraction Steam system?
Prevent turbine overspeed following a turbine trip.
362
Explain what happens with heaters regarding high level automatic actions.
Receiving Drains close Alternate drains on the heater with the high level open. Extraction steam supply isolats - Except for the 1/2 heaters, condensate isolates on those.
363
Immediate actions for ONI-N36, Loss of Feedwater Heating
While core flow > 58 mlbm/hr, reduce reactor power using FCVs to: - < 96% Prx or - Less than or equal to power level prior to loss of feedwater heating.
364
How do heater drains fail on loss of power/air?
Normal drains fail closed, alternate drains fail open - except for the 1s, both normal and alternate fail open.
365
List the shutoff head and rated pressure/flow for the LPCS pump.
S/O head - 450 psig 6110 gpm at 128 psig
366
What is the purpose of the waterleg pump in the LPCS system? What systems does this pump supply? What are the implications of this pump being secured?
Keeps lines filled thus minimizing injection time and preventing water hammer. Supplies LPCS, RHR, and FWLCS Div 1 If pump is secured, systems it supplies will be considered INOP until filled/vented.
367
Explain the logic sequence for the LPCS Min Flow Valve What is its standby position?
Auto Open - when flow < 1350 GPM & Pump Bkr Closed Auto Close - Flow > 1380 GPM for 5 seconds. When system is in standby condition, min flow valve is open.
368
Explain how LPCS system valves position during a LOCA signal. How can positioning change of these valves change based on reactor pressure?
Injection valve opens only if "blue light permissive" is in. Test return closes. Min flow valve stays open if flow < 1350 gpm. This will happen if reactor pressure is sufficient as to prevent LPCS from establishing minimum flow into the vessel.
369
Explain the blue light permissive
When blue light is on, pressure sensed downstream of the injection valve is < 600#. If the blue light is on, the valve may be opened manually, and will automatically open if an RHR LOCA signal is sensed. For 15 minutes after the INITIAL illumination of the blue light, the operator may manually open the valve - even if the light extinguishes. The injection valve will NOT automatically open if the blue light is extinguished, even if the event falls in this 15 minute grace window.
370
Explain the precautions of the LPCS system regarding the suppression pool suction valve.
There are no automatic operating features associated with this valve. The LPCS pump will operate even if this valve is shut. The pump can destroy itself in this situation, so the operator must be careful to ensure that it is open when the pump is running.
371
Explain how power supply to the LPCS pump behaves during LOOP and LOCA conditions.
During a LOCA, the LPCS pump will delay 15 seconds before starting in due to bus loading concerns. If a concurrent LOOP/LOCA, this delay will be bypassed if power is restored within 19 seconds of the initiating signal. If power is restored after the 19 second window, the 15 second delay is in effect again. If a LOOP comes in after a LOCA, the LPCS pump breaker will ride the bus, and will return to operation as soon as EH11 power is restored.
372
Describe the effects of overriding the HPCS pump OFF when an initiating signal is present. When will the pump restart without operator input?
Overriding the HPCS OFF during an initiating condition will prevent further automatic initiation of the HPCS pump. The pump will not restart until either: a) The pump logic is reset or b) Power is lost and subsequently restored to the EH13 bus.
373
Describe the effect of overriding the HPCS Injection Valve in the closed position with an initiating signal. When will the valve automatically reposition without operator input?
Overriding the HPCS injection valve will prevent any further automatic operation of the valve. The valve will remain overridden until the logic is reset with the Seal-In reset pushbutton. The logic for this valve is DC powered and will remain in-tact through a loss of power to the EH13 bus.
374
Describe the requirements for depressing the HPCS "Seal-in Reset" & "RX WT RLVL HIGH SEAL IN RESET" pushbuttons. What does each pushbutton accomplish?
Seal in reset will not do anything unless above L2 (130"). This button will reset all of HPCS logic and lockout the drywell initiating signal until the drywell falls back below the initiating signal set point. This will prevent DW initiating signal even if button depressed below the L2 setpoint. The RX WTR HIGH LEVEL SEAL IN RESET will reset lockout of the HPCS Injection valve if it closed on L8, allowing further operation of the valve. Depressing this button with the initiating signal still present will cause the valve to auto-open.
375
Explain how power supply to the HPCS pump behaves during LOOP and LOCA conditions.
During a LOCA condition, the HPCS pump will delay starting by 10 seconds for bus loading concerns. For a concurrent LOOP/LOCA, the pump will start immediately upon restoration of the EH13 bus provided power is restored within 15 seconds of the initiating condition. If power is restored after that point, the delay will occur. If there is a loss of power condition on the EH13 bus when the LOCA condition exists, the pump breaker will ride the bus and the pump will start immediately upon restoration of power.
376
Explain how the HPCS CST suction and Supp Pool suction isolations are normally positioned and how they operate. How are the valves interlocked to each other?
The normal flow path is the CST suction, but the system is credited based on the suppression pool volume. During a LOCA, if both valves are not full open, the CST suction isolation valve will automatically open. If either valve is open, they will remain in their current positions. The suppression pool suction isolation will automatically open if the SP level > 18'4" or CST level is < 98000 gallons. If the suppression pool suction isolation is open, the CST suction isolation valve will not open with the control switch taken to open. If the CST suction isolation is open, taking the suppression pool suction isolation to open will also cause the CST suction isolation to close.
377
Explain the interlocks associated with the HPCS test return to CST isolation valves.
On a LOCA, both valves close. The suppression pool suction isolation valve can not be open with these valves open. If the suppression pool suction isolation indicates open, these valves will auto close.
378
Describe the HPCS logic for minimum flow.
Min flow valve opens if flow < 725 gpm & pressure > 145#. Min flow valve closes if > 725 gpm OR < 145#.
379
How is hydrogen seal oil pressure controlled?
Pressure Regulator that maintains seal oil pressure 8# greater than hydrogen pressure.
380
What is the float trap? What happens if the float valve fails open? Closed?
Seals generator from outside air with float valve. If float valve fails closed, oil backs up into hydrogen. If float valve fails open, rapid depressurization of the generator casing.
381
Effect of a LOOP on Hydrogen Seal Oil
Main SOP de-energizes momentarily. ESOP starts when pressure < 90#. MSOP re-energizes when deisels pick up XF-1-A
382
Where all can seal oil be supplied from? On the tertiary source, what is the pressure in the oil header and what pressure in the casing can it maintain?
MSOP, ESOP, Bearing Oil Header Bearing oil header is 16#, so it can maintain 8# hydrogen pressure in the casing.
383
What levels does RCIC initiate and secure automatically at?
L2 130" & L8 219"
384
Describe the power supplies for RCIC electrically operated equipment.
All components are DC powered from ED1A except for the vacuum breaker CIVs, Steam Supply CIVs and Bypass, and the GS Compressor which is D1B
385
What are the limitations with RCIC involving a loss of ED1A
System will not automatically initiate and must be manual-local controlled.
386
How is RCIC flow regulated? What is the flow range RCIC can provide? Explain how the ramp function works regarding speed control.
RCIC flow is controlled by its speed via the governor valve. Can provide 230-725 GPM. Ramp function is the initial starting process of RCIC. Initially, governor is wide open and RCIC will speed up quickly until hydraulic pressure builds up and allows the governor to function. From this point, the governor will significantly dial down on RCIC pump speed over a 12 second window to its set flow rate.
387
What is the purpose of gland seal compressor for RCIC? What components does it service? When does it auto start? What is it powered by?
Provide sealing to keep radioactive steam out of the space. Seals the turbine seals, TTV stem, and Governor Stem. Autostarts on L2. Powered by DB
388
The RCIC Steam Shutoff Valve (F045) receives its automatic operating signals from what instruments? What is the open permissive for this valve?
Steam shutoff receives its open and shut signals from the wide range level instruments. Requires the turbine exhaust to suppression pool isolation valve to be open.
389
What causes the RCIC min flow valve to open or close?
Open: Flow < 120 GPM & > 125# discharge pressure. Close: > 180 GPM OR Steam Shutoff closed (F045).
390
Describe the automatic operation of the RCIC Injection valve.
Auto opens on RCIC initiation if the F045 is open. Auto closes if either the F045 or TTV are shut.
391
Describe the interlock for the RCIC CST suction isolation valve regarding the suppression pool suction isolation valve. What causes this valve to auto open or close?
The suppression pool suction isolation must be taken to close prior to the CST suction isolation reaching full open or the CST/Sup Pool interlockw ill cause the CST suction isolation to close automatically. Open: RCIC initiation if the SP suction isolation is not open. Close: SP suction isolation reaches full open.
392
What causes the RCIC Test Return to CST isolation valves to close?
RCIC Initiation or SP suction is open.
393
What will cause the RCIC SP Suction isolation to automatically open or close? What permissives to open does this valve have?
OPEN: High SP Level or CST Level Low Close: DIV 1 RCIC Isolation Requires the test return to CST lines to be closed.
394
What will cause an RCIC divisional isolation?
Hi RCIC Room Temp - 143F Hi Steam Tunnel Temp - 156F (29 min delay, can be bypassed). Hi RHR Room Temp - 157F Hi Steam Flow Steam Supply Pressure Low - 60# Hi Exhaust Diaphragm Pressure - 10#
395
What happens if the operator depresses the RCIC Isolation push button with no isolating condition? Which division has the manual isolation pushbutton?
Nothing, condition required to actuate. Div 1
396
Explain the RCIC Initiation Turbine and RFPT Trip Logic
If RCIC initiates and power > 95%, the reactor will scram in 4.5 minutes unless the TTV is tripped. If power is < 95% OR the High Power RCIC Setpoint switch is set to DISABLE, the reactor will immediately scram.
397
Which RCIC automatic features are enabled when RCIC is in Remote Shutdown Control?
Just the overspeed trips.
398
List the RCIC turbine trips
Mechanical Overspeed > 120% High Exhaust pressure > 25# Low Pump Suction Pressure RCIC Isolation signal on either division Remote Trip PB
399
When is RCIC required to be operable?
> 150# steam dome pressure
400
# Regarding the Leak Detection system What constitutes identified and unidentified leakage?
Leakage to the equipment drain sump is identified, to the floor drain sump is unidentified.
401
# Regarding the leak detection system How do the fill up and pump out timers work? Which sumps have these timers?
Fill up timer starts when the sump pump stops- if the pump starts before the timer expires it alarms. Pump out timer starts when the pump starts. If the pump is still running (it utilizes a level switch to de-energize) then then it will alarm. All sumps except the DW FDS have these timers.
402
What cools the DW and containment sumps?
NCC
403
What isolations trigger off the MSL delta temperature monitors? How many of these monitors are there?
None, it is only for alarms. There are 8.
404
Which RCIC isolation signals can be bypassed?
Only the room temp isolations.
405
What signals cause an RHR Sampling Isolation?
L3 178" DW Pressure > 1.68# Hi RHR Room temperature
406
What signals cause an RHR SDC isolation?
L3 178" RPV > 135# Hi RHR Room temperature
407
How are all RWCU isolation signals bypassed?
A single bypass switch.
408
Explain ECCS Leak Detection. Which systems are paired with each other?
ECCS Leak detection measures DP between two established points inside of the vessel to determine if there is a piping failure in the downcomer region. RHR A LPCI injection nozzle and LPCS Spray Sparger are paired. RHR B and RHR C Injection Nozzles are paired HPCS and Above Core Plate pressure sensing are paired.
409
Explain the effect of a loss of one E31 NUMAC
MSIV Half Isolation Divisional CIV isolation RCIC isolations due to room temperatures and steam tunnel not functional If in SDC, Divisional SDC isolation.
410
Explain the effects of a loss of an RPS bus on NS4 isolations. How does this change for a loss of the divisional EH bus?
If an RPS bus is lost, will get all applicable divisional isolations (INBD/OTBD). If an EH bus is lost, isolation will initiate as soon as power is restored.
411
Which isolations are not effected by NS4?
RHR LOCA isolations RCIC Isolations
412
List all NS4 Isolation Types and their setpoints
Balance of Plant 1.68# Drywell, L2 130" RWCU Isolation Too many to list and already listed in another card RHR SDC Isolation L3, RPV Pressure > 135#, RHR Room Temp RHR Sampling Isolation L3, RHR Room Temp, 1.68# Rx Plant Sampling Isolation MSL HI HI, L2
413
Purpose of the D17 system
Monitors airborne(D17) and gaseous effluent(D17) activity in the plant (samples, detects, indicates, records) and initiates actions to limit release
414
# In regards to D17 monitors What do they sample for? | P-I-G
Particulate Iodine Gas
415
Which ventilation systems only sample for gas?
IB & AEGTS exhaust
416
What causes the D19s to automatically start?
High on associated channel D17s. BOP LOCA
417
List D17A Liquid Process Monitors
ESW A ESW B NCC RW to ESW SW to ADHR Manhole #20
418
List D17A Gas Sample Monitors
OG Pretreat OG Post Treat
419
List the D17 monitored areas and what trips are associated with each. Which D17s do not have particulate and iodine sampling?
No P/I highlighted in yellow
420
List the three modes of operation for Isophase Bus Duct Cooling. Which modes are controlled from the field? When is each mode used?
Normal - Generally used Once Through Mode - Used when TBCC unavailable for cooling coils, controlled from the field. Self Cooling Mode - Used when fans are not available, controlled from the field.
421
# Regarding Isophase Bus Duct cooling How many bust duct cooling fans are there? What will cause a trip in the system? What happens due to the trip?
2 100% Capacity fans Trip on low flow or high outlet air temp of 185F Trip will start standby fan on a 45 second time delay. Delay is for suction damper stroking. If the problem still exists, system will cycle between fans.
422
What are the limits for Isophase Bus Duct Cooling self cooling mode?
100C Conductor Temp or 20000V
423
How do the Isophase Bus Duct Hydrogen Analyzers work?
Analyze up to the H2 LEL (4%) on a 0-100% scale. 100% indicated is 4% H2 concentration.