Workshop Practice Flashcards

(80 cards)

1
Q

What is Distance Ratio?

A

The distance moved by the EFFORT (hand) to the distance moved by the Load

How well did you know this?
1
Not at all
2
3
4
5
Perfectly
2
Q

Effort is what and what are the 2 ways to express it?

A

Force applied to a machine
-Newton’s (N)
-Pounds (lbs)

How well did you know this?
1
Not at all
2
3
4
5
Perfectly
3
Q

What is the term for the distance from the fulcrum to the point where effort is applied?

A

ED
-Effort Distance

How well did you know this?
1
Not at all
2
3
4
5
Perfectly
4
Q

What is it called when the object experiences resistance when moving another object?

A

Friction

How well did you know this?
1
Not at all
2
3
4
5
Perfectly
5
Q

ALIGNMENT UNIT

A
How well did you know this?
1
Not at all
2
3
4
5
Perfectly
6
Q

Why is Machine Alignment so important?

A
  • Prevents vibration
  • Reduces wear on bearings & couplings
  • Avoids breakdowns
  • Improves efficiency
How well did you know this?
1
Not at all
2
3
4
5
Perfectly
7
Q

What is the purpose of Alignment?

A

To bring 2 separate rotational Center Lines together = Single Rotation Axis

How well did you know this?
1
Not at all
2
3
4
5
Perfectly
8
Q

What are some Factors you need to consider for an Alignment?

A

-Shaft Speed
-Shaft Size
-Type of Equipment
-Coupling Style
-Allowable Degree of Misalignment

How well did you know this?
1
Not at all
2
3
4
5
Perfectly
9
Q

What are the 4 Types of Misalignment?

A

-Vertical Angular
-Vertical Offset (Parallel)
-Horizontal Angular
-Horizontal Offset (Parallel)

How well did you know this?
1
Not at all
2
3
4
5
Perfectly
10
Q

What are the 4 Methods (ways) to perform an Alignment

A

-Rough
-Rim & Face
-Cross Dial
-Laser

How well did you know this?
1
Not at all
2
3
4
5
Perfectly
11
Q

What is a ROUGH alignment?

A

Eye Ball:
-Straight Edge
-Feelers
-Taper Gauge

How well did you know this?
1
Not at all
2
3
4
5
Perfectly
12
Q

What is a Rim & Face alignment and can you use this on Bearing Float?

A
  • 2 Dial Indicators
    -1 Indicator and Feelers
    (short shafts, but not bearing float)
How well did you know this?
1
Not at all
2
3
4
5
Perfectly
13
Q

What is a Cross Dial alignment?(get picture)

A

2 Dial Indicator (Top and Bottom)

How well did you know this?
1
Not at all
2
3
4
5
Perfectly
14
Q

What does not affect Laser alignment and does it have limitations?

A

-Gravity does not affect Laser Alignment
-Almost no limitations

How well did you know this?
1
Not at all
2
3
4
5
Perfectly
15
Q

When do you know when to use a Cross Dial method of alignment?

A

When:
- Shaft is long
-Bearing Float present (shaft moves inside bearing)

Cross dial tracks the movement at two points → measures true alignment despite the float

How well did you know this?
1
Not at all
2
3
4
5
Perfectly
16
Q

What is the Minimum distance between 2 Dial Indicators when performing Cross Dial Alignment?

A

4” apart Minimum

How well did you know this?
1
Not at all
2
3
4
5
Perfectly
17
Q

What are the Pre-Alignment Procedures on Machine Foundation (Pedestal/Base)?

A

Machine Foundation (Pedestal)
-cracks
-loose concrete
-levelness

How well did you know this?
1
Not at all
2
3
4
5
Perfectly
18
Q

What are the Pre-Alignment Procedures on Machine Foundation on Machine Base?

A

-Rust
-Burrs
-Raised Metal
-Dirt or Damage
-Threaded holes (inspect/repair)

How well did you know this?
1
Not at all
2
3
4
5
Perfectly
19
Q

What are the Pre-Alignment Procedures on Motor Feet

A

Check for Soft Foot
-one machine foot is not sitting flat on the base
-will cause machine twists or lifts
-causes vibration and wear

How well did you know this?
1
Not at all
2
3
4
5
Perfectly
20
Q

What are the Pre-Alignment Procedures on Bearings?

A

Check Bearings (both machines)
-clearance
-float (large motors have moveable shafts)
-seals
-internal components

How well did you know this?
1
Not at all
2
3
4
5
Perfectly
21
Q

What are the Pre-Alignment Procedures on Shaft, Coupling Rim & Face for runout

A

-Bent Shaft
-Coupling Eccentricity (not centered on shaft)
-Coupling Key
-Max allowable misalignment

How well did you know this?
1
Not at all
2
3
4
5
Perfectly
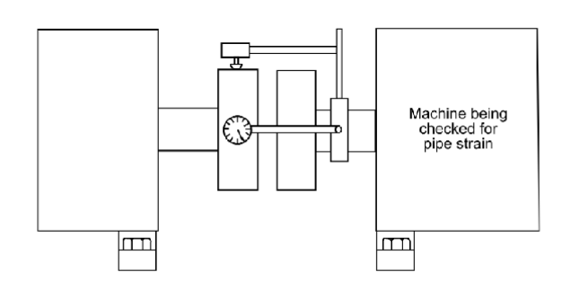
22
Q

During Pre-Alignment Procedures, if you have pipes installed on a pump where the motor needs to be aligned too, what do you need to consider (the term) and what is the number of Maximum Deflection?

A

-Pipe Strain
-0.002” Max Deflection

How well did you know this?
1
Not at all
2
3
4
5
Perfectly
23
Q

What is the procedure for Pipe Strain Alignment?

A

-Purge system
-Set up for Rim & Face
-Disconnect pipes
-Check for misalignments

How well did you know this?
1
Not at all
2
3
4
5
Perfectly
24
Q

What is the allowable offset of Pipe Strain and what do you need to do if it goes beyond this measurement?

A

-.002” of pipe strain is allowed
-.002 + must be realigned

How well did you know this?
1
Not at all
2
3
4
5
Perfectly
25
In a Pre-Alignment Procedure, it's a good idea to check the Engineering or Manufacturer specs for _____ _____ _____?
Thermal Growth Adjustment
26
In a Pre-Alignment Procedure, should you check and repair the Jacking Bolts?
Yes
27
Is it common for large motors to have Shaft Float (movement)? If so, which movement (Radial/Axial) and what is the benefit?
Yes (mostly axial) 0.005"-.030" -for thermal expansion -load changes -prevents damage
28
When you know you have to perform a machine alignment what should you do first to get everything close to alignment?
ROUGH Alignment
29
Which Offset should you focus on eliminating or resolving first?
Virtical Angular Offset
30
What is the Rule of Thumb when it comes to MAXIMUM misalignment? What is the value?
.002 inch (maximum misalignment)
31
What happens to the Bearing life when you start to go above the .002" of misalignment?
Bearing life is reduced
32
How many microns are in 1 meter?
1 million pieces in a meter = 1 micron
33
What are the 3 Different Types of Couplings?
-Rigid -Flexible -Universal Joints (Deliberate Misalignment)
34
Does the Diameter of Coupling play a part of ANGULAR Misalignment? If so, why?
Yes -Large Coupling = Larger gap at the edge
35
Does the Diameter of Coupling play a part of PARALLEL Misalignment? Why?
No. -Small Coupling = Smaller visible gap
36
What is the Rule of Thumb of Maximum OFFSET allowance of Vertical or Horizontal Coupling?
0.002" offset (vertical/horizontal)
37
What is the Rule of Thumb of Maximum ANGULAR, Vertical or Horizontal Coupling offset allowance?
.0002" per diameter inch of coupling
38
Describe what a Coupling Eccentricity is and what it looks like?
-Not centered on shaft -Wobbles as it rotates Cause: -Dirt -Damaged -Improper Install
39
When you are running a Pump for Hot Liquid, what tends to happen to the Pump?
Thermal Growth -Motor/Pump expand when it heats up
40
Why does Thermal Growth happen?
Hot liquid heats Pump Casing and Shaft
41
When the Pump expands from Thermal Growth, what is the symptom of Misalignment and what type of damage does it cause?
-Vibration -Bearing Wear -Seal Damage
42
How do you account for Thermal Growth and how do you resolve this issue?
1. Apply alignment procedure for the pump at ambient temp 2.Run the pump for 30min 3.Put Dial Indicator on the Coupling Rim, Rest it on a fixed point and adjust to 0 (Fixed Machine). 4. Leave Dial Indicator for 24hrs then read the new measurement. 5. New reading is Thermal Growth. 6. Add Thermal Growth readings as Shims under Driver Motor Legs.
43
What are the main take away points on Thermal Growth Alignment?
-Perform Alignment on machines (Cold) -Run machine for 30 min -Put Dial Indicator on (Fixed Machine) -Leave for 24hrs then Read -New measurement = Thermal Growth. Use this number when you add shims
44
Considering Thermodynamics, what other method can you use to calculate the expansion of metal (steel) for your motor, if you cant run or stop the machine?
Co-Efficient Linear Expansion of Steel If you cant Start the machine: ΔL = α × L × ΔT Change in Length = 000 006 x O.G Length of steel x Temp F
45
How does your formula change if you are measuring a hot machine (metal) and you want to figure out the normal(cold) length?
Cold Length? = Hot Length / (1 + .000 006 x Temp F)
46
What 2 things that Bolts a d Studs must have?
-Correct Bolt Size and Strength -Must have Clearance between holes and bolt
47
What does "Neck" the bolts mean and how much can you apply?
-How much force you can apply -cant compress the threads of bolt further than 1 thread size
48
Are you able to slot the holes in the feet of the motor?
Yes but might void warranty
49
What tool should you use to properly screw in a bolt?
Torque Wrench
50
How must you tighten Jacking Bolts?
Hand Tight only
51
What is the Maximum amount of Shims you can apply?
3 Shims Maximum
52
What is the shim placement Rule of Thumb if you have 3 shims and the smallest one is between .001"-.005" size?
Sandwich these Shims .001-.005" if there are 3 altogether
53
If you only have 2 Shims to use, where would you place the thinnest one?
Bottom -prevents damage from the foot of motor
54
How many Classes of Shims are there and how are they classified?
4 Classes (A,B,C,D)
55
What are the sizes of these 4 Classes of Shims?
-Class A = 2x2 -Class B = 3x3 -Class C = 4x4 -Class D = 5x5
56
How do you check for Soft Foot? What is the procedure and where do you put your Dial Indicator?
-Tighten all bolts -Set up Dial Indicator on each foot one at a time and loosen
57
How many bolts do you loosen at a time when looking for Soft Foot?
1 bolt at a time and use Dial Indicator
58
What is Maximum Allowance for Soft Foot when using a Dial Indicator?
.001"
59
When should you start confirming with Feeler Gauges?
.001"+
60
Once the Soft Foot is established, what should you always make sure remains the same between the front feet and back feet?
The values are all the same
61
If you find Angular Soft Foot, what type of Shims should you apply and should this be a permanent fix?
-Step Shims -Temporary Fix!
62
How else can you apply Shims on Angular Soft Foot?
Put 2 shim cut outs. - 1 on inside - 1 closer to the outer edge
63
What does the term End Float mean when it comes to a motor shaft?
Shaft can slightly move axially (in and out)
64
What do you need to do if you are performing a face reading on a shaft that has End Float?
Push and hold the shaft on one side to get accurate reading
65
When performing a Shaft and Coupling Run-Out check, what is generally the allowance reading you can have before having to re-machine the shaft of replace the Coupling?
.001" Anything above = re-machining or replacement
66
When performing Rim & Face Alignment using 2 dial indicators, how do you get the missing number if you cant rotate the shaft/coupling 360 deg?
-Turn shaft into a 12hr clock -Add or Subtract 2 given values = x value Tip: Calculate the 3 o clock number first
67
68
When it comes to performing a Rim and Face Alignment, where should you place both dial indicators?
Rim = Top flange Face = Inside face of Flange
69
How do you mark your your Flange?
12 o clock = 0 3 6 9
70
When you get a reading from 12-6 on your RIM, what offset is that?
Vertical Offset
71
When you get a reading from 3-9 on your RIM, what offset is that?
Horizontal Offset
72
When you get a reading from 12-6 on your FACE, what offset is that?
Vertical Angular Misalignment
73
When you get a reading from 3-9 on your FACE, what offset is that?
Horizontal Angular Misalignment
74
What does it mean when your readings are High?
The side is too HIGH -Vertical = Add/Remove Shims -Horizontal = Slide machine
75
What type of misalignment is when you find both positive readings on Face & Rim?
Parallel
76
What type of misalignment is it when you see Positive and Negative on either Rim Or Face?
Angular Misalignment
77
What could cause a Dial Indicator to Fluctuate at each rotation?
Bent Shaft
78
What type of misalignment would it be if you see Higher Axial Vibration
Angular Misalignment
79
On a dial indicator reading, what do you do if you see ++ or - -?
Subtract numbers then divide by 2
80
On a dial indicator reading, what do you do if you see + and -?
Add both numbers then divide by 2. Don't worry about +, -