10 - Electrical circuits Flashcards

(8 cards)

1
Q

What is Kirchoff’s second law?

A

In any circuit, the sum of electromotive forces is equal to the sum of potential differences around a closed loop.

Σε= Σv

How well did you know this?
1
Not at all
2
3
4
5
Perfectly
2
Q

How can you calculate the total resistors for resistors connected in series?

A

Rₜ = R₁ + R₂ + R₃

How well did you know this?
1
Not at all
2
3
4
5
Perfectly
3
Q

How can you calculate the total resistors for resistors connected in parallel?

A

1/Rₜ = 1/R₁ + 1/R₂ + 1/R₃

How well did you know this?
1
Not at all
2
3
4
5
Perfectly
4
Q

What are the 4 key electrical relationships for complex circuit problems?

A

I = ΔQ/Δt
current = charge flow/time

V = W/Q
voltage = work done / charge

P = VI
power = voltage x current

V = IR
voltage = current x resistance

How well did you know this?
1
Not at all
2
3
4
5
Perfectly
5
Q

What are the two main formulas involving internal resistance?

A

r = V/I
internal resistance = voltage/current

ε - Vₗ = r
e.m.f - lost volts = internal resistance

How well did you know this?
1
Not at all
2
3
4
5
Perfectly
6
Q

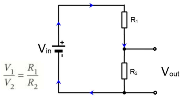
What is a potential divider?

A

A potential divider is a simple circuit that uses resistors to supply a variable output or potential difference.

Vₒᵤₜ = (R₂ / R₁ + R₂)*Vᵢₙ

How well did you know this?
1
Not at all
2
3
4
5
Perfectly
7
Q

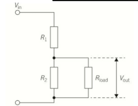
What is loading (potential dividers)?

A

Loading refers to connecting a component to Vₒᵤₜ (placing a component in parallel with R₂). THis lowers the resistance of this part of the circuit, lowering Vₒᵤₜ.

If the load has a small resistance, Vₒᵤₜ is significantly reduced.
(1/Rₜ = 1/R₁ + 1/R₂ + 1/R₃)

How well did you know this?
1
Not at all
2
3
4
5
Perfectly
8
Q

What is a potentiometer?

A

A potentiometer works in the same way as a potential divider, however instead of using two resistors in series it uses a length of resistance wire with a sliding contact.

When the contact is moved towards A,

How well did you know this?
1
Not at all
2
3
4
5
Perfectly