Equipment
○ Electrolytic capacitor
○ Resistor
○ Battery
○ Voltmeter
○ Switch
Method
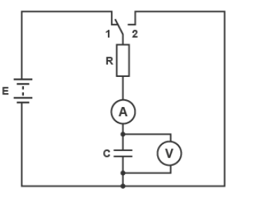
○ Set up the apparatus as shown in the diagram.
○ Close the switch and observe and record the voltage reading V at time t=0 and at 5s intervals as the capacitor charges until about 120s have passed.
○ Repeat the experiment twice more and obtain the average V for each t.
○ (Like the discharging experiment, this experiment can also be repeated with different resistors or capacitors).
Graphs and calculations
○ Plot a graph of V against t. This graph will show an exponential growth curve.
○ V = V0 (1-e^(-t/RC) )
Safety
○ Ensure the capacitor is connected with the correct polarity and that its voltage rating exceeds the voltage of the battery used to prevent it from exploding and releasing harmful chemicals.
Improvements and notes
○ The time constant can be found from the exponential growth curve by finding t when the voltage is approximately 63% of the maximum voltage (the voltage of the battery).
Diagram
