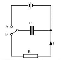
Equipment
○ Electrolytic capacitor
○ Resistor
○ Battery
○ Voltmeter
○ Switch
Method
○ Set up the apparatus as shown in the diagram.
○ Set the switch to the A position to allow the capacitor to fully charge.
○ Move the switch to the B position and start the stopwatch. Observe and record the voltage reading V at time t=0 and at 5s intervals as the capacitor discharges until about 120s have passed. ○ Repeat the experiment twice more and obtain the average V at each t.
○ (Note that the experiment can be repeated for different resistors or capacitors to investigate how the time constant varies with resistance and capacitance).
Graphs and calculations:
○ Calculate the natural logarithm of V at each t and tabulate this. Plot a graph of ln(V) against t and draw a line of best fit. This should yield a straight line graph with negative gradient, showing that the decay of voltage across the capacitor is exponential. The gradient will equal -1/RC (or -1/time constant).
○ V = V0e^-t/RC ln(V) = (-1/RC x t) + ln (V0) = (−1/T x t) + ln(V0) where T is the time constant of the RC circuit
○ If C is known, you can find the time constant using RC and also using the graph and check if they are the same. If C is not known, you can find it using the graph.
Safety
Ensure the capacitor is connected with the correct polarity and that its voltage rating exceeds the voltage of the battery used to prevent it from exploding and releasing harmful chemicals.
● Improvements and notes:
You can also plot a graph of V against t which will give an exponential decay curve. The time constant can be found from this by finding t when the voltage is approximately 37% of the original voltage (the voltage of the battery)
Diagram
