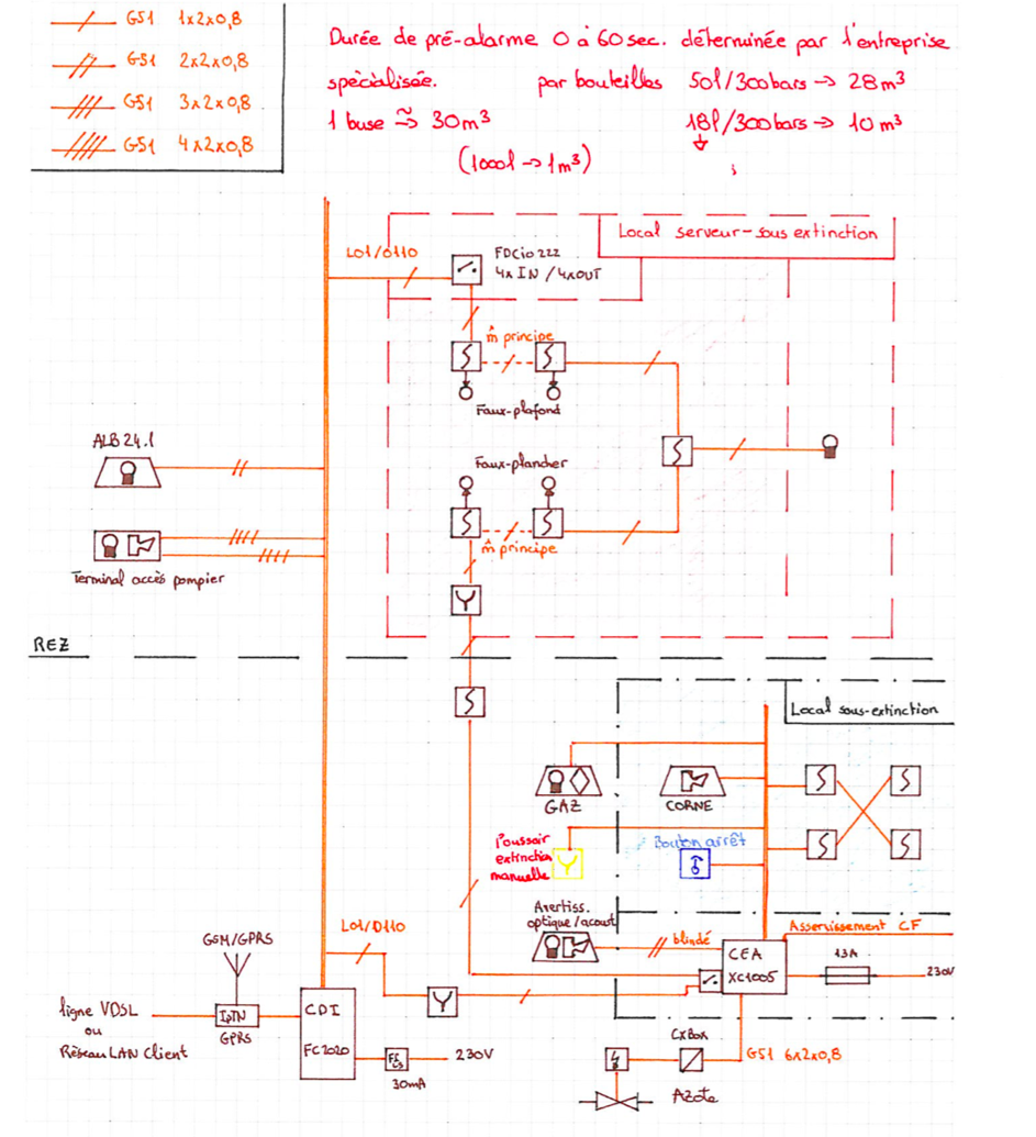
Est-ce que la détection gaz peut-être intégré à la centrale incendie?
Oui
Quelles sont les précautions à prendre si la libération du gaz peut mettre en dangers les personnes ?
Celle-ci ne pourra se déclencher uniquement qu’après le signal d’alarme et la temporisation programmé écoulée
Où doit-on installé le déclencheur manuel gaz
Avant l’entrée principale. Il doit être de couleur jaune
Où doit-on installer le bouton d’arrêt d’urgence ?
Dans le secteur à l’entrée principale. Il doit être de couleur bleu
Dessiné un schéma de principe de détection gaz

Quel est la temporisation programmable pour l’extinction
0…60 secondes (sera determinée par l’entreprise spécialisée)