EFIC Flashcards

(27 cards)

1
Q

What are the power supplies for EFIC Channels?

A

RS-1/2/3/4 respectively

How well did you know this?
1
Not at all
2
3
4
5
Perfectly
2
Q

What are the Train and Channel functions of EFIC?

A

Train (A & B)- Perform actuation calculation and actuate protection functions (trip) and perform controlling functions (control).

Channel (A - D, C and D channel only) - Monitor parameters (bistables), determine protective function that’s needed and send signal to trip modules (initiate), and provide isolation to faulted generator (Vector).

How well did you know this?
1
Not at all
2
3
4
5
Perfectly
3
Q

What is the design basis for EFIC System?

A

Protect against the consequences of a simultaneous blowdown of both steam generators.

How well did you know this?
1
Not at all
2
3
4
5
Perfectly
4
Q

What conditions will actuate EFIC system?

A

1) OTSG level < 11” for 9.9 sec
2) OTSG pressure < 600 psig
3) Loss both MFPs > 7%
4) Loss all RCPs
5) AMSAC (< 15% FW flow and power > 45%) (Channels A and D)
6) ESAS Actuation (A - ES ch 3/B - ES ch 4)

How well did you know this?
1
Not at all
2
3
4
5
Perfectly
5
Q

What is the EFIC trip logic?

A
How well did you know this?
1
Not at all
2
3
4
5
Perfectly
6
Q

What is actuated by MSLI and which trains actuate which components?

A
How well did you know this?
1
Not at all
2
3
4
5
Perfectly
7
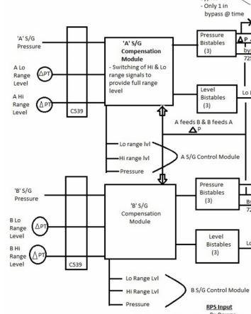
Q

What function does the compensation module provide?

A

Generates the full range level signal by providing a low and high range level signal for each SG.

Also provides the output for OTSG pressure and calculates DP between steam generators for vector signal.

2 modules per cabinet (1 for each SG)

Provides channel function only

How well did you know this?
1
Not at all
2
3
4
5
Perfectly
8
Q

How is the low and high range level generated, how do they transition and what are their ranges?

A

Low range - 6 - 156”

High range - 102 - 500”

As level rises, at 140” output will switch to the high range for full range control. May get oscillation in SG level when swapping due to range of the instrument.

As level lowers, at 115.75” output will swap to low range.

How well did you know this?
1
Not at all
2
3
4
5
Perfectly
9
Q

What functions do the bistable modules provide?

A

3 level functions:

  • Initiate (EFW actuation at 11” for 9.9 sec)
  • Overfill and Overfill reset (NOT USED)

3 pressure functions:

  • Initiate (For EFW and MSLI actuation at 600#)
  • Bypass permissive (< 725#)
  • Differential pressure (Vector)
How well did you know this?
1
Not at all
2
3
4
5
Perfectly
10
Q

What functions does the initiate module provide?

A

Sends appropriate signal from bistable input to respective trip module.

Provides RCP status from RPS to control module for level control with RCPs off.

Provides Channel Maintenance bypass function

Performs S/D bypass function for Low SG pressure actuation of EFW and MSLI and loss of all RCPs actuation of EFW

Performs channel function

How well did you know this?
1
Not at all
2
3
4
5
Perfectly
11
Q

Which protective functions are capable of being bypass in the EFIC initiate module?

A

- Loss of all RCPs (< 10%) - automatic reset

- Low OTSG pressure (< 725#) - automatic reset

Loss both MFPs bypassed in RPS cabinet

ESAS is bypassed within ESAS

AMSAC bypassed within AMSAC

CANNOT BYPASS LOW OTSG LEVEL!

How well did you know this?
1
Not at all
2
3
4
5
Perfectly
12
Q

How does the EFIC maintenance bypass function and how is it interlocked with RPS?

A

Initiate module performs the maintenance bypass function. Only 1 channel can be bypassed at a time (electrical interlock and procedurally controlled).

EFIC channel in bypass has to be bypassed with associated RPS channel. If a different RPS channel is taken to bypass, will kick associated EFIC channel out of bypass.

How well did you know this?
1
Not at all
2
3
4
5
Perfectly
13
Q

What are the associated trip modules and what function do they provide?

A

Performs the logic actuation for trip buses and produces the vector enable signal on full trip.

Provides an actuation “seal in” which requires operator action to reset once initiate signals have cleared.

Train Function

How well did you know this?
1
Not at all
2
3
4
5
Perfectly
14
Q

What function does the TIE module provide?

A

TIE module provides the interface between EFIC and plant equipment. The TIE modules receive input from TRIP module based on trip logic to actuate associated equipment.

How well did you know this?
1
Not at all
2
3
4
5
Perfectly
15
Q

What is the function of the Vector Module? Can this function be overridden?

A

Provides EFW isolation valve open of close signal

Closes the flow control valves or allow the control module signal to the control valve

Vector isolation can be overriden using man/auto PB for isolation valves or toggle switch for flow control valves.

How well did you know this?
1
Not at all
2
3
4
5
Perfectly
16
Q

What is the purpose of the vector enable signal and what vector signals are generated from EFIC and valve positions that occur?

A

A full trip of EFW will cause a vector enable signal to be produced in trip module and transmitted to all four vector modules and all four control modules.

A vector enable signal must be present to remove the open bias for flow control valves and allow the control module to control level. A pump start via HS will not enable valves to control SG level.

17
Q

What components are fed from associated EFIC cabinets?

18
Q

What are the levels at which EFIC will control EFW?

A
  • 31” low range level with RCPs running
  • 312” full range level with no RCPs running
  • 378” full range level with no RCPs and LSCM (must select reflux boiling PB on C09)

If flow control valve in hand, will automatically return to automatic if EFW actuation received.

19
Q

What are the RPS inputs to EFIC?

20
Q

How is the ESAS signal transmitted to EFIC?

A

ESAS digital channel 3 inputs two signals to EFIC train A EFW trip module (NOT Initiate Module)

TWO signals are required to each trip module in order to produce a full trip of EFW (both trip busses energized). The status of these signals is indicated on the alarm panel “EXT TRIPS” ESAS lights. Two lights are on cabinet “A” for the signals from ESAS ch. 3 to the train “A” EFW trip module. Two lights are on cabinet “B” for the signals from ESAS ch. 4 to the train “B” EFW trip module.

21
Q

Describe EFW fill rate limitations?

A

Fill rate is limited when natural circulation is in effect to prevent overcooling the RCS. The variable setpoint is generated by adding 12” to the actual OTSG full range level signal.

Equation for calculating fill rate is

(6/250 * (SG pressure - 800)) + 2

22
Q

What are the power sources for the EFW flow control valves? How do they fail?

A

RA-1 and RA-2

Fail open

23
Q

Describe the remote switch matrix and indications.

24
Q

Describe the function of the test results module?

A

Test results module notifies operator that component did did not receive actuation signal from EFIC as it should.

If a “Full Trip” occurred, there should be no input to the test results monitor if the components operated successfully. If full trip and component has issue, that component should be lit on the test results indication.

Whenever a half trip is present (auto actuation, manually or during a test), test results will be indicated in one of two conditions on the alarm panel or on the reset light of the remote switch matrix. On solid indicating all components tested satisfactory. Flashing ON-OFF indicating one or more components have failed.

25
What action is required per TS 3.3.11 if one EFIC channel non-functional?
Place channel in bypass or trip within 1 hour. If 2 inoperable, place one in bypass and the other in trip condition.
26
What components do the control modules control?
Train A controls one EFW flow control valve for each SG to control level and only controls A SG pressure via ADV Train B controls one EFW flow control valve for each SG to control level and only controls B SG pressure via ADV
27
What is required for EFW system per TS 3.7.5? What if both EFW pumps inoperable?
Both EFW trains required to be operable in modes 1-3 and 4 when SG relied upon for heat removal. In mode 4 only P-7B required to be operable. If both EFW trains inoperable, initiate actions to restore one train immediately. (**LCO 3.0.3 and all other LCO actions requiring mode changes are suspended until one EFW train is restored**)