Electronics 3a - Operational amplifiers Flashcards

(5 cards)

1
Q

What are open-loop op-amps often used for?

A

They don’t contain any feedback elements so they make good comparitors, between two voltages. The output is always saturated positive or negative depending on the which of the inputs are larger. These can be used for warning systems or lighting (sensory circuits).

How well did you know this?
1
Not at all
2
3
4
5
Perfectly
2
Q

What are Op-amps (basically)?

A

High-gain voltage amplifiers

Comprised mainly of a number of transistors and resistors, packed as an integrated circuit with connecting pins.

How well did you know this?
1
Not at all
2
3
4
5
Perfectly
3
Q

What does an op-amp circuit symbol look like?

A

Shown below, not always with the Vcc+ or Vcc-, as those just show the power supply voltages.

How well did you know this?
1
Not at all
2
3
4
5
Perfectly
4
Q

What is the equation that describes the operation of an open-loop Op-amp?

A

Essentially:

Vout = AoL (V+ - V_)

AoL is the gain of the circuit

(Voltage at the postive terminal - voltage at the negative terminal) = (V+ - V_).
This defines the output due to the comparison between the two voltages.

How well did you know this?
1
Not at all
2
3
4
5
Perfectly
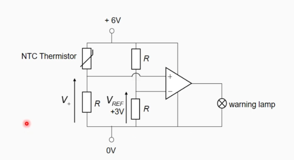
5
Q

How can we use an Op-amp as a comparitor for a High-temperature warning circuit?

A

Explaination:
* The reference voltage is set to +3V, defined by the potential divider circuit for it.
* The positive terminal of the Op-amp is connected to another potential divider circuit, where the positive terminal depends on the resistance of the therminstor above. Where as temp increases, resistance across the thermistor decreases, thus voltage across the V+ terminal increase.
* Once V+ is greater than 3V going into the V- terminal, then an output of Vcc (+6V) will be seen on the output (i.e. across the warning lamp and it will light up).

How well did you know this?
1
Not at all
2
3
4
5
Perfectly