Lesson 4 Flashcards

Schematic Diagrams (20 cards)

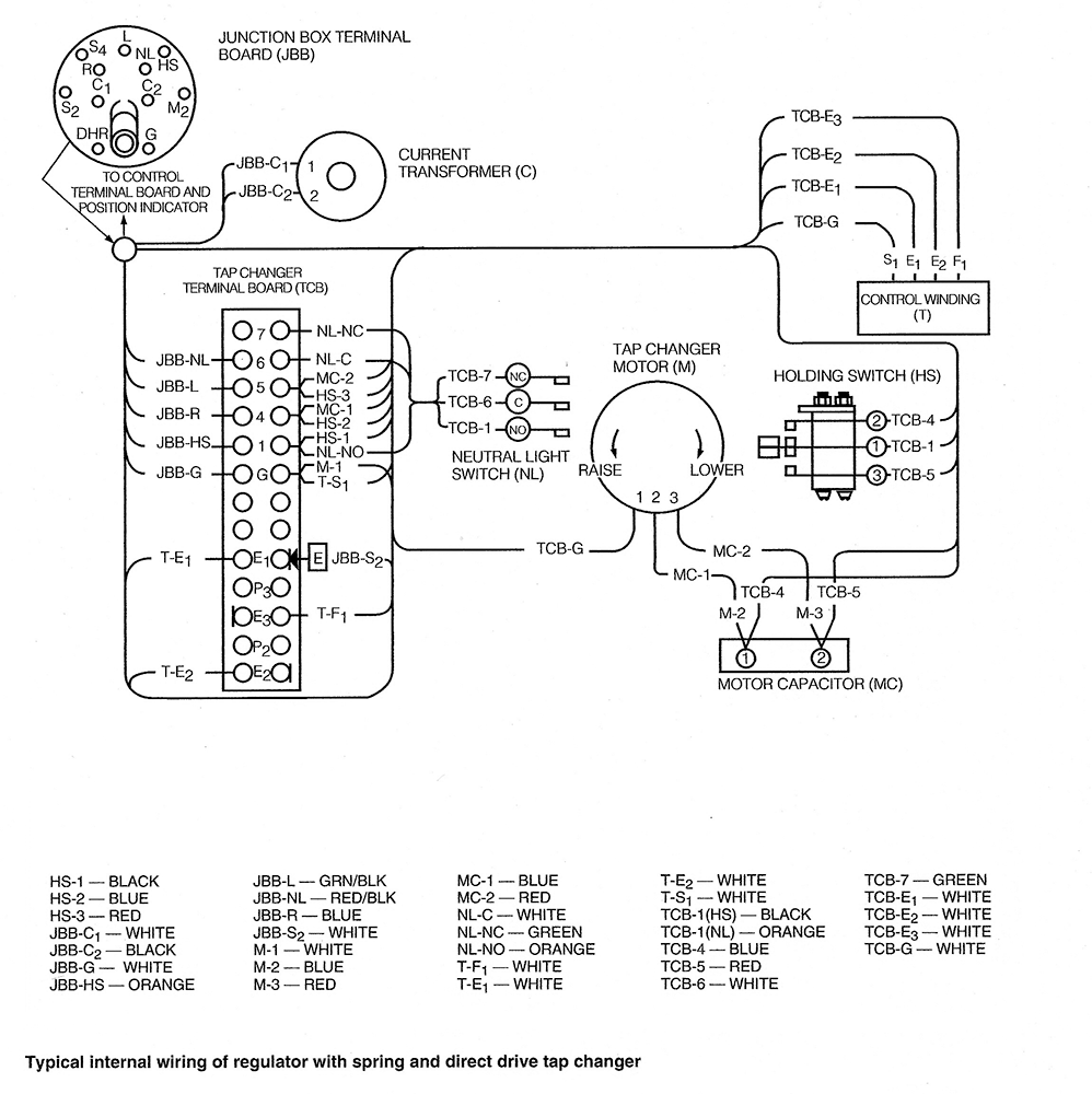
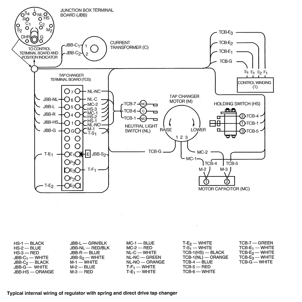
1
Q

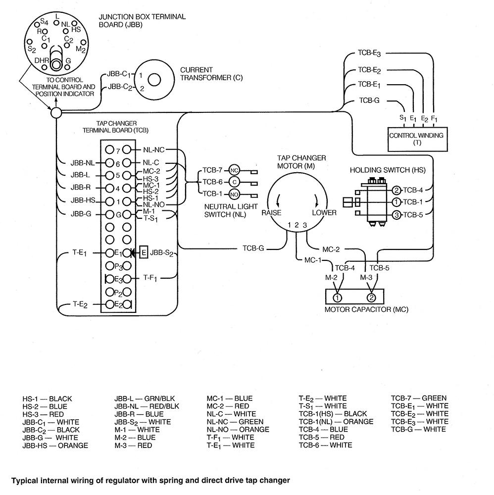
The motor capacitor (MC) in this diagram is connected to the tap changer terminal board at positions ____.

a. 1 and G
b. 1 and 4
c. 4 and 5
d. 5 and 6

Reference: Schematic Diagrams, “Types of Schematic Diagrams,” Figure 4

A

c. 4 and 5

How well did you know this?
1
Not at all
2
3
4
5
Perfectly
2
Q

The number 1 and 2 terminals of the current transformer shown in this diagram are connected by two wires colored ____.

a. black and red
b. blue and white
c. orange and black
d. white and black

Reference: Schematic Diagrams, “Types of Schematic Diagrams,” Figure 4

A

d. white and black

How well did you know this?
1
Not at all
2
3
4
5
Perfectly
3
Q

In this diagram, the wire that connects the number 1 position of the motor capacitor to the tap changer motor is colored ____.

a. black
b. blue
c. red
d. white

Reference: Schematic Diagrams, “Types of Schematic Diagrams,” Figure 4

A

b. blue

How well did you know this?
1
Not at all
2
3
4
5
Perfectly
4
Q

In this diagram, all four wires from the control winding to the tap changer terminal board are ____.

a. black
b. green
c. red
d. white

Reference: Schematic Diagrams, “Types of Schematic Diagrams,” Figure 4

A

d. white

How well did you know this?
1
Not at all
2
3
4
5
Perfectly
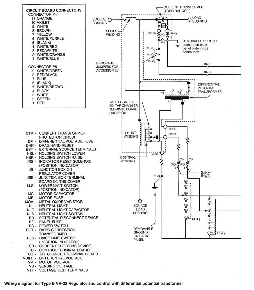
5
Q

In this diagram, the initials PS are used to indicate the ____.

a. panel fuse
b. potential shunt
c. potential sychronizer
d. power switch

Reference: Schematic Diagrams, “Types of Schematic Diagrams,” Figure 3

A

d. power switch

How well did you know this?
1
Not at all
2
3
4
5
Perfectly
6
Q

In this diagram, the differential potential transformer has no ground on the secondary side and is connected as a straight delta.

Reference: Schematic Diagrams, “Types of Schematic Diagrams,” Figure 3

A

True or False?

How well did you know this?
1
Not at all
2
3
4
5
Perfectly
7
Q

The ratio correction transformers shown in this diagram are indicating ____.

a. 110
b. 115
c. 120
d. 127

Reference: Schematic Diagrams, “Types of Schematic Diagrams,” Figure 3

A

c. 120

How well did you know this?
1
Not at all
2
3
4
5
Perfectly
8
Q

The raise limit switch in this diagram is also called the ____.

a. boost stop
b. position indicator
c. ratio changer
d. tap selector

Reference: Schematic Diagrams, “Types of Schematic Diagrams,” Figure 3

A

b. position indicator

How well did you know this?
1
Not at all
2
3
4
5
Perfectly
9
Q

In this diagram, the control windings are the secondary coils of a transformer with the ____ winding being the primary coil.

a. differential
b. series
c. shunt
d. toroidal

Reference: Schematic Diagrams, “Types of Schematic Diagrams,” Figure 3

A

c. shunt

How well did you know this?
1
Not at all
2
3
4
5
Perfectly
10
Q

This diagram shows three individual transformers connected in a ____ configuration.

a. delta-delta
b. delta-wye
c. wye-delta
d. wye-wye

Reference: Schematic Diagrams, “Types of Schematic Diagrams,” Figure 1

A

a. delta-delta

How well did you know this?
1
Not at all
2
3
4
5
Perfectly
11
Q

This diagram has a ground installed on the primary side of the transformers.

True or False?

Reference: Schematic Diagrams, “Types of Schematic Diagrams,” Figure 1

A

False

How well did you know this?
1
Not at all
2
3
4
5
Perfectly
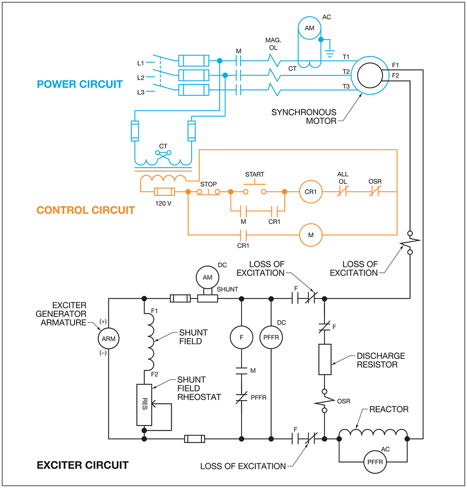
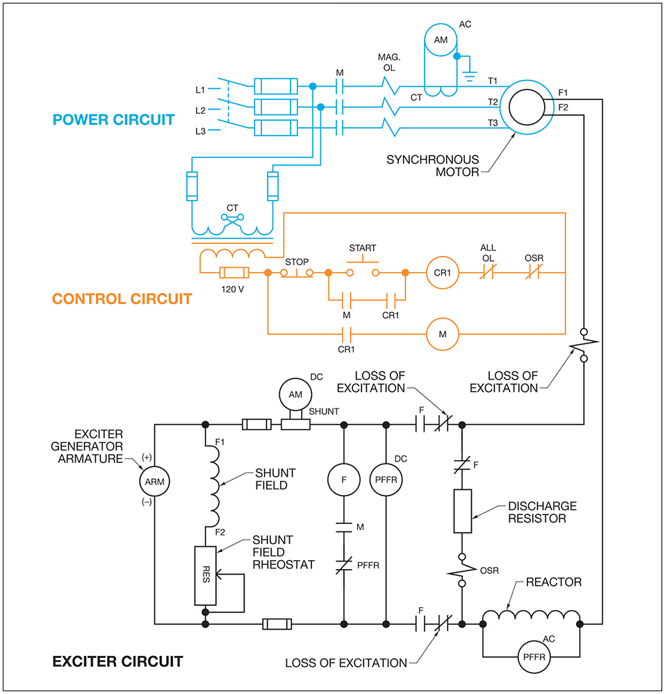
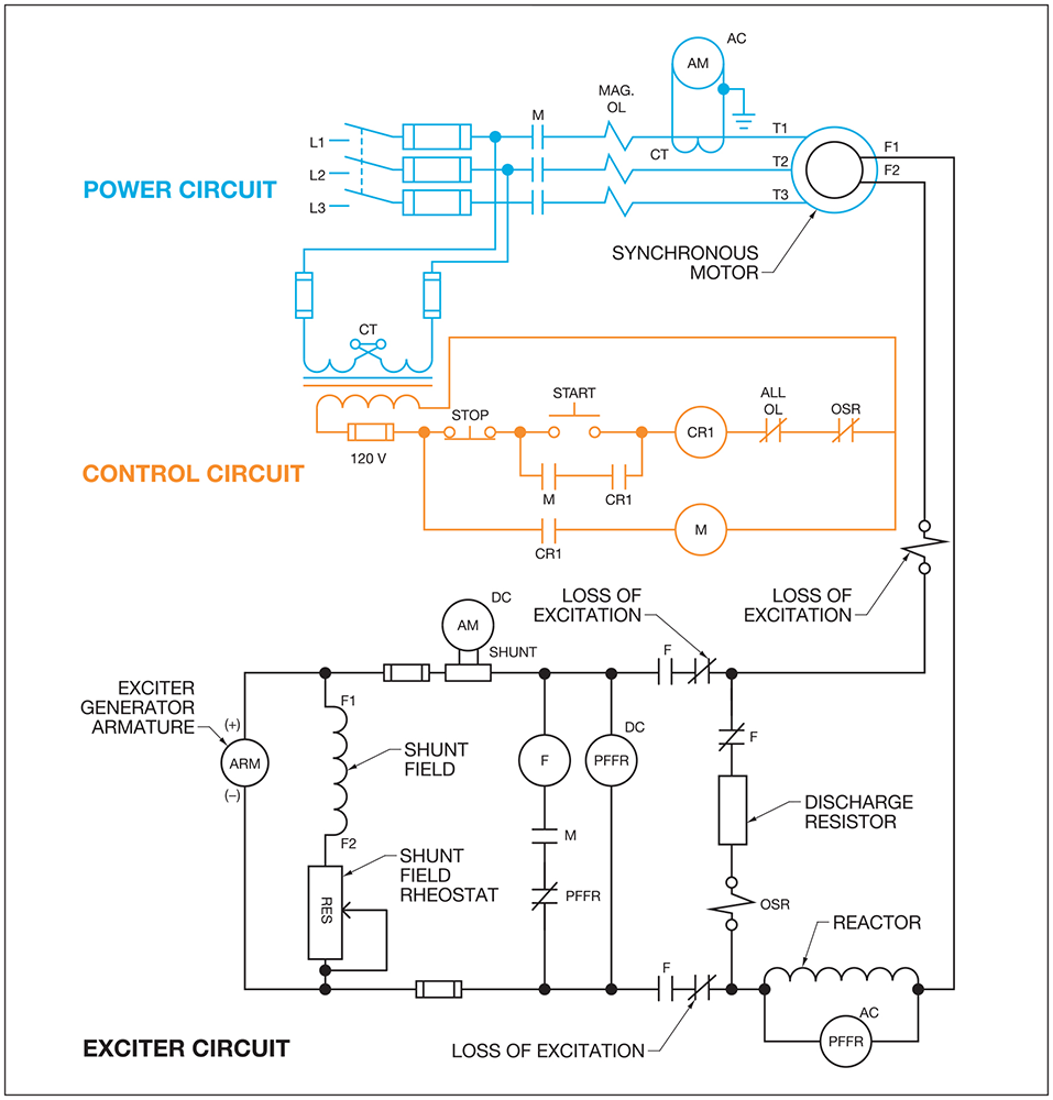
12
Q

This schematic diagram shows that the shunt field winding is a part of the ____ circuit.

a. control
b. exciter
c. power
d. stator

Reference: Schematic Diagrams, “Types of Schematic Diagrams,” Figure 2

A

b. excitor

How well did you know this?
1
Not at all
2
3
4
5
Perfectly
13
Q

The discharge resistor in this diagram is between F1 and F2 of the synchronous motor.

True or False?

A

True

How well did you know this?
1
Not at all
2
3
4
5
Perfectly
14
Q

In this diagram, the power to the control circuit is supplied by the ____.

a. CT
b. excitor generator
c. reactor
d. shunt field

Reference: Schematic Diagrams, “Types of Schematic Diagrams,” Figure 2

A

a. CT

How well did you know this?
1
Not at all
2
3
4
5
Perfectly
15
Q

The acronym RES in this diagram stands for Reactor Synchronous Armature.

True or False?

Reference: Schematic Diagrams, “Types of Schematic Diagrams,” Figure 2

A

False

How well did you know this?
1
Not at all
2
3
4
5
Perfectly
16
Q

This diagram shows ____ ground(s) that may be applied to the control circuit.

a. 1
b. 2
c. 3
d. 4

Reference: Schematic Diagrams, “Types of Schematic Diagrams,” Figure 3

17
Q

A schematic diagram is a complex pictorial representation of an electrical circuit.

True or False?

Reference: Schematic Diagrams, “Introduction,” Paragraph 1, Sentence 1

18
Q

The arrangements of the components and their interconnections on a schematic diagram does not correspond to their physical locations in the finished device or circuit.

True or False?

Reference: Schematic Diagrams, “Introduction,” Paragraph 2, Sentence 1

19
Q

The differential potential transformer in this diagram must be at ____ in order to produce 120 volts on the secondary side.

a. P1
b. P2
c. P3
d. P4

Reference: Schematic Diagrams, “Types of Schematic Diagrams,” Figure 3

20
Q

In this diagram, the three wires connected to the tap changer motor are ____ in color.

a. black, orange, and red
b. blue, red, and black
c. blue, red, and white
d. green, orange, and white

Reference: Schematic Diagrams, “Types of Schematic Diagrams,” Figure 4

A

c. blue, red, and white