Required practicals paper 1 Flashcards

(12 cards)

1
Q

Describe how to perform and experiment to determine how the length of a wire affects the resistance

A
  1. Set up the equipment as shown in the diagram
  2. Starting with the crocodile clips 20cm apart, measured on a 1m ruler, measure the potential difference using a voltmeter and current using an ammeter.
  3. Use the readings to work out the resistance with the equation R=V/I.
  4. repeat the experiment with the clips 30cm, 40cm, 50cm, 60cm and 70cm, 80cm and 90cm apart.
  5. Repeat the expeirment 3 times and take an average of the resistance at each length
  6. Plot a graph of resistance against length to look at the effect of length on wire resistance

Indepenant variable: Length

Dependant variable: Resistance

Control variables:

Temperature of the wire - use a switch to turn it off when not measureing to stop it from heating up

Type of wire - use the same wire each time

Thickness of wire - use the same wire each time

How well did you know this?
1
Not at all
2
3
4
5
Perfectly
2
Q

What is the minimum number of results that you need from an experiment to be able to spot a trend?

What is the ideal number of results you should have in an experiment?

A

5 results

8 Results

How well did you know this?
1
Not at all
2
3
4
5
Perfectly
3
Q

Why do you take repeat readings in and experiment?

A

To be able to spot anomalies in your readings and repeat them

To take an average to make your results more accurate

How well did you know this?
1
Not at all
2
3
4
5
Perfectly
4
Q

What is a systematic error?

A

A systematic error is an error that is the same on every reading that you take

How well did you know this?
1
Not at all
2
3
4
5
Perfectly
5
Q

What is a random error?

A

A random error is an error where the size of the error is different with every reading you take

How well did you know this?
1
Not at all
2
3
4
5
Perfectly
6
Q

Explain how you would investigate the specific heat capacity of a metal block

A
  1. Set up the equipment as shown in the diagram
  2. Turn on the heater and start the timer.
  3. Record the temperature of the block every 30 seconds using an alcohol thermometer and record this in a table.
  4. Meaure the potential difference using a voltmeter, the current using and ammeter and the time using a stopwatch. Then find the total energy supplied to the block at each time using the equation

E = I x V x t

  1. Repeat the experiment 3 times and take an average of your results
  2. Plot a graph of temperature against energy. the gradient of the block is equal to 1/(mass x specific heat capacity)

Independent variable: Energy

Dependent variable: Temperature

Control variables:

Heat loss to the environment - make sure all sides of the block and the heater are insulated

Thermal transfer between the heater, the block and the thermometer - put water in the holes at the top of the block to help the heat to transfer

Specific heat capacity of the heater - use the same heater

How well did you know this?
1
Not at all
2
3
4
5
Perfectly
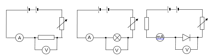
7
Q

Explain how to conduct an experiment to assess the effect of series and parallel resistors.

A
  1. Set up the series and parallel circuits as shown in the diagram
  2. Measure the current through the circuit using an ammeter and the potential difference across the resistors using the voltmeter.
  3. Then use the equation V = IR to calculate the total resistance and compare it to the resistance of one resistor on its own.
  4. Repeat the experiment using different numbers of resistors in series and parallal, use 2, 3, 4, 5 and 6 resistors in each setup
  5. Repeat the experiment 3 times and take an average of the resistance with each setup
  6. This should show that resistors in series have a greater resistance than just one on its own and parallel resistors have a smaller resistance than just one on its own.

Independent variable

The number of resistors

Dependent variable

The total resistance of the circuit

Control variables

The resistance of each type of reisistor - if the resistance of the resistors is changed during the experiment it is unclear if the total resistance has changed becuase of changing the resistance values or because of adding in the extra resistors

How well did you know this?
1
Not at all
2
3
4
5
Perfectly
8
Q

Explain how you investigate the relationship between potential difference and current for a diode, a filament lamp and an ohmic resistor.

A
  1. Set up each of the circuits in turn as shown in the diagram
  2. For each one set the variable resistor so there is a potential difference of 1V across the component as measured on the voltmeter. Record the value on the voltmeter and the current read on the ammeter in the table
  3. Increase the potential difference across the component by 0.5V each time, ucovering a range of 1V to 5V. For each potential difference record the current through the component in the table.
  4. Then turn the cell round and set the PD to -1V and record the current. Repeat the experiment for values with a negative potential difference up to -5V.
  5. Repeat the experiement 3 times and take an average of the current at each potential difference
  6. Plot a graph for each component of potential difference against current.

Independent variable: Potential difference

Dependent variable: Current

Control variable: The component - use the same component througout the experiment

How well did you know this?
1
Not at all
2
3
4
5
Perfectly
9
Q

Explain how to conduct an experiment to find the density of a cuboid solid

A
  1. measure the height, length and depth of the object using a 30cm ruler.
  2. Multiply the 3 values together to find the volume of the block
  3. Find the mass of the object by weighing it on a mass balance.
  4. Use the equation density = mass/volume to find the density of the block.
How well did you know this?
1
Not at all
2
3
4
5
Perfectly
10
Q

Explain how to conduct an experiment to find the density of an iregularly shaped object

A
  1. Fill up a displacement can with water and then drop the object into the water. This will displace some water out of the can.
  2. Measure the volume of the water that has been displaced using a measuring cylinder. This is the same as the volume of the object
  3. Measure the mass of the object on a mass balance. Then use the equation density = mass/volume to find the density of the irregular object.
How well did you know this?
1
Not at all
2
3
4
5
Perfectly
11
Q

(seperate science only)

Explain how to investigate how the type of insulating material effects the rate of heat loss

A
  1. Set up the equipment as shown in the diagram
  2. Fill the space between the two beakers with a single type of insulating material
  3. Pour 80 cm3 of boiling water into the small beaker.
  4. put the lid on and place the thermometer through the lid, measure the initial temperature of the water and start the timer
  5. Record the temperature of the water every 3 minutes for 15 minutes
  6. Repeat the experiment 3 times and take an average
  7. Repeat the experiment for each type of insulating material
  8. Plot a graph of temperature against time, the best insulator is the graph with the most shallow gradient

Independent variable

The type of insulating material

Dependent variable

The rate of heat loss to the environment

Control variables

The temperature of the environment - larger temperature differences result in faster heat loss

The thickness of the insulating material - the thicker the insulating material is, the slower the rate of heat loss will be

How well did you know this?
1
Not at all
2
3
4
5
Perfectly
12
Q

(seperate science only)

Explain how to investigate how the thickness of insulating material affects the rate of energy transfer

A
  1. Wrap two pieces of newspaper around a small beaker

2 Pour 80 cm3 of boiling water into the small beaker.

  1. put the lid on and place the thermometer through the lid, measure the initial temperature of the water and start the timer
  2. Record the temperature of the water every 3 minutes for 15 minutes
  3. Repeat the experiment 3 times and take an average
  4. Repeat the experiment with different numbers of pieces of newspaper attached to the beaker. change by 1 sheet each time and test a range from 2-9 sheets
  5. Plot a graph of temperature against time, the thickness that is the best type of insulator is the one that has the shallowest gradient

Independent variable

The thickness of insulating material

Dependent variable

The rate of heat loss to the environment

Control variables

The temperature of the environment - larger temperature differences result in faster heat loss

The type of insulating material - different insulating materials have different rates of heat transfer

How well did you know this?
1
Not at all
2
3
4
5
Perfectly