1.2 Flow Control Flashcards

(18 cards)

1
Q
A

Standard Fixed Orifice

How well did you know this?
1
Not at all
2
3
4
5
Perfectly
2
Q
A

Knife Edge Fixed Orifice

How well did you know this?
1
Not at all
2
3
4
5
Perfectly
3
Q

.
.

A

Variable Needle Valve

How well did you know this?
1
Not at all
2
3
4
5
Perfectly
4
Q
A

Variable Flow Control with Check Valve

How well did you know this?
1
Not at all
2
3
4
5
Perfectly
5
Q

Pressure Compensated vs Non-Compensated valves

A

Non-compensated: Both pressure and flow rate change.

Compensated: Pressure changes, flow rate stays same.

How well did you know this?
1
Not at all
2
3
4
5
Perfectly
6
Q

Bypass Type Pressure Compensated Valve

A

Excess pressure will cause flow to divert through a bypass back to the tank. This is used in bleed-off method of flow control.

How well did you know this?
1
Not at all
2
3
4
5
Perfectly
7
Q

Restrictor Type Pressure Compensated Valve

A

Restricts inlet flow but pressure will build up across the valve. This is used for Meter-In and Meter-Out method of flow control.

How well did you know this?
1
Not at all
2
3
4
5
Perfectly
8
Q

What are the 3 methods of flow control?

A

Meter-In
Meter-Out
Bleed-Off

How well did you know this?
1
Not at all
2
3
4
5
Perfectly
9
Q

Meter-in vs. Meter-out

A

Metering-in is when you control the flow before the load. This lets you operate the load at lower pressure.

Metering-out is when you control the flow after the load. This lets you operate the load at higher pressure.

How well did you know this?
1
Not at all
2
3
4
5
Perfectly
10
Q

Meter-in or Meter-out on Extension

A

Meter-in on Extension

How well did you know this?
1
Not at all
2
3
4
5
Perfectly
11
Q

Meter-in or Meter-out on Retraction?

A

Meter-In on Retraction

How well did you know this?
1
Not at all
2
3
4
5
Perfectly
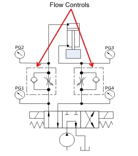
12
Q

Meter-in or Meter-Out on Extension? On Retraction?

A

Meter-In on Extension and Retraction

How well did you know this?
1
Not at all
2
3
4
5
Perfectly
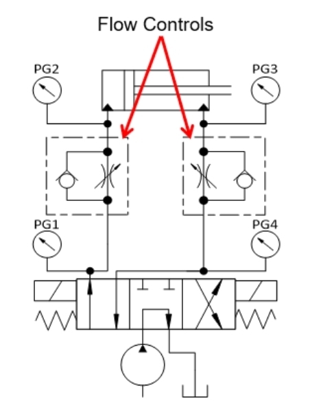
13
Q

Meter-In or Meter-Out on Retraction?

A

Meter-Out on Retraction

How well did you know this?
1
Not at all
2
3
4
5
Perfectly
14
Q

What method of flow control is this? How does it work?

A

Excess flow is diverted back to the sump.

How well did you know this?
1
Not at all
2
3
4
5
Perfectly
15
Q

Meter-In or Meter-Out on Extension? Retraction?

A

Meter-Out on Extension and Retraction

How well did you know this?
1
Not at all
2
3
4
5
Perfectly
16
Q

Meter-in or Meter-Out on Extension?

A

Meter-Out on Extension

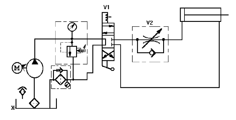
18
Q

What does this circuit do?

A

Rotary Actuator Speed Control