Drawing Circuits Flashcards

(6 cards)

1
Q

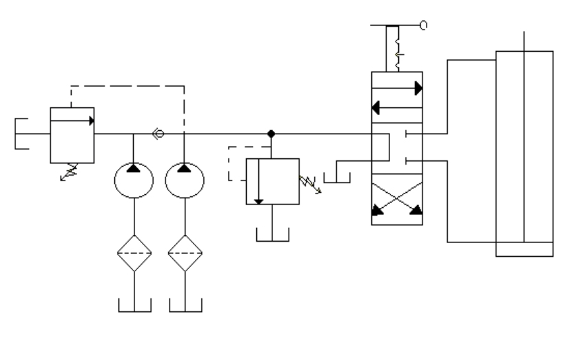
Two pumps in parallel
Unloading Valve
Relief Valve
Tandem PCV
Piston

A
How well did you know this?
1
Not at all
2
3
4
5
Perfectly
2
Q

Motor
Pump
Relief Valve
Tandem PCV
Pressure Reducing Valve - reduce on extension
Piston

A
How well did you know this?
1
Not at all
2
3
4
5
Perfectly
3
Q

Motor
Pump
Relief Valve
Tandem PCV, lever operated
Two pistons actuated in sequence on extension

A
How well did you know this?
1
Not at all
2
3
4
5
Perfectly
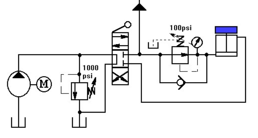
4
Q

Motor
Pump
Relief Valve
Tandem PCV, lever operated
Counterbalance on a gravity load, lowering on retraction

A
How well did you know this?
1
Not at all
2
3
4
5
Perfectly
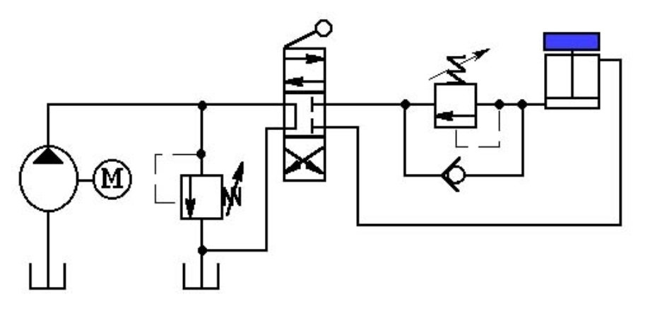
5
Q

Motor
Pump
Relief Valve
Tandem PCV, lever operated
Counterbalance Valve on gravity load, lowering on extension

A
How well did you know this?
1
Not at all
2
3
4
5
Perfectly
6
Q

Motor
Pump
Relief Valve
Floating PCV, lever actuated
Motor braking

A
How well did you know this?
1
Not at all
2
3
4
5
Perfectly