What is the voltage range considered to be valid logic low input in a TTL device operating at 5 volts?
A. 2.0 to 5.5 volts.
B. -2.0 to -5.5 volts.
C. Zero to 0.8 volts.
D. 5.2 to 34.8 volts.
C
What is the voltage range considered to be a valid logic high input in a TTL device operating at 5.0 volts?
A. 2.0 to 5.5 volts.
B. 1.5 to 3.0 volts.
C. 1.0 to 1.5 volts.
D. 5.2 to 34.8 volts.
A
What is the common power supply voltage for TTL series integrated circuits?
A. 12 volts.
B. 13.6 volts.
C. 1 volt.
D. 5 volts.
D
TTL inputs left open develop what logic state?
A. A high-logic state.
B. A low-logic state.
C. Open inputs on a TTL device are ignored.
D. Random high- and low-logic states.
A
Which of the following instruments would be best for checking a TTL logic circuit?
A. VOM.
B. DMM.
C. Continuity tester.
D. Logic probe.
D
What do the initials TTL stand for?
A. Resistor-transistor logic.
B. Transistor-transistor logic.
C. Diode-transistor logic.
D. Emitter-coupled logic.
B
What is a characteristic of an AND gate?
A. Produces a logic “0” at its output only if all inputs are logic “1”.
B. Produces a logic “1” at its output only if all inputs are logic “1”.
C. Produces a logic “1” at its output if only one input is a logic “1”.
D. Produces a logic “1” at its output if all inputs are logic “0”.
B
What is a characteristic of a NAND gate?
A. Produces a logic “0” at its output only when all inputs are logic “0”.
B. Produces a logic “1” at its output only when all inputs are logic “1”.
C. Produces a logic “0” at its output if some but not all of its inputs are logic “1”.
D. Produces a logic “0” at its output only when all inputs are logic “1”.
D
What is a characteristic of an OR gate?
A. Produces a logic “1” at its output if any input is logic “1”.
B. Produces a logic “0” at its output if any input is logic “1”.
C. Produces a logic “0” at its output if all inputs are logic “1”.
D. Produces a logic “1” at its output if all inputs are logic “0”.
A
What is a characteristic of a NOR gate?
A. Produces a logic “0” at its output only if all inputs are logic “0”.
B. Produces a logic “1” at its output only if all inputs are logic “1”.
C. Produces a logic “0” at its output if any or all inputs are logic “1”.
D. Produces a logic “1” at its output if some but not all of its inputs are logic “1”.
C
What is a characteristic of a NOT gate?
A. Does not allow data transmission when its input is high.
B. Produces a logic “0” at its output when the input is logic “1” and vice versa.
C. Allows data transmission only when its input is high.
D. Produces a logic “1” at its output when the input is logic “1” and vice versa.
B
Which of the following logic gates will provide an active high out when both inputs are active high?
A. NAND.
B. NOR.
C. AND.
D. XOR.
C
In a negative-logic circuit, what level is used to represent a logic 0?
A. Low level. C. Negative-transition level.
B. Positive-transition level. D. High level.
D
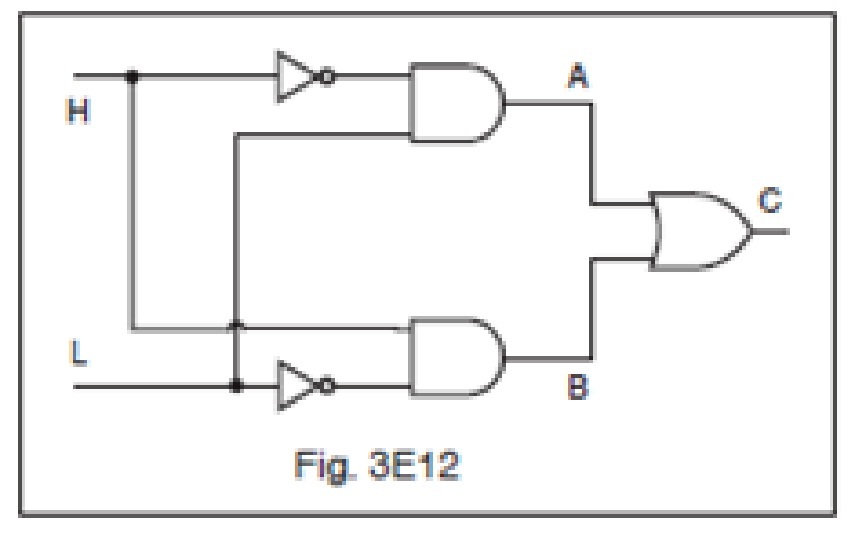
For the logic input levels shown in Figure 3E12, what are the logic levels of test points A, B and C in this circuit? (Assume positive logic.)
A. A is high, B is low and C is low.
B. A is low, B is high and C is high.
C. A is high, B is high and C is low.
D. A is low, B is high and C is low.

B
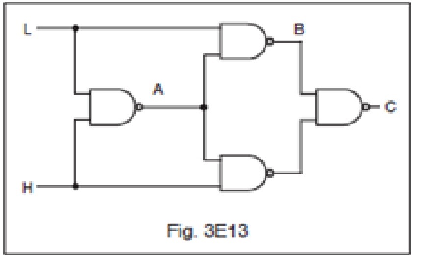
For the logic input levels given in Figure 3E13, what are the logic levels of test points A, B and C in this circuit? (Assume positive logic.)
A. A is low, B is low and C is high.
B. A is low, B is high and C is low.
C. A is high, B is high and C is high.
D. A is high, B is low and C is low.

C
In a positive-logic circuit, what level is used to represent a logic 1?
A. High level
B. Low level
C. Positive-transition level
D. Negative-transition level
A
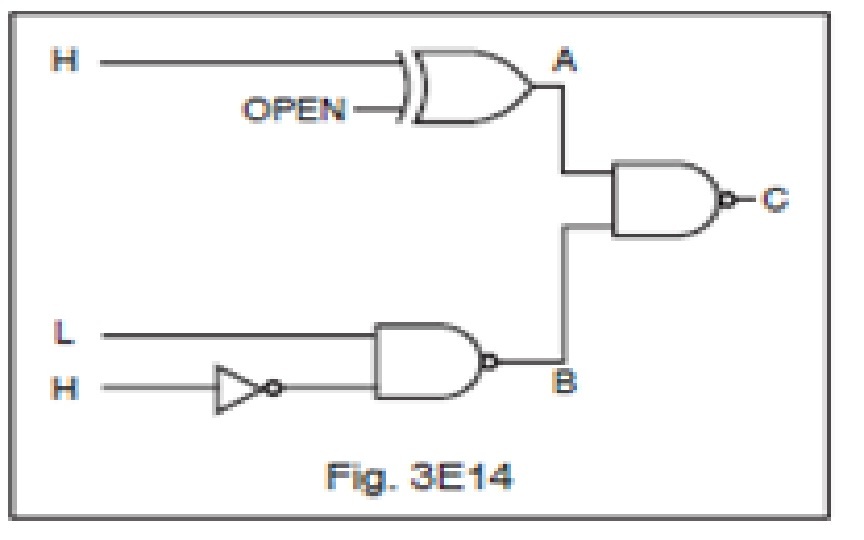
Given the input levels shown in Figure 3E14 and assuming positive logic devices, what would the output be?
A. A is low, B is high and C is high. C. A is low, B is low and C is high.
B. A is high, B is high and C is low. D. None of the above are correct.

A
What is a truth table?
A. A list of input combinations and their corresponding outputs that characterizes a digital device’s function.
B. A table of logic symbols that indicate the high logic states of an op-amp.
C. A diagram showing logic states when the digital device’s output is true.
D. A table of logic symbols that indicates the low logic states of an op-amp.
A
A flip-flop circuit is a binary logic element with how many stable states?
A. 1
B. 2
C. 4
D. 8
B
What is a flip-flop circuit? A binary sequential logic element with ___stable states.
A. 1
B. 4
C. 2
D. 8
C
How many flip-flops are required to divide a signal frequency by 4?
A. 1
B. 4
C. 8
D. 2
D
How many bits of information can be stored in a single flip-flop circuit?
A. 1
B. 2
C. 3
D. 4
A
How many R-S flip-flops would be required to construct an 8 bit storage register?
A. 2
B. 4
C. 8
D. 16
C
An R-S flip-flop is capable of doing all of the following except:
A. Accept data input into R-S inputs with CLK initiated.
B. Accept data input into PRE and CLR inputs without CLK being initiated.
C. Refuse to accept synchronous data if asynchronous data is being input at same time.
D. Operate in toggle mode with R-S inputs held constant and CLK initiated.
D