What is the limiting condition for sensitivity in a communications receiver?
A. The noise floor of the receiver.
B. The power supply output ripple.
C. The two-tone intermodulation distortion.
D. The input impedance to the detector.
A
What is the definition of the term “receiver desensitizing”?
A. A burst of noise when the squelch is set too low.
B. A reduction in receiver sensitivity because of a strong signal on a nearby frequency.
C. A burst of noise when the squelch is set too high.
D. A reduction in receiver sensitivity when the AF gain control is turned down.
B
What is the term used to refer to a reduction in receiver sensitivity caused by unwanted high-level adjacent channel signals?
A. Desensitizing.
B. Intermodulation distortion.
C. Quieting.
D. Overloading.
A
What is meant by the term noise figure of a communications receiver?
A. The level of noise entering the receiver from the antenna.
B. The relative strength of a received signal 3 kHz removed from the carrier frequency.
C. The level of noise generated in the front end and succeeding stages of a receiver.
D. The ability of a receiver to reject unwanted signals at frequencies close to the desired one.
C
Which stage of a receiver primarily establishes its noise figure?
A. The audio stage.
B. The RF stage.
C. The IF strip.
D. The local oscillator.
B
What is the term for the ratio between the largest tolerable receiver input signal and the minimum discernible signal?
A. Intermodulation distortion.
B. Noise floor.
C. Noise figure.
D. Dynamic range.
D
How can selectivity be achieved in the front-end circuitry of a communications receiver?
A. By using an audio filter.
B. By using an additional RF amplifier stage.
C. By using an additional IF amplifier stage.
D. By using a preselector.
D
What is the primary purpose of an RF amplifier in a receiver?
A. To provide most of the receiver gain.
B. To vary the receiver image rejection by utilizing the AGC.
C. To improve the receiver’s noise figure.
D. To develop the AGC voltage.
C
How much gain should be used in the RF amplifier stage of a receiver?
A. Sufficient gain to allow weak signals to overcome noise generated in the first mixer stage.
B. As much gain as possible short of self oscillation.
C. Sufficient gain to keep weak signals below the noise of the first mixer stage.
D. It depends on the amplification factor of the first IF stage.
A
Too much gain in a VHF receiver front end could result in this:
A. Local signals become weaker.
B. Difficult to match receiver impedances.
C. Dramatic increase in receiver current.
D. Susceptibility of intermodulation interference from nearby transmitters.
D
What is the advantage of a GaAsFET preamplifier in a modern VHF radio receiver?
A. Increased selectivity and flat gain.
B. Low gain but high selectivity.
C. High gain and low noise floor.
D. High gain with high noise floor.
C
In what stage of a VHF receiver would a low noise amplifier be most advantageous?
A. IF stage.
B. Front end RF stage.
C. Audio stage.
D. Power supply.
B
Why is the Colpitts oscillator circuit commonly used in a VFO (variable frequency oscillator)?
A. It can be phase locked.
B. It can be remotely tuned.
C. It is stable.
D. It has little or no effect on the crystal’s stability.
C
What is the oscillator stage called in a frequency synthesizer?
A. VCO. C. Phase detector.
B. Divider. D. Reference standard.
A
What are three major oscillator circuits found in radio equipment?
A. Taft, Pierce, and negative feedback.
B. Colpitts, Hartley, and Taft.
C. Taft, Hartley, and Pierce.
D. Colpitts, Hartley, and Pierce.
D
Which type of oscillator circuit is commonly used in a VFO (variable frequency oscillator)?
A. Colpitts. C. Hartley.
B. Pierce. D. Negative feedback.
A
What condition must exist for a circuit to oscillate? It must:
A. Have a gain of less than 1.
B. Be neutralized.
C. Have sufficient negative feedback.
D. Have sufficient positive feedback.
D
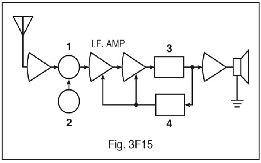
In Figure 3F15, which block diagram symbol (labeled 1 through 4) is used to represent a local oscillator?
A. 1 C. 3
B. 2 D. 4

B
What is the image frequency if the normal channel is 151.000 MHz, the IF is operating at 11.000 MHz, and the LO is at 140.000 MHz?
A. 131.000 MHz.
B. 129.000 MHz.
C. 162.000 MHz.
D. 150.000 MHz.
B
What is the mixing process in a radio receiver?
A. The elimination of noise in a wideband receiver by phase comparison.
B. The elimination of noise in a wideband receiver by phase differentiation.
C. Distortion caused by auroral propagation.
D. The combination of two signals to produce sum and difference frequencies.
D
In what radio stage is the image frequency normally rejected?
A. RF.
B. IF.
C. LO.
D. Detector.
A
What are the principal frequencies that appear at the output of a mixer circuit?
A. Two and four times the original frequency.
B. The sum, difference and square root of the input frequencies.
C. The original frequencies and the sum and difference frequencies.
D. 1.414 and 0.707 times the input frequency.
C
If a receiver mixes a 13.8 MHz VFO with a 14.255 MHz receive signal to produce a 455 kHz intermediate frequency signal, what type of interference will a 13.345 MHz signal produce in the receiver?
A. Local oscillator interference.
B. An image response.
C. Mixer interference.
D. Intermediate frequency interference.
B
What might occur in a receiver if excessive amounts of signal energy overdrive the mixer circuit?
A. Automatic limiting occurs.
B. Mixer blanking occurs.
C. Spurious mixer products are generated.
D. The mixer circuit becomes unstable and drifts.
C