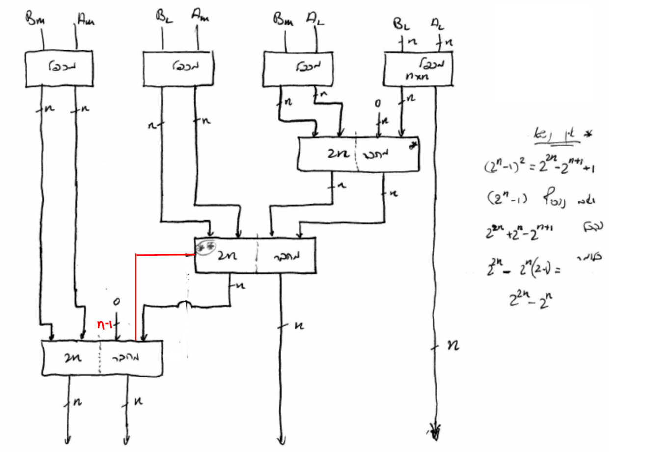
Must be remembered - Multiplication of two m bits results with 2m bits at max.

In total: 6m-3+2m+2+2+2m = 10m+1.
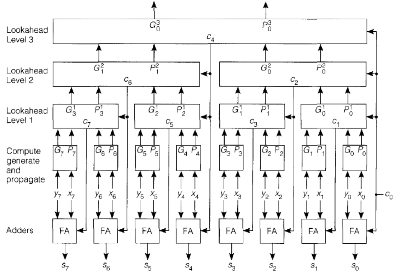
Same question but using CLA, why does the time it take for the first adder is 1+4logk(2n) and not less even though n-1 LSB bits are pre-calculated?


Same question but using sequential multiplier.
Explain why run-time is O((1+2m)m)

Important one. Sit and solve.


Important! using CLA you can’t get faster than setting k=m. This way we use all the information available in parallel. So basically - Min(1+4logk(m)) = 1+4logm(m) = 1+4*1 = 5.
Answer

Why in CLA computing G and P takes O(1) even though P requires XOR operation?
The final equation is Ci+1= Gi+Pi*Ci
We can remove the condition of x=y=1 from P, because anyway it makes G=1.
So we need to compute: Gi = AND(x,y) and Pi = OR(x,y).
How many components is need for the addition of two 2^m numbers?

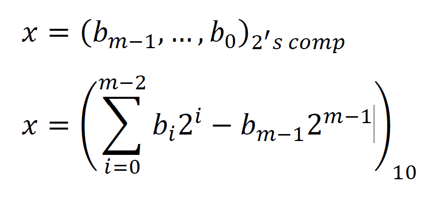
Write a very important equation of 2’s complement?
given that x is of m bits
1’s complement:
2’s complement:
Advantage: we can substract two numbers easily, we can turn it into addition by negating the substractor.
Disadvantage: 0 has double representation.


Explain Tri-state and how can we implement 2-1 MUX using triset and not gate.

Recall and memorize

Recall How register is implemented
