In order to compute imod32 - we should call andi r1, r1, 31
important tip - instead of running from 1000 to 5092, use relative addressing.
Memorize!


Memorize


Glimpse into the condition unit
Note, the can create new condition to help us create new command


Great demonstration of how “goto6” works.
It loads 010 into the step counter

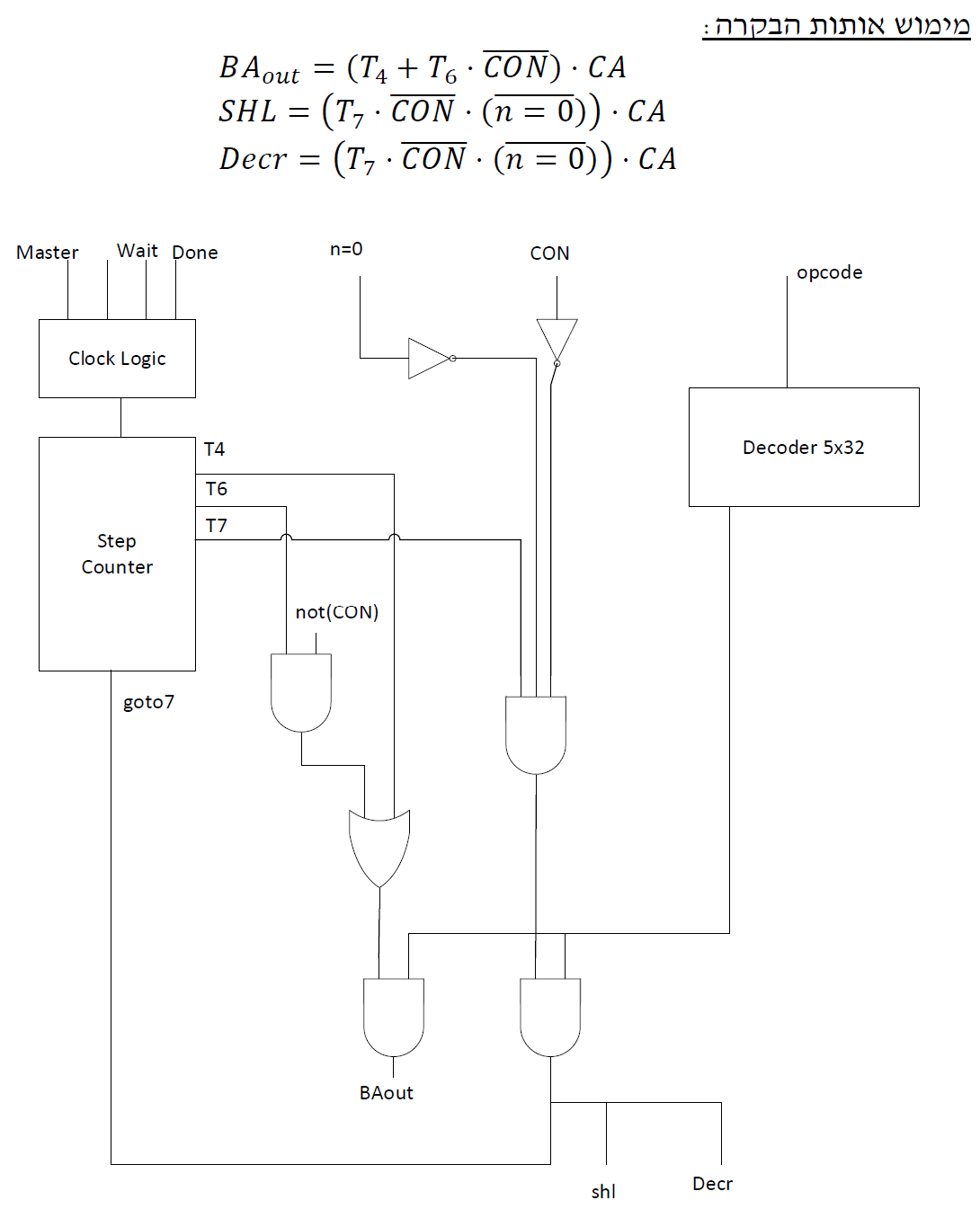
Name important points regarding the attached image of the control unit

Note the way goto7 is implemented such that if it gets 1 it load the step counter

Important points regarding control signal language:
Amazing solution for this problem
Note that the “end” control signal tells the program to end.
If it appears in a general case: the program ends..
If it appears for COND-> it ends the program only if COND=1.

